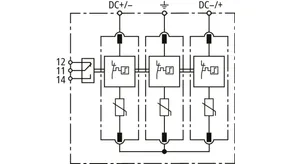
DEHNguard YPV ... FM

  • Unité complète précâblée pour systèmes photovoltaïques, comprenant une embase et des modules de protection enfichables
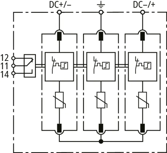
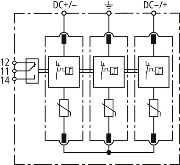
  • Circuit Y résistant aux erreurs avec trois varistances hautes performances qui permet d’éviter les dommages de la protection contre les surtensions par défauts d’isolation dans le circuit générateur
  • Testé selon la norme EN 61643-31
  • Haute fiabilité de la surveillance en raison du système « Thermo-Dynamic-Control »
  • Indication de défaut grâce à un voyant rouge dans la fenêtre
  • Utilisation conformément à la norme IEC 60364-7-712 « Installations d’énergie solaire photovoltaïque »

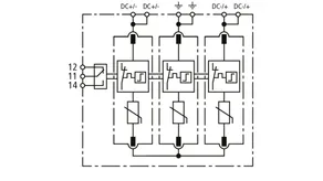
DEHNguard MP YPV ... FM

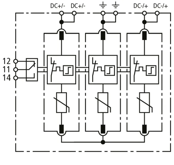
Parafoudre modulaire et multipolaire pour les systèmes photovoltaïques avec contact de télésignalisation pour le dispositif de surveillance (contact inverseur sans potentiel).

2 Produits

Référence de la pièce 942565 DG MP YPV 1200 FM

GTIN 4013364495685, Clients tariffs no (UE): 85354000, Poids brut: 355.99 g, Prix unitaire: 1.00 pièce(s)


Images

Plus d'informations

Parafoudre DEHNguard MP YPV 1200 FM
Parafoudre multipolaire, modulaire, enfichable pour installations photovoltaïques
avec borne de raccordement double push-in pour
le câblage de dérivation et le câblage en série adapté
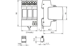
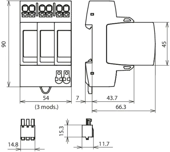
jusqu’à 1170 V DC, largeur 3 modules standard
Indication de défaut
avec contact de télésignalisation
Type 2 selon EN 61643-31
Utilisation conformément à la norme IEC 60364-7-712
Tension photovoltaïque maximale : <= 1170 V DC
Courant de décharge total : 40 kA
Niveau de protection : <= 4 kV
Résistance aux courts-circuits Iscpv : 10 kA

produit : DEHN
Type: DG MP YPV 1200 FM
Référence: 942565
ou équivalent

Certificats

 

Caractéristiques techniques

SPD selon NF EN 61643-31 Type 2/Classe II
Tension PV max. (UCPV ) 1170 V
Tenue aux courts-circuits (ISCPV ) 10 kA
Courant nominal de décharge (8/20 µs) [(DC+/DC-) --> PE] (In ) 20 kA
Courant max. de décharge (8/20 µs) [(DC+/DC-) --> PE] (Imax ) 40 kA
Niveau de protection en tension (UP ) ≤ 4 kV
Contacts de télésignalisation/Type de contact inverseur

Le produit 942565 a été ajouté au bloc-notes

Le produit 942565 a été ajouté au panier.

Référence de la pièce 942567 DG MP YPV 1500 FM

GTIN 4013364495678, Clients tariffs no (UE): 85354000, Poids brut: 387.05 g, Prix unitaire: 1.00 pièce(s)


Images

Plus d'informations

Parafoudre DEHNguard MP YPV 1500 FM
Parafoudre multipolaire, modulaire, enfichable pour installations photovoltaïques
avec borne de raccordement double push-in pour
le câblage de dérivation et le câblage en série adapté
jusqu’à 1500 V DC, largeur 3 modules standard
Indication de défaut
avec contact de télésignalisation
Type 2 selon EN 61643-31
Utilisation conformément à la norme IEC 60364-7-712
Tension photovoltaïque maximale : <= 1500 V DC
Courant de décharge total : 40 kA
Niveau de protection : <= 5 kV
Résistance aux courts-circuits Iscpv : 10 kA

produit : DEHN
Type: DG MP YPV 1500 FM
Référence: 942567
ou équivalent

Certificats

 

Caractéristiques techniques

SPD selon NF EN 61643-31 Type 2/Classe II
Tension PV max. (UCPV ) 1500 V
Tenue aux courts-circuits (ISCPV ) 10 kA
Courant nominal de décharge (8/20 µs) [(DC+/DC-) --> PE] (In ) 15 kA
Courant max. de décharge (8/20 µs) [(DC+/DC-) --> PE] (Imax ) 40 kA
Niveau de protection en tension (UP ) ≤ 5 kV
Contacts de télésignalisation/Type de contact inverseur

Le produit 942567 a été ajouté au bloc-notes

Le produit 942567 a été ajouté au panier.


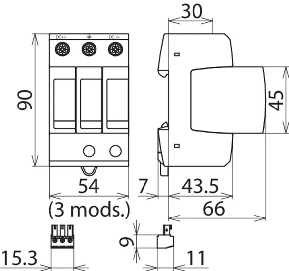
DEHNguard M YPV ... FM

Parafoudre modulaire et multipôlaires pour les systèmes photovoltaïques avec contact de signalisation pour le dispositif de surveillance (contact inverseur)

2 Produits

Référence de la pièce 952565 DG M YPV 1200 FM

GTIN 4013364327719, Clients tariffs no (UE): 85354000, Poids brut: 382.00 g, Prix unitaire: 1.00 pièce(s)


Images

Plus d'informations

Parafoudre DEHNguard M YPV 1200 FM
Parafoudre photovoltaïque multipolaire, modulaire, enfichable
jusqu’à 1170 V DC, largeur 3 modules standard
Indication de défaut
Type 2 selon EN 61643-31
Utilisation conformément à la norme IEC 60364-7-712
Tension photovoltaïque maximale : <= 1170 V DC
Courant de décharge total : 40 kA
Niveau de protection : <= 4 kV
Résistance aux courts-circuits Iscpv : 10 kA

produit : DEHN
Type: DG M YPV 1200 FM
Référence: 952565
ou équivalent

Certificats

 

Caractéristiques techniques

SPD selon NF EN 61643-31 Type 2/Classe II
Tension PV max. (UCPV ) 1170 V
Tenue aux courts-circuits (ISCPV ) 10 kA
Courant nominal de décharge (8/20 µs) [(DC+/DC-) --> PE] (In ) 20 kA
Courant max. de décharge (8/20 µs) [(DC+/DC-) --> PE] (Imax ) 40 kA
Niveau de protection en tension (UP ) ≤ 4 kV
Certifications UL, KEMA
Contacts de télésignalisation/Type de contact Inverseur

Le produit 952565 a été ajouté au bloc-notes

Le produit 952565 a été ajouté au panier.

Référence de la pièce 952567 DG M YPV 1500 FM

GTIN 4013364327726, Clients tariffs no (UE): 85354000, Poids brut: 411.20 g, Prix unitaire: 1.00 pièce(s)


Images

Plus d'informations

Parafoudre DEHNguard M YPV 1500
Parafoudre photovoltaïque multipolaire, modulaire, enfichable
jusqu’à 1500 V DC, largeur 3 modules standard
Indication de défaut
Avec contact de télésignalisation
type 2 selon EN 61643-31
Utilisation conformément à la norme IEC 60364-7-712
Tension photovoltaïque maximale : <= 1500 V DC
Courant de décharge total : 40 kA
Niveau de protection : <= 5 kV
Résistance aux courts-circuits Iscpv : 10 kA

produit : DEHN
Type: DG M YPV 1500 FM
Référence: 952567
ou équivalent

Certificats

 

Caractéristiques techniques

SPD selon NF EN 61643-31 Type 2/Classe II
Tension PV max. (UCPV ) 1500 V
Tenue aux courts-circuits (ISCPV ) 10 kA
Courant nominal de décharge (8/20 µs) [(DC+/DC-) --> PE] (In ) 15 kA
Courant max. de décharge (8/20 µs) [(DC+/DC-) --> PE] (Imax ) 40 kA
Niveau de protection en tension (UP ) ≤ 5 kV
Certifications UL, KEMA
Contacts de télésignalisation/Type de contact inverseur

Le produit 952567 a été ajouté au bloc-notes

Le produit 952567 a été ajouté au panier.


back to top