DEHNventil ZP
- Parafoudre combiné type 1 + type 2 basé sur la technologie d'éclateurs à air RADAX-Flow
- Satisfait pleinement aux exigences de la directive VDE-AR-N 4100 pour une utilisation en amont des compteurs
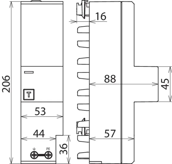
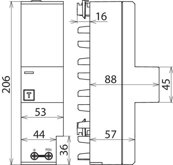
- Montage simple et rapide par encliquetage sur rail collecteur de 40 mm
- Contrôle de fonctionnement par bouton-poussoir avec voyant lumineux
- Non déclenchement d'un fusible 63 A gG jusqu'à des courants de court-circuit de 50 kAeff
- Capacité d'écoulement jusqu'à 100 kA (10/350 µs)
- Permet une protection des équipements terminaux
- Continuité de service élevée
Détails
Référence de la pièce 900390 DV ZP TNC 255
GTIN 4013364105751, Clients tariffs no (UE): 85363090, Poids brut: 957.00 g, Prix unitaire: 1.00 pièce(s)
PrécédentCaractéristiques techniques
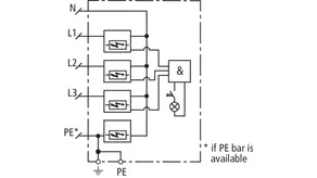
| SPD selon NF EN 61643-11/ ... CEI 61643-11 | Type 1 + Type 2 / Classe I + Classe II |
| Tension max. de régime permanent AC (UC ) | 255 V (50 / 60 Hz) |
| Courant de choc de décharge (10/350 µs) [L1+L2+L3-PEN] (Itotal ) | 75 kA |
| Courant de choc de décharge (10/350 µs) [L-PEN] (Iimp ) | 25 kA |
| Niveau de protection en tension (UP ) | ≤ 1,5 kV |
| Fusible amont max. (L) jusqu'à IK = 25 kAeff | 315 A gG |
| Certifications | VDE |
Référence de la pièce 900391 DV ZP TT 255
GTIN 4013364105768, Clients tariffs no (UE): 85363090, Poids brut: 1.08 kg, Prix unitaire: 1.00 pièce(s)
PrécédentCaractéristiques techniques
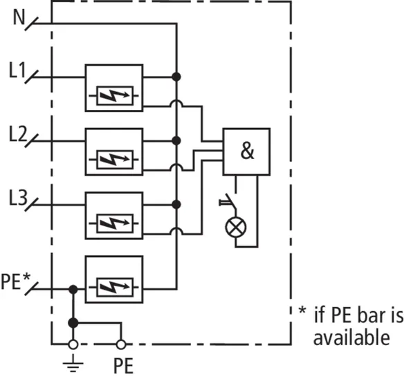
| SPD selon NF EN 61643-11/ ... CEI 61643-11 | Type 1 + Type 2 / Classe I + Classe II |
| Tension max. de régime permanent AC (UC ) | 255 V (50 / 60 Hz) |
| Courant de foudre (10/350 µs) [L1+L2+L3+N-PE] (Itotal ) | 100 kA |
| Courant de foudre (10/350 µs) [L-N] (Iimp ) | 25 kA |
| Courant de foudre (10/350 µs) [N-PE] (Iimp ) | 100 kA |
| Niveau de protection en tension [L-N] (UP ) | ≤ 1,5 kV |
| Niveau de protection en tension [N-PE] (UP ) | ≤ 1,5 kV |
| Fusible amont max. (L) jusqu'à IK = 25 kAeff | 315 A gG |
| Certifications | VDE |
