DEHNgap
- Capacité d'écoulement de 100 kA (10/350 µs)
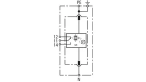
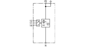
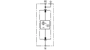
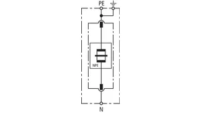
- Parafoudre spécialement destiné à l'utilisation dans le système TT pour les modes de connexion 3 + 1 et 1 + 1 selon la norme CEI 60364-5-53 entre le conducteur neutre N et le conducteur de protection PE
- Technologie d'éclateurs à air encapsulés
- Avec indication optique de fonctionnement/de défaut grâce à un voyant mécanique vert/rouge
Détails
Référence de la pièce 961101 DGP M 255
GTIN 4013364118676, Clients tariffs no (UE): 85363030, Poids brut: 331.00 g, Prix unitaire: 1.00 pièce(s)
PrécédentCaractéristiques techniques
| SPD selon NF EN 61643-11 / ... CEI 61643-11 | Type 1/Classe 1 |
| Tension max. de régime permanent AC (UC ) | 255 V (50/60 Hz) |
| Courant de choc de décharge (10/350 µs) (Iimp ) | 100 kA |
| Niveau de protection en tension (UP ) | ≤ 1,5 kV |
| Certifications | VDE, KEMA, UL |
Référence de la pièce 961105 DGP M 255 FM
GTIN 4013364118683, Clients tariffs no (UE): 85363030, Poids brut: 336.00 g, Prix unitaire: 1.00 pièce(s)
PrécédentCaractéristiques techniques
| SPD selon NF EN 61643-11 / ... CEI 61643-11 | Type 1/Classe 1 |
| Tension max. de régime permanent AC (UC ) | 255 V (50/60 Hz) |
| Courant de choc de décharge (10/350 µs) (Iimp ) | 100 kA |
| Niveau de protection en tension (UP ) | ≤ 1,5 kV |
| Certifications | VDE, KEMA, UL |
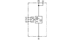
| Contacts de télésignalisation/Type de contact | Inverseur |
Référence de la pièce 900050 DGPM 1 255 S
GTIN 4013364107496, Clients tariffs no (UE): 85363090, Poids brut: 539.00 g, Prix unitaire: 1.00 pièce(s)
Caractéristiques techniques
| SPD selon NF EN 61643-11 / ... CEI 61643-11 | Type 1/Classe 1 |
| Tension max. de régime permanent AC (UC ) | 255 V (50/60 Hz) |
| Courant de choc de décharge (10/350 µs) (Iimp ) | 100 kA |
| Niveau de protection en tension (UP ) | ≤ 2,5 kV (tient compte de 80 cm de câble de connexion) |
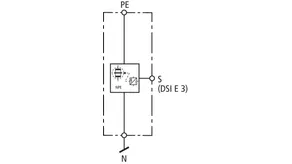
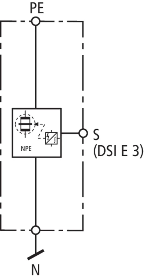
| Surveillance de fonctionnement | via DEHNsignal DSI E 3 |
Référence de la pièce 961180 DGPM 1 255
GTIN 4013364157323, Clients tariffs no (UE): 85363090, Poids brut: 460.00 g, Prix unitaire: 1.00 pièce(s)
Caractéristiques techniques
| SPD selon NF EN 61643-11 / ... CEI 61643-11 | Type 1 + Type 2 / Classe I + Classe II |
| Tension max. de régime permanent AC (UC ) | 255 V (50/60 Hz) |
| Courant de choc de décharge (10/350 µs) (Iimp ) | 100 kA |
| Niveau de protection en tension (UP ) | ≤ 1,5 kV |
| Certifications | KEMA |
Référence de la pièce 961185 DGPM 1 255 FM
GTIN 4013364157330, Clients tariffs no (UE): 85363090, Poids brut: 460.00 g, Prix unitaire: 1.00 pièce(s)
Caractéristiques techniques
| SPD selon NF EN 61643-11 / ... CEI 61643-11 | Type 1 + Type 2 / Classe I + Classe II |
| Tension max. de régime permanent AC (UC ) | 255 V (50/60 Hz) |
| Courant de choc de décharge (10/350 µs) (Iimp ) | 100 kA |
| Niveau de protection en tension (UP ) | ≤ 1,5 kV |
| Certifications | KEMA |
| Contacts de télésignalisation/Type de contact | Inverseur |
Référence de la pièce 961160 DGPM 440
GTIN 4013364116290, Clients tariffs no (UE): 85363030, Poids brut: 415.00 g, Prix unitaire: 1.00 pièce(s)
Caractéristiques techniques
| SPD selon NF EN 61643-11 / ... CEI 61643-11 | Type 1/Classe 1 |
| Tension max. de régime permanent AC (UC ) | 440 V (50/60 Hz) |
| Courant de choc de décharge (10/350 µs) (Iimp ) | 100 kA |
| Niveau de protection en tension (UP ) | ≤ 2,5 kV |
| Certifications | UL |
Référence de la pièce 961165 DGPM 440 FM
GTIN 4013364116306, Clients tariffs no (UE): 85363030, Poids brut: 418.00 g, Prix unitaire: 1.00 pièce(s)
Caractéristiques techniques
| SPD selon NF EN 61643-11 / ... CEI 61643-11 | Type 1/Classe 1 |
| Tension max. de régime permanent AC (UC ) | 440 V (50/60 Hz) |
| Courant de choc de décharge (10/350 µs) (Iimp ) | 100 kA |
| Niveau de protection en tension (UP ) | ≤ 2,5 kV |
| Certifications | UL |
| Contacts de télésignalisation/Type de contact | Inverseur |
Référence de la pièce 961102 DGPH M 255
GTIN 4013364118690, Clients tariffs no (UE): 85363030, Poids brut: 300.00 g, Prix unitaire: 1.00 pièce(s)
PrécédentCaractéristiques techniques
| SPD selon NF EN 61643-11 / ... CEI 61643-11 | Type 1/Classe 1 |
| Tension max. de régime permanent AC (UC ) | 255 V (50/60 Hz) |
| Courant de choc de décharge (10/350 µs) (Iimp ) | 100 kA |
| Niveau de protection en tension (UP ) | ≤ 4 kV |
