BLITZDUCTOR XT – Protection Modules

Combined lightning current and surge arrester
  • Maximum discharge capacity for two-pole, three-pole or four-pole interfaces
  • Capable of carrying lightning currents up to 10 kA (10/350 µs)
  • Low voltage protection level, capable of protecting terminal equipment
With integrated LifeCheck monitoring
  • Arrester testing during operation
  • Detection of pre-damaged arresters
  • High signal availability thanks to preventive replacement of arresters
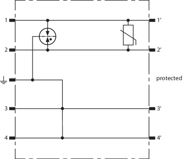
SPD consists of a protection module and a base part
  • Vibration and shock-tested for safe operation
  • All protection components integrated in the protection module
  • Two universal base parts with / without signal disconnection
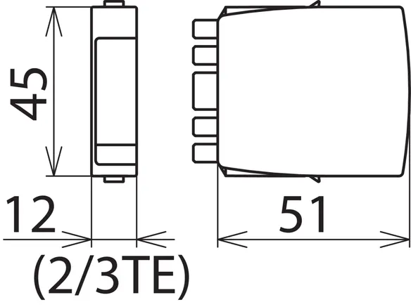
  • Minimum space requirements, 4 single lines or 2 pairs over a width of 12 mm

Détails

EMC spring terminal (accessory) for permanent low-impedance shield contact.
lorem ipsum
Two-part design with universal base part and application-specific protection module.
lorem ipsum
The module locking mechanism ensures that the module is vibration-proof and protected against polarity reversal.
lorem ipsum
All protection elements are integrated in the plug-in module and are monitored by means of LifeCheck.
lorem ipsum


BXT ML4 B 180

Space-savings four-pole lightning current arrester module with RFID LifeCheck feature for almost all applications. For use in connection with downstream Q surge arresters or combined lightning current and surge arresters with a lower or equal voltage level. If LifeCheck detects thermal or electrical overload, the arrester has to be replaced. This status is indicated contactlessly by the DEHNrecord LC / SCM / MCM reader.

1 Produit

Référence de la pièce 920310 BXT ML4 B 180

GTIN 4013364109124, Clients tariffs no (UE): 85363010, Poids brut: 31.60 g, Prix unitaire: 1.00 pc(s)

Précédent

Images

Plus d'informations

BLITZDUCTOR XT BXT ML4 B180 lightning current arrester module with LifeCheck
BLITZDUCTOR XT lightning current arrester module
SPD class type 1/P1
tested to EN 61643-21
and energy-coordinated acc. to IEC 61643-22
for protecting four single cores
Integrated LifeCheck for contactless arrester testing
Can be plugged into BXT BAS / BSP BAS 4 base parts
Max. continuous operating voltage (d.c.): 180 V
Nominal current at 45 °C: 1.2 A
D1 Total lightning impulse current (10/350 µs): 10 kA
D1 Lightning impulse current (10/350 µs) per line: 2.5 kA

Brand: DEHN
Type: BXT ML4 B 180
Part No.: 920310
or equivalent.

Certificats

 

Caractéristiques techniques

SPD class H
Max. continuous operating voltage (d.c.) (UC ) 180 V
Nominal current at 45 °C (IL ) 1.2 A
D1 Total lightning impulse current (10/350 µs) (Iimp ) 10 kA
C2 Total nominal discharge current (8/20 µs) (In ) 20 kA
Series resistance per line 0.4 ohm(s)
Approvals CSA, ATEX, IECEx, CSA & USA Hazloc, SIL
*) For more detailed information, please visit www.dehn-international.com.

Le produit 920310 a été ajouté au bloc-notes

Le produit 920310 a été ajouté au panier.


BXT ML4 BE 5 – BE 180

Space-saving combined lightning current and surge arrester module with RFID LifeCheck for protecting four single lines sharing a common reference potential as well as unbalanced interfaces. If LifeCheck detects thermal or electrical overload, the arrester has to be replaced. This status is indicated contactlessly by the DEHNrecord LC / SCM / MCM reader.

7 Produits

Référence de la pièce 920320 BXT ML4 BE 5

GTIN 4013364109032, Clients tariffs no (UE): 85363010, Poids brut: 31.00 g, Prix unitaire: 1.00 pc(s)

Précédent

Images

Plus d'informations

BLITZDUCTOR XT BE 5 combined arrester module with LifeCheck
BLITZDUCTOR XT combined arrester module
SPD class: type 1/P1
tested to EN 61643-21 and
energy-coordinated acc. to IEC 61643-22
for protecting four single cores
Integrated LifeCheck for contactless arrester testing
Can be plugged into BXT BAS / BSP BAS 4 base parts
Max. continuous operating voltage (d.c.): 6 V
Nominal current at 45 °C: 1.0 A
D1 Total lightning impulse current (10/350 µs): 10 kA
D1 Lightning impulse current (10/350 µs) per line: 2.5 kA

Brand: DEHN
Type: BXT ML4 BE 5
Part No.: 920320
or equivalent.

Certificats

 

Caractéristiques techniques

SPD class M
Max. continuous operating voltage (d.c.) (UC ) 6 V
Nominal current at 45 °C (IL ) 1.0 A
D1 Total lightning impulse current (10/350 µs) (Iimp ) 10 kA
C2 Total nominal discharge current (8/20 µs) (In ) 20 kA
Series resistance per line 1.0 ohm(s)
Cut-off frequency line-PG (fG ) 1.0 MHz
Approvals CSA, UL 497B, ATEX, IECEx, CSA & USA Hazloc, SIL
*) For more detailed information, please visit www.dehn-international.com.

Le produit 920320 a été ajouté au bloc-notes

Le produit 920320 a été ajouté au panier.

Référence de la pièce 920322 BXT ML4 BE 12

GTIN 4013364109049, Clients tariffs no (UE): 85363010, Poids brut: 30.70 g, Prix unitaire: 1.00 pc(s)

Précédent

Images

Plus d'informations

BLITZDUCTOR XT BE 12 combined arrester module with LifeCheck
BLITZDUCTOR XT combined arrester module
SPD class: type 1/P1
tested to EN 61643-21 and
energy-coordinated acc. to IEC 61643-22
for protecting four single cores
Integrated LifeCheck for contactless arrester testing
Can be plugged into BXT BAS / BSP BAS 4 base parts
Max. continuous operating voltage (d.c.): 15 V
Nominal current at 45 °C: 0.75 A
D1 Total lightning impulse current (10/350 µs): 10 kA
D1 Lightning impulse current (10/350 µs) per line: 2.5 kA

Brand: DEHN
Type: BXT ML4 BE 12
Part No.: 920322
or equivalent.

Certificats

 

Caractéristiques techniques

SPD class M
Max. continuous operating voltage (d.c.) (UC ) 15 V
Nominal current at 45 °C (IL ) 0.75 A
D1 Total lightning impulse current (10/350 µs) (Iimp ) 10 kA
C2 Total nominal discharge current (8/20 µs) (In ) 20 kA
Series resistance per line 1.8 ohm(s)
Cut-off frequency line-PG (fG ) 2.7 MHz
Approvals CSA, UL 497B, ATEX, IECEx, CSA & USA Hazloc, SIL
*) For more detailed information, please visit www.dehn-international.com.

Le produit 920322 a été ajouté au bloc-notes

Le produit 920322 a été ajouté au panier.

Référence de la pièce 920324 BXT ML4 BE 24

GTIN 4013364109056, Clients tariffs no (UE): 85363010, Poids brut: 45.00 g, Prix unitaire: 1.00 pc(s)

Précédent

Images

Plus d'informations

BLITZDUCTOR XT BE 24 combined arrester module with LifeCheck
BLITZDUCTOR XT combined arrester module
SPD class: type 1/P1
tested to EN 61643-21 and
energy-coordinated acc. to IEC 61643-22
for protecting four single cores
Integrated LifeCheck for contactless arrester testing
Can be plugged into BXT BAS / BSP BAS 4 base parts
Max. continuous operating voltage (d.c.): 33 V
Nominal current at 45 °C: 0.75 A
D1 Total lightning impulse current (10/350 µs): 10 kA
D1 Lightning impulse current (10/350 µs) per line: 2.5 kA

Brand: DEHN
Type: BXT ML4 BE 24
Part No.: 920324
or equivalent.

Certificats

 

Caractéristiques techniques

SPD class M
Max. continuous operating voltage (d.c.) (UC ) 33 V
Nominal current at 45 °C (IL ) 0.75 A
D1 Total lightning impulse current (10/350 µs) (Iimp ) 10 kA
C2 Total nominal discharge current (8/20 µs) (In ) 20 kA
Series resistance per line 1.8 ohm(s)
Cut-off frequency line-PG (fG ) 6.8 MHz
Approvals CSA, UL 497B, ATEX, IECEx, CCC, CSA & USA Hazloc, SIL
*) For more detailed information, please visit www.dehn-international.com.

Le produit 920324 a été ajouté au bloc-notes

Le produit 920324 a été ajouté au panier.

Référence de la pièce 920336 BXT ML4 BE 36

GTIN 4013364118539, Clients tariffs no (UE): 85363010, Poids brut: 47.50 g, Prix unitaire: 1.00 pc(s)


Images

Plus d'informations

BLITZDUCTOR XT BE 36 combined arrester module with LifeCheck
BLITZDUCTOR XT combined arrester module
SPD class: type 1/P1
tested to EN 61643-21 and
energy-coordinated acc. to IEC 61643-22
for protecting four single cores
Integrated LifeCheck for contactless arrester testing
Can be plugged into BXT BAS / BSP BAS 4 base parts
Max. continuous operating voltage (d.c.): 45 V
Nominal current at 45 °C: 1.8 A
D1 Total lightning impulse current (10/350 µs): 10 kA
D1 Lightning impulse current (10/350 µs) per line: 2.5 kA

Brand: DEHN
Type: BXT ML4 BE 36
Part No.: 920336
or equivalent.

Certificats

 

Caractéristiques techniques

SPD class M
Max. continuous operating voltage (d.c.) (UC ) 45 V
Nominal current at 45 °C (IL ) 1.8 A
D1 Total lightning impulse current (10/350 µs) (Iimp ) 10 kA
C2 Total nominal discharge current (8/20 µs) (In ) 20 kA
Series resistance per line 0.43 ohm(s)
Cut-off frequency line-PG (fG ) 3.8 MHz
Approvals UL 497B, ATEX, IECEx, CSA & USA Hazloc, SIL
*) For more detailed information, please visit www.dehn-international.com.

Le produit 920336 a été ajouté au bloc-notes

Le produit 920336 a été ajouté au panier.

Référence de la pièce 920325 BXT ML4 BE 48

GTIN 4013364109063, Clients tariffs no (UE): 85363010, Poids brut: 31.20 g, Prix unitaire: 1.00 pc(s)

Précédent

Images

Plus d'informations

BLITZDUCTOR XT BE 48 combined arrester module with LifeCheck
BLITZDUCTOR XT combined arrester module
SPD class: type 1/P1
tested to EN 61643-21 and
energy-coordinated acc. to IEC 61643-22
for protecting four single cores
Integrated LifeCheck for contactless arrester testing
Can be plugged into BXT BAS / BSP BAS 4 base parts
Max. continuous operating voltage (d.c.): 54 V
Nominal current at 45 °C: 0.75 A
D1 Total lightning impulse current (10/350 µs): 10 kA
D1 Lightning impulse current (10/350 µs) per line: 2.5 kA

Brand: DEHN
Type: BXT ML4 BE 48
Part No.: 920325
or equivalent.

Certificats

 

Caractéristiques techniques

SPD class M
Max. continuous operating voltage (d.c.) (UC ) 54 V
Nominal current at 45 °C (IL ) 0.75 A
D1 Total lightning impulse current (10/350 µs) (Iimp ) 10 kA
C2 Total nominal discharge current (8/20 µs) (In ) 20 kA
Series resistance per line 1.8 ohm(s)
Cut-off frequency line-PG (fG ) 8.7 MHz
Approvals CSA, UL 497B, ATEX, IECEx, CSA & USA Hazloc, SIL
*) For more detailed information, please visit www.dehn-international.com.

Le produit 920325 a été ajouté au bloc-notes

Le produit 920325 a été ajouté au panier.

Référence de la pièce 920326 BXT ML4 BE 60

GTIN 4013364109070, Clients tariffs no (UE): 85363010, Poids brut: 31.00 g, Prix unitaire: 1.00 pc(s)

Précédent

Images

Plus d'informations

BLITZDUCTOR XT BE 60 combined arrester module with LifeCheck
BLITZDUCTOR SP surge arrester module
SPD class: type 2/P1
tested to EN 61643-21 and
energy-coordinated acc. to IEC 61643-22
for protecting four single cores
Integrated LifeCheck for contactless arrester testing
Can be plugged into BXT BAS / BSP BAS 4 base parts
Max. continuous operating voltage (d.c.): 70 V
Nominal current at 45 °C: 1.0 A
D1 Total lightning impulse current (10/350 µs): 10 kA
D1 Lightning impulse current (10/350 µs) per line: 2.5 kA

Brand: DEHN
Type: BXT ML4 BE 60
Part No.: 920326
or equivalent.

Certificats

 

Caractéristiques techniques

SPD class M
Max. continuous operating voltage (d.c.) (UC ) 70 V
Nominal current at 45 °C (IL ) 1.0 A
D1 Total lightning impulse current (10/350 µs) (Iimp ) 10 kA
C2 Total nominal discharge current (8/20 µs) (In ) 20 kA
Series resistance per line 1.0 ohm(s)
Cut-off frequency line-PG (fG ) 9.0 MHz
Approvals CSA, UL 497B, ATEX, IECEx, CSA & USA Hazloc, SIL
*) For more detailed information, please visit www.dehn-international.com.

Le produit 920326 a été ajouté au bloc-notes

Le produit 920326 a été ajouté au panier.

Référence de la pièce 920327 BXT ML4 BE 180

GTIN 4013364109087, Clients tariffs no (UE): 85363010, Poids brut: 31.30 g, Prix unitaire: 1.00 pc(s)

Précédent

Images

Plus d'informations

BLITZDUCTOR XT BE 180 combined arrester module with LifeCheck
BLITZDUCTOR XT combined arrester module
SPD class: type 1/P2
tested to EN 61643-21 and
energy-coordinated acc. to IEC 61643-22
for protecting four single cores
Integrated LifeCheck for contactless arrester testing
Can be plugged into BXT BAS / BSP BAS 4 base parts
Max. continuous operating voltage (d.c.): 180 V
Nominal current at 45 °C: 1.0 A
D1 Total lightning impulse current (10/350 µs): 10 kA
D1 Lightning impulse current (10/350 µs) per line: 2.5 kA

Brand: DEHN
Type: BXT ML4 BE 180
Part No.: 920327
or equivalent.

Certificats

 

Caractéristiques techniques

SPD class L
Max. continuous operating voltage (d.c.) (UC ) 180 V
Nominal current at 45 °C (IL ) 1.0 A
D1 Total lightning impulse current (10/350 µs) (Iimp ) 10 kA
C2 Total nominal discharge current (8/20 µs) (In ) 20 kA
Series resistance per line 1.0 ohm(s)
Cut-off frequency line-PG (fG ) 25.0 MHz
Approvals CSA, UL 497B, ATEX, IECEx, CSA & USA Hazloc, SIL
*) For more detailed information, please visit www.dehn-international.com.

Le produit 920327 a été ajouté au bloc-notes

Le produit 920327 a été ajouté au panier.


BXT ML4 BD 5 – BD 180

Space-saving combined lightning current and surge arrester module with RFID LifeCheck for protecting two pairs of unearthed balanced interfaces. If LifeCheck detects thermal or electrical overload, the arrester has to be replaced. This status is indicated contactlessly by the DEHNrecord LC / SCM / MCM reader.

6 Produits

Référence de la pièce 920340 BXT ML4 BD 5

GTIN 4013364108967, Clients tariffs no (UE): 85363010, Poids brut: 30.10 g, Prix unitaire: 1.00 pc(s)

Précédent

Images

Plus d'informations

BLITZDUCTOR XT BD 5 combined arrester module with LifeCheck
BLITZDUCTOR XT combined arrester module
SPD class: type 1/P1
tested to EN 61643-21 and
energy-coordinated acc. to IEC 61643-22
for protecting two pairs
Integrated LifeCheck for contactless arrester testing
Can be plugged into BXT BAS / BSP BAS 4 base parts
Max. continuous operating voltage (d.c.): 6.0 V
Nominal current at 45 °C: 1.0 A
D1 Total lightning impulse current (10/350 µs): 10 kA
D1 Lightning impulse current (10/350 µs) per line: 2.5 kA

Brand: DEHN
Type: BXT ML4 BD 5
Part No.: 920340
or equivalent.

Certificats

 

Caractéristiques techniques

SPD class M
Max. continuous operating voltage (d.c.) (UC ) 6.0 V
Nominal current at 45 °C (IL ) 1.0 A
D1 Total lightning impulse current (10/350 µs) (Iimp ) 10 kA
C2 Total nominal discharge current (8/20 µs) (In ) 20 kA
Series resistance per line 1.0 ohm(s)
Cut-off frequency line-line (fG ) 1.0 MHz
Approvals CSA, UL 497B, ATEX, IECEx, CSA & USA Hazloc, SIL
*) For more detailed information, please visit www.dehn-international.com.

Le produit 920340 a été ajouté au bloc-notes

Le produit 920340 a été ajouté au panier.

Référence de la pièce 920342 BXT ML4 BD 12

GTIN 4013364108974, Clients tariffs no (UE): 85363010, Poids brut: 30.30 g, Prix unitaire: 1.00 pc(s)

Précédent

Images

Plus d'informations

BLITZDUCTOR XT BD 12 combined arrester module with LifeCheck
BLITZDUCTOR XT combined arrester module
SPD class: type 1/P1
tested to EN 61643-21 and
energy-coordinated acc. to IEC 61643-22
for protecting two pairs
Integrated LifeCheck for contactless arrester testing
Can be plugged into BXT BAS / BSP BAS 4 base parts
Max. continuous operating voltage (d.c.): 15 V
Nominal current at 45 °C: 1.0 A
D1 Total lightning impulse current (10/350 µs): 10 kA
D1 Lightning impulse current (10/350 µs) per line: 2.5 kA

Brand: DEHN
Type: BXT ML4 BD 12
Part No.: 920342
or equivalent.

Certificats

 

Caractéristiques techniques

SPD class M
Max. continuous operating voltage (d.c.) (UC ) 15 V
Nominal current at 45 °C (IL ) 1.0 A
D1 Total lightning impulse current (10/350 µs) (Iimp ) 10 kA
C2 Total nominal discharge current (8/20 µs) (In ) 20 kA
Series resistance per line 1.0 ohm(s)
Cut-off frequency line-line (fG ) 2.8 MHz
Approvals CSA, UL 497B, ATEX, IECEx, CSA & USA Hazloc, SIL
*) For more detailed information, please visit www.dehn-international.com.

Le produit 920342 a été ajouté au bloc-notes

Le produit 920342 a été ajouté au panier.

Référence de la pièce 920344 BXT ML4 BD 24

GTIN 4013364108981, Clients tariffs no (UE): 85363010, Poids brut: 45.30 g, Prix unitaire: 1.00 pc(s)

Précédent

Images

Plus d'informations

BLITZDUCTOR XT BD 24 combined arrester module with LifeCheck
BLITZDUCTOR XT combined arrester module
SPD class: type 1/P1
tested to EN 61643-21 and
energy-coordinated acc. to IEC 61643-22
for protecting two pairs
Integrated LifeCheck for contactless arrester testing
Can be plugged into BXT BAS / BSP BAS 4 base parts
Max. continuous operating voltage (d.c.): 33 V
Nominal current at 45 °C: 1.0 A
D1 Total lightning impulse current (10/350 µs): 10 kA
D1 Lightning impulse current (10/350 µs) per line: 2.5 kA

Brand: DEHN
Type: BXT ML4 BD 24
Part No.: 920344
or equivalent.

Certificats

 

Caractéristiques techniques

SPD class M
Max. continuous operating voltage (d.c.) (UC ) 33 V
Nominal current at 45 °C (IL ) 1.0 A
D1 Total lightning impulse current (10/350 µs) (Iimp ) 10 kA
C2 Total nominal discharge current (8/20 µs) (In ) 20 kA
Series resistance per line 1.0 ohm(s)
Cut-off frequency line-line (fG ) 7.8 MHz
Approvals CSA, UL 497B, ATEX, IECEx, CCC, CSA & USA Hazloc, SIL
*) For more detailed information, please visit www.dehn-international.com.

Le produit 920344 a été ajouté au bloc-notes

Le produit 920344 a été ajouté au panier.

Référence de la pièce 920345 BXT ML4 BD 48

GTIN 4013364108998, Clients tariffs no (UE): 85363010, Poids brut: 30.50 g, Prix unitaire: 1.00 pc(s)

Précédent

Images

Plus d'informations

BLITZDUCTOR XT BD 48 combined arrester module with LifeCheck
BLITZDUCTOR XT combined arrester module
SPD class: type 1/P1
tested to EN 61643-21 and
energy-coordinated acc. to IEC 61643-22
for protecting two pairs
Integrated LifeCheck for contactless arrester testing
Can be plugged into BXT BAS / BSP BAS 4 base parts
Max. continuous operating voltage (d.c.): 54 V
Nominal current at 45 °C: 1.0 A
D1 Total lightning impulse current (10/350 µs): 10 kA
D1 Lightning impulse current (10/350 µs) per line: 2.5 kA

Brand: DEHN
Type: BXT ML4 BD 48
Part No.: 920345
or equivalent.

Certificats

 

Caractéristiques techniques

SPD class M
Max. continuous operating voltage (d.c.) (UC ) 54 V
Nominal current at 45 °C (IL ) 1.0 A
D1 Total lightning impulse current (10/350 µs) (Iimp ) 10 kA
C2 Total nominal discharge current (8/20 µs) (In ) 20 kA
Series resistance per line 1.0 ohm(s)
Cut-off frequency line-line (fG ) 8.7 MHz
Approvals CSA, UL 497B, ATEX, IECEx, CSA & USA Hazloc, SIL
*) For more detailed information, please visit www.dehn-international.com.

Le produit 920345 a été ajouté au bloc-notes

Le produit 920345 a été ajouté au panier.

Référence de la pièce 920346 BXT ML4 BD 60

GTIN 4013364109001, Clients tariffs no (UE): 85363010, Poids brut: 30.70 g, Prix unitaire: 1.00 pc(s)

Précédent

Images

Plus d'informations

BLITZDUCTOR XT BD 60 combined arrester module with LifeCheck
BLITZDUCTOR XT combined arrester module
SPD class: type 1/P1
tested to EN 61643-21 and
energy-coordinated acc. to IEC 61643-22
for protecting two pairs
Integrated LifeCheck for contactless arrester testing
Can be plugged into BXT BAS / BSP BAS 4 base parts
Max. continuous operating voltage (d.c.): 70 V
Nominal current at 45 °C: 1.0 A
D1 Total lightning impulse current (10/350 µs): 10 kA
D1 Lightning impulse current (10/350 µs) per line: 2.5 kA

Brand: DEHN
Type: BXT ML4 BD 60
Part No.: 920346
or equivalent.

Certificats

 

Caractéristiques techniques

SPD class M
Max. continuous operating voltage (d.c.) (UC ) 70 V
Nominal current at 45 °C (IL ) 1.0 A
D1 Total lightning impulse current (10/350 µs) (Iimp ) 10 kA
C2 Total nominal discharge current (8/20 µs) (In ) 20 kA
Series resistance per line 1.0 ohm(s)
Cut-off frequency line-line (fG ) 11.0 MHz
Approvals CSA, UL 497B, ATEX, IECEx, CSA & USA Hazloc, SIL
*) For more detailed information, please visit www.dehn-international.com.

Le produit 920346 a été ajouté au bloc-notes

Le produit 920346 a été ajouté au panier.

Référence de la pièce 920347 BXT ML4 BD 180

GTIN 4013364109018, Clients tariffs no (UE): 85363010, Poids brut: 30.50 g, Prix unitaire: 1.00 pc(s)

Précédent

Images

Plus d'informations

BLITZDUCTOR XT BD 180 combined arrester module with LifeCheck
BLITZDUCTOR XT combined arrester module
SPD class: type 1/P1
tested to EN 61643-21 and
energy-coordinated acc. to IEC 61643-22
for protecting two pairs
Integrated LifeCheck for contactless arrester testing
Can be plugged into BXT BAS / BSP BAS 4 base parts
Max. continuous operating voltage (d.c.): 180 V
Nominal current at 45 °C: 0.75 A
D1 Total lightning impulse current (10/350 µs): 10 kA
D1 Lightning impulse current (10/350 µs) per line: 2.5 kA

Brand: DEHN
Type: BXT ML4 BD 180
Part No.: 920347
or equivalent.

Certificats

 

Caractéristiques techniques

SPD class L
Max. continuous operating voltage (d.c.) (UC ) 180 V
Nominal current at 45 °C (IL ) 0.75 A
D1 Total lightning impulse current (10/350 µs) (Iimp ) 10 kA
C2 Total nominal discharge current (8/20 µs) (In ) 20 kA
Series resistance per line 1.8 ohm(s)
Cut-off frequency line-line (fG ) 25.0 MHz
Approvals CSA, UL 497B, ATEX, IECEx, CSA & USA Hazloc, SIL
*) For more detailed information, please visit www.dehn-international.com.

Le produit 920347 a été ajouté au bloc-notes

Le produit 920347 a été ajouté au panier.


BXT ML4 BPD 24

Space-saving combined arrester module with RFID LifeCheck for protecting two pairs in 24 V d.c. systems. Can also be used for systems with earthed negative poles. Integrated PTC resistors allow to reliably reset the arrester after the system circuit has been affected by short-circuit currents up to 40 A.

1 Produit

Référence de la pièce 920314 BXT ML4 BPD 24

GTIN 4013364261396, Clients tariffs no (UE): 85363010, Poids brut: 39.66 g, Prix unitaire: 1.00 pc(s)


Images

Plus d'informations

BLITZDUCTOR XT BPD 24 combined arrester module with LifeCheck
BLITZDUCTOR XT combined arrester module
SPD class: type 1/P1
tested to EN 61643-21 and
energy-coordinated acc. to IEC 61643-22
for protecting two pairs in 24 V d.c. systems
Can also be used for systems with earthed negative pole
With integrated PTC resistors for overcurrent protection up to 40 A
Integrated LifeCheck for contactless arrester testing
Can be plugged into BXT BAS / BSP BAS 4 base parts
Max. continuous operating voltage (d.c.): 33 V
Nominal current at 70 °C: 0.1 A
D1 Total lightning impulse current (10/350 µs): 10 kA
D1 Lightning impulse current (10/350 µs) per line: 2.5 kA

Brand: DEHN
Type: BXT ML4 BPD 24
Part No.: 920314
or equivalent.

Certificats

 

Caractéristiques techniques

SPD class M
Max. continuous operating voltage (d.c.) (UC ) 33 V
Nominal current at 70 °C (IL ) 0.1 A
D1 Total lightning impulse current (10/350 µs) (Iimp ) 10 kA
C2 Total nominal discharge current (8/20 µs) (In ) 20 kA
Series resistance per line typ. 10 ohm(s)
Cut-off frequency line-line (fG ) 4 MHz
Approvals SIL

Le produit 920314 a été ajouté au bloc-notes

Le produit 920314 a été ajouté au panier.


BXT ML4 BC 5 / 24

Space-saving combined lightning current and surge arrester module with RFID LifeCheck for protecting up to four unearthed single lines sharing a common reference potential. If LifeCheck detects thermal or electrical overload, the arrester has to be replaced. This status is indicated contactlessly by the DEHNrecord LC / SCM / MCM reader.

2 Produits

Référence de la pièce 920350 BXT ML4 BC 5

GTIN 4013364109131, Clients tariffs no (UE): 85363010, Poids brut: 30.60 g, Prix unitaire: 1.00 pc(s)


Images

Plus d'informations

BLITZDUCTOR XT BXT ML4 BC 5 combined arrester module with LifeCheck
BLITZDUCTOR XT combined arrester module
SPD class: type 1/P1
tested to EN 61643-21 and
energy-coordinated acc. to IEC 61643-22
for protecting four unearthed single cores sharing a reference potential
Integrated LifeCheck for contactless arrester testing
Can be plugged into BXT BAS / BSP BAS 4 base parts
Max. continuous operating voltage (d.c.): 6.0 V
Nominal current at 45 °C: 1.0 A
D1 Total lightning impulse current (10/350 µs): 10 kA
D1 Lightning impulse current (10/350 µs) per line: 2.5 kA

Brand: DEHN
Type: BXT ML4 BC 5
Part No.: 920350
or equivalent.

Certificats

 

Caractéristiques techniques

SPD class M
Max. continuous operating voltage (d.c.) (UC ) 6.0 V
Nominal current at 45 °C (IL ) 1.0 A
D1 Total lightning impulse current (10/350 µs) (Iimp ) 10 kA
C2 Total nominal discharge current (8/20 µs) (In ) 20 kA
Series resistance per line 1.0 ohm(s)
Cut-off frequency line-line (fG ) 1.0 MHz
Approvals CSA, ATEX, IECEx, CSA & USA Hazloc, SIL
*) For more detailed information, please visit www.dehn-international.com.

Le produit 920350 a été ajouté au bloc-notes

Le produit 920350 a été ajouté au panier.

Référence de la pièce 920354 BXT ML4 BC 24

GTIN 4013364109148, Clients tariffs no (UE): 85363010, Poids brut: 30.90 g, Prix unitaire: 1.00 pc(s)


Images

Plus d'informations

BLITZDUCTOR XT BXT ML4 BC 24 combined arrester module with LifeCheck
BLITZDUCTOR XT combined arrester module
SPD class: type 1/P1
tested to EN 61643-21 and
energy-coordinated acc. to IEC 61643-22
for protecting four unearthed single cores sharing a reference potential
Integrated LifeCheck for contactless arrester testing
Can be plugged into BXT BAS / BSP BAS 4 base parts
Max. continuous operating voltage (d.c.): 33 V
Nominal current at 45 °C: 0.75 A
D1 Total lightning impulse current (10/350 µs): 10 kA
D1 Lightning impulse current (10/350 µs) per line: 2.5 kA

Brand: DEHN
Type: BXT ML4 BC 24
Part No.: 920354
or equivalent.

Certificats

 

Caractéristiques techniques

SPD class M
Max. continuous operating voltage (d.c.) (UC ) 33 V
Nominal current at 45 °C (IL ) 0.75 A
D1 Total lightning impulse current (10/350 µs) (Iimp ) 10 kA
C2 Total nominal discharge current (8/20 µs) (In ) 20 kA
Series resistance per line 1.8 ohm(s)
Cut-off frequency line-line (fG ) 5.7 MHz
Approvals CSA, ATEX, IECEx, CSA & USA Hazloc, SIL
*) For more detailed information, please visit www.dehn-international.com.

Le produit 920354 a été ajouté au bloc-notes

Le produit 920354 a été ajouté au panier.


BXT ML4 BE C 12 / 24

Space-saving combined lightning current and surge arrester module with RFID LifeCheck for protecting two pairs of balanced interfaces with diode protective circuit at the input, current loops (TTY) and optocoupler inputs. If LifeCheck detects thermal or electrical overload, the arrester has to be replaced. This status is indicated contactlessly by the DEHNrecord LC / SCM / MCM reader.

2 Produits

Référence de la pièce 920362 BXT ML4 BE C 12

GTIN 4013364120587, Clients tariffs no (UE): 85363010, Poids brut: 31.20 g, Prix unitaire: 1.00 pc(s)

Précédent

Images

Plus d'informations

BLITZDUCTOR XT BXT ML4 BE C 12 combined arrester module with LifeCheck
BLITZDUCTOR XT combined arrester module
SPD class: type 1/P1, four-pole
tested to EN 61643-21 and
energy-coordinated acc. to IEC 61643-22
For protection of balanced interfaces with
diode protection circuit at the input,
current loops and optocoupler inputs
With integrated LifeCheck for contactless arrester testing
Can be plugged into BXT BAS / BSP BAS 4 base parts
Max. continuous operating voltage (d.c.): 15 V
Nominal current at 80 °C: 0.1 A
D1 Total lightning impulse current (10/350 µs): 10 kA
D1 Lightning impulse current (10/350 µs) per line: 2.5 kA

Brand: DEHN
Type: BXT ML4 BE C 12
Part No.: 920362
or equivalent.

Certificats

 

Caractéristiques techniques

SPD class M
Max. continuous operating voltage (d.c.) (UC ) 15 V
Nominal current at 80 °C (IL ) 0.1 A
D1 Total lightning impulse current (10/350 µs) (Iimp ) 10 kA
C2 Total nominal discharge current (8/20 µs) (In ) 20 kA
Series resistance per line 13.8 ohm(s)
Cut-off frequency line-PG (fG ) 0.85 MHz
Approvals ATEX, IECEx, CSA & USA Hazloc, SIL
*) For more detailed information, please visit www.dehn-international.com.

Le produit 920362 a été ajouté au bloc-notes

Le produit 920362 a été ajouté au panier.

Référence de la pièce 920364 BXT ML4 BE C 24

GTIN 4013364109155, Clients tariffs no (UE): 85363010, Poids brut: 31.70 g, Prix unitaire: 1.00 pc(s)

Précédent

Images

Plus d'informations

BLITZDUCTOR XT BXT ML4 BE C 24 combined arrester module with LifeCheck
BLITZDUCTOR XT combined arrester module
SPD class: type 1/P1, four-pole,
tested to EN 61643-21 and
energy-coordinated acc. to IEC 61643-22
For protection of balanced interfaces with
diode protection circuit at the input,
current loops and optocoupler inputs
With integrated LifeCheck for contactless arrester testing
Can be plugged into BXT BAS / BSP BAS 4 base parts
Max. continuous operating voltage (d.c.): 33 V
Nominal current at 80 °C: 0.1 A
D1 Total lightning impulse current (10/350 µs): 10 kA
D1 Lightning impulse current (10/350 µs) per line: 2.5 kA

Brand: DEHN
Type: BXT ML4 BE C 24
Part No.: 920364
or equivalent.

Certificats

 

Caractéristiques techniques

SPD class M
Max. continuous operating voltage (d.c.) (UC ) 33 V
Nominal current at 80 °C (IL ) 0.1 A
D1 Total lightning impulse current (10/350 µs) (Iimp ) 10 kA
C2 Total nominal discharge current (8/20 µs) (In ) 20 kA
Series resistance per line 28.8 ohm(s)
Cut-off frequency line-PG (fG ) 1.7 MHz
Approvals CSA, ATEX, IECEx, CSA & USA Hazloc, SIL
*) For more detailed information, please visit www.dehn-international.com.

Le produit 920364 a été ajouté au bloc-notes

Le produit 920364 a été ajouté au panier.


BXT ML4 BE HF 5

Space-saving combined lightning current and surge arrester module with RFID LifeCheck for protecting four single lines sharing a common reference potential as well as high-frequency transmissions without galvanic isolation. If LifeCheck detects thermal or electrical overload, the arrester has to be replaced. This status is indicated contactlessly by the DEHNrecord LC / SCM / MCM reader.

1 Produit

Référence de la pièce 920370 BXT ML4 BE HF 5

GTIN 4013364109117, Clients tariffs no (UE): 85363010, Poids brut: 31.00 g, Prix unitaire: 1.00 pc(s)

Précédent

Images

Plus d'informations

BLITZDUCTOR XT BXT ML4 BE HF 5 combined arrester module with LifeCheck
BLITZDUCTOR XT combined arrester module
SPD class: type 1/P1,
tested to EN 61643-21 and
energy-coordinated acc. to IEC 61643-22
For protecting 2 pairs
Suitable for high data rates
Integrated LifeCheck for contactless arrester testing
Can be plugged into BXT BAS / BSP BAS 4 base parts
Max. continuous operating voltage (d.c.): 6.0 V
Nominal current at 45 °C: 1.0 A
D1 Total lightning impulse current (10/350 µs): 10 kA
D1 Lightning impulse current (10/350 µs) per line: 2.5 kA

Brand: DEHN
Type: BXT ML4 BE HF 5
Part No.: 920370
or equivalent.

Certificats

 

Caractéristiques techniques

SPD class M
Max. continuous operating voltage (d.c.) (UC ) 6.0 V
Nominal current at 45 °C (IL ) 1.0 A
D1 Total lightning impulse current (10/350 µs) (Iimp ) 10 kA
C2 Total nominal discharge current (8/20 µs) (In ) 20 kA
Series resistance per line 1.0 ohm(s)
Cut-off frequency line-PG (fG ) 100.0 MHz
Approvals CSA, UL 497B, ATEX, IECEx, CCC, CSA & USA Hazloc, SIL
*) For more detailed information, please visit www.dehn-international.com.

Le produit 920370 a été ajouté au bloc-notes

Le produit 920370 a été ajouté au panier.


BXT ML4 BD HF 5 / 24

Space-saving combined lightning current and surge arrester module with RFID LifeCheck for protecting two pairs of unearthed high-frequency bus systems or two-wire video transmission systems. If LifeCheck detects thermal or electrical overload, the arrester has to be replaced. This status is indicated contactlessly by the DEHNrecord LC / SCM / MCM reader.

2 Produits

Référence de la pièce 920371 BXT ML4 BD HF 5

GTIN 4013364109094, Clients tariffs no (UE): 85363010, Poids brut: 30.80 g, Prix unitaire: 1.00 pc(s)

Précédent

Images

Plus d'informations

BLITZDUCTOR XT BXT ML4 BD HF 5 combined arrester module with LifeCheck
BLITZDUCTOR XT combined arrester module
SPD class: type 1/P1,
tested to EN 61643-21 and
energy-coordinated acc. to IEC 61643-22
For protecting 2 pairs
Suitable for high data rates
Integrated LifeCheck for contactless arrester testing
Can be plugged into BXT BAS / BSP BAS 4 base parts
Max. continuous operating voltage (d.c.): 6.0 V
Nominal current at 45 °C: 1.0 A
D1 Total lightning impulse current (10/350 µs): 10 kA
D1 Lightning impulse current (10/350 µs) per line: 2.5 kA

Brand: DEHN
Type: BXT ML4 BD HF 5
Part No.: 920371
or equivalent.

Certificats

 

Caractéristiques techniques

SPD class M
Max. continuous operating voltage (d.c.) (UC ) 6.0 V
Nominal current at 45 °C (IL ) 1.0 A
D1 Total lightning impulse current (10/350 µs) (Iimp ) 10 kA
C2 Total nominal discharge current (8/20 µs) (In ) 20 kA
Series resistance per line 1.0 ohm(s)
Cut-off frequency line-line (fG ) 100.0 MHz
Approvals CSA, UL 497B, ATEX, IECEx, CCC, CSA & USA Hazloc, SIL
*) For more detailed information, please visit www.dehn-international.com.

Le produit 920371 a été ajouté au bloc-notes

Le produit 920371 a été ajouté au panier.

Référence de la pièce 920375 BXT ML4 BD HF 24

GTIN 4013364109100, Clients tariffs no (UE): 85363010, Poids brut: 31.00 g, Prix unitaire: 1.00 pc(s)

Précédent

Images

Plus d'informations

BLITZDUCTOR XT BXT ML4 BD HF 24 combined arrester module with LifeCheck
BLITZDUCTOR XT combined arrester module
SPD class: type 1/P1,
tested to EN 61643-21 and
energy-coordinated acc. to IEC 61643-22
For protecting 2 pairs
Suitable for high data rates
Integrated LifeCheck for contactless arrester testing
Can be plugged into BXT BAS / BSP BAS 4 base parts
Max. continuous operating voltage (d.c.): 33 V
Nominal current at 45 °C: 1.0 A
D1 Total lightning impulse current (10/350 µs): 10 kA
D1 Lightning impulse current (10/350 µs) per line: 2.5 kA

Brand: DEHN
Type: BXT ML4 BD HF 24
Part No.: 920375
or equivalent.

Certificats

 

Caractéristiques techniques

SPD class M
Max. continuous operating voltage (d.c.) (UC ) 33 V
Nominal current at 45 °C (IL ) 1.0 A
D1 Total lightning impulse current (10/350 µs) (Iimp ) 10 kA
C2 Total nominal discharge current (8/20 µs) (In ) 20 kA
Series resistance per line 1.0 ohm(s)
Cut-off frequency line-line (fG ) 100.0 MHz
Approvals CSA, UL 497B, ATEX, IECEx, CSA & USA Hazloc, SIL
*) For more detailed information, please visit www.dehn-international.com.

Le produit 920375 a été ajouté au bloc-notes

Le produit 920375 a été ajouté au panier.


BXT ML4 MY 110 / 250

Space-saving surge arrester module with RFID LifeCheck for protecting four lines of stranded signal interfaces. If LifeCheck detects thermal or electrical overload, the arrester has to be replaced. This status is indicated contactlessly by the DEHNrecord LC / SCM / MCM reader.

2 Produits

Référence de la pièce 920388 BXT ML4 MY 110

GTIN 4013364137370, Clients tariffs no (UE): 85363010, Poids brut: 34.70 g, Prix unitaire: 1.00 pc(s)


Images

Plus d'informations

BLITZDUCTOR XT BXT ML4 MY 110 combined arrester module with LifeCheck
BLITZDUCTOR XT surge arrester module
SPD class: type 2/P2,
tested to EN 61643-21 and
energy-coordinated acc. to IEC 61643-22
For protecting 2 galvanically isolated balanced interfaces
Integrated LifeCheck for contactless arrester testing
Can be plugged into BXT BAS / BSP BAS 4 base parts
Nominal current at 80 °C: 3.0 A

Brand: DEHN
Type: BXT ML4 MY 110
Part No.: 920388
or equivalent.

Certificats

 

Caractéristiques techniques

SPD class U
Max. continuous operating voltage (d.c.) line-line (UC ) 170 V
Max. continuous operating voltage (d.c.) line-PG (UC ) 85 V
Nominal current at 80 °C (IL ) 3.0 A
C2 Total nominal discharge current (8/20 µs) (In ) 10 kA
Cut-off frequency line-line (fG ) 4.5 MHz
Approvals SIL
*) For more detailed information, please visit www.dehn-international.com.

Le produit 920388 a été ajouté au bloc-notes

Le produit 920388 a été ajouté au panier.

Référence de la pièce 920389 BXT ML4 MY 250

GTIN 4013364118447, Clients tariffs no (UE): 85363010, Poids brut: 36.70 g, Prix unitaire: 1.00 pc(s)

Précédent

Images

Plus d'informations

BLITZDUCTOR XT BXT ML4 MY 250 combined arrester module with LifeCheck
BLITZDUCTOR XT surge arrester module
SPD class: type 2/P3,
tested to EN 61643-21 and
energy-coordinated acc. to IEC 61643-22
For protecting 2 galvanically isolated balanced interfaces
Integrated LifeCheck for contactless arrester testing
Can be plugged into BXT BAS / BSP BAS 4 base parts
Nominal current at 80 °C: 3.0 A

Brand: DEHN
Type: BXT ML4 MY 250
Part No.: 920389
or equivalent.

Certificats

 

Caractéristiques techniques

SPD class V
Max. continuous operating voltage (d.c.) line-line (UC ) 620 V
Max. continuous operating voltage (d.c.) line-PG (UC ) 320 V
Nominal current at 80 °C (IL ) 3.0 A
C2 Total nominal discharge current (8/20 µs) (In ) 10 kA
Cut-off frequency line-line (fG ) 20.0 MHz
Approvals SIL
*) For more detailed information, please visit www.dehn-international.com.

Le produit 920389 a été ajouté au bloc-notes

Le produit 920389 a été ajouté au panier.


BXT ML4 BE BD 24

Space-saving surge arrester module with RFID LifeCheck for protecting two single lines with common reference potential as well as unbalanced interfaces and one pair of unearthed balanced interfaces. LifeCheck detects thermal or electrical overload after which the arrester has to be replaced. The status is indicated contactlessly by DEHNrecord LC / MCM.

1 Produit

Référence de la pièce 920334 BXT ML4 BE BD 24

GTIN 4013364152229, Clients tariffs no (UE): 85363010, Poids brut: 29.59 g, Prix unitaire: 1.00 pc(s)


Images

Plus d'informations

Combined arrester module with LifeCheck BLITZDUCTOR XT BXT ML4 BE BD 24
Protection module of SPD class Type 1 / P1 BLITZDUCTOR XT,
tested acc. to EN 61643-21 and energy-coordinated
acc. to IEC 61643-22 for protecting two single lines
with common reference potential as well as unbalanced
interfaces and one pair of unearthed
balanced interfaces. With integrated LifeCheck
for contactless checking of arrester. Pluggable
into base part BXT BAS / BSP BAS 4.
Max. continuous operating voltage (d.c.): 33 V
Nominal current at 45 °C: 0.75 A
D1 Total lightning impulse current (10/350 µs): 10 kA
D1 Lightning impulse current (10/350 µs) per line: 2.5 kA

Brand: DEHN
Type: BXT ML4 BE BD 24
Part No.: 920334
or equivalent.

Certificats

 

Caractéristiques techniques

SPD class M
Max. continuous operating voltage (d.c.) (UC ) 33 V
Nominal current at 45 °C (IL ) 0.75 A
D1 Total lightning impulse current (10/350 µs) (Iimp ) 10 kA
C2 Total nominal discharge current (8/20 µs) (In ) 20 kA

Le produit 920334 a été ajouté au bloc-notes

Le produit 920334 a été ajouté au panier.


BXT ML2 BD 180

Space-saving combined arrester module with RFID LifeCheck for protecting 1 pair of unearthed symmetrical interfaces. If LifeCheck detects thermal and electrical overloads after which the arrester has to be replaced. This status is indicated contactlessly by DEHNrecord LC / SCM / MCM.

1 Produit

Référence de la pièce 920247 BXT ML2 BD 180

GTIN 4013364116078, Clients tariffs no (UE): 85363010, Poids brut: 49.60 g, Prix unitaire: 1.00 pc(s)

Précédent

Images

Plus d'informations

BLITZDUCTOR XT BXT ML2 BD 180 combined arrester module with LifeCheck
BLITZDUCTOR XT combined arrester module
SPD class: type 1/P2,
tested to EN 61643-21 and
energy-coordinated acc. to IEC 61643-22
For protecting 1 pair
Integrated LifeCheck for contactless arrester testing
Can be plugged into BXT BAS / BSP BAS 4 base parts
Max. continuous operating voltage (d.c.): 180 V
Nominal current at 45 °C: 0.75 A
D1 Total lightning impulse current (10/350 µs): 5 kA
D1 Lightning impulse current (10/350 µs) per line: 2.5 kA

Brand: DEHN
Type: BXT ML2 BD 180
Part No.: 920247
or equivalent.

Certificats

 

Caractéristiques techniques

SPD class L
Max. continuous operating voltage (d.c.) (UC ) 180 V
Nominal current at 45 °C (IL ) 0.75 A
D1 Total lightning impulse current (10/350 µs) (Iimp ) 5 kA
C2 Total nominal discharge current (8/20 µs) (In ) 20 kA
Series resistance per line 1.8 ohm(s)
Cut-off frequency line-line (fG ) 25.0 MHz
Approvals CSA, ATEX, IECEx, CSA & USA Hazloc, SIL
*) For more detailed information, please visit www.dehn-international.com.

Le produit 920247 a été ajouté au bloc-notes

Le produit 920247 a été ajouté au panier.


BXT ML2 BD S 5 – BD S 48

Space-saving combined arrester module with RFID LifeCheck for protecting 1 pair of unearthed symmetrical interfaces, either direct or indirect shield earthing If LifeCheck detects thermal and electrical overloads after which the arrester has to be replaced. This status is indicated contactlessly by DEHNrecord LC / SCM / MCM.

4 Produits

Référence de la pièce 920240 BXT ML2 BD S 5

GTIN 4013364118348, Clients tariffs no (UE): 85363010, Poids brut: 27.50 g, Prix unitaire: 1.00 pc(s)

Précédent

Images

Plus d'informations

BLITZDUCTOR XT BXT ML2 BD S 5 combined arrester module with LifeCheck
BLITZDUCTOR XT combined arrester module
SPD class: type 1/P1,
tested to EN 61643-21 and
energy-coordinated acc. to IEC 61643-22
For protecting 1 pair, direct or indirect shield earthing
Integrated LifeCheck for contactless arrester testing
Can be plugged into BXT BAS / BSP BAS 4 base parts
Max. continuous operating voltage (d.c.): 6.0 V
Nominal current at 45 °C: 1.0 A
D1 Total lightning impulse current (10/350 µs): 9 kA
D1 Lightning impulse current (10/350 µs) per line: 2.5 kA

Brand: DEHN
Type: BXT ML2 BD S 5
Part No.: 920240
or equivalent.

Certificats

 

Caractéristiques techniques

SPD class M
Max. continuous operating voltage (d.c.) (UC ) 6.0 V
Nominal current at 45 °C (IL ) 1.0 A
D1 Total lightning impulse current (10/350 µs) (Iimp ) 9 kA
C2 Total nominal discharge current (8/20 µs) (In ) 20 kA
Series resistance per line 1.0 ohm(s)
Cut-off frequency line-line (fG ) 1.0 MHz
Approvals CSA, ATEX, IECEx, CSA & USA Hazloc, SIL
*) For more detailed information, please visit www.dehn-international.com.

Le produit 920240 a été ajouté au bloc-notes

Le produit 920240 a été ajouté au panier.

Référence de la pièce 920242 BXT ML2 BD S 12

GTIN 4013364118362, Clients tariffs no (UE): 85363010, Poids brut: 27.60 g, Prix unitaire: 1.00 pc(s)

Précédent

Images

Plus d'informations

BLITZDUCTOR XT BXT ML2 BD S 12 combined arrester module with LifeCheck
BLITZDUCTOR XT combined arrester module
SPD class: type 1/P1,
tested to EN 61643-21 and
energy-coordinated acc. to IEC 61643-22
For protecting 1 pair, direct or indirect shield earthing
Integrated LifeCheck for contactless arrester testing
Can be plugged into BXT BAS / BSP BAS 4 base parts
Max. continuous operating voltage (d.c.): 15 V
Nominal current at 45 °C: 1.0 A
D1 Total lightning impulse current (10/350 µs): 9 kA
D1 Lightning impulse current (10/350 µs) per line: 2.5 kA

Brand: DEHN
Type: BXT ML2 BD S 12
Part No.: 920242
or equivalent.

Certificats

 

Caractéristiques techniques

SPD class M
Max. continuous operating voltage (d.c.) (UC ) 15 V
Nominal current at 45 °C (IL ) 1.0 A
D1 Total lightning impulse current (10/350 µs) (Iimp ) 9 kA
C2 Total nominal discharge current (8/20 µs) (In ) 20 kA
Series resistance per line 1.0 ohm(s)
Cut-off frequency line-line (fG ) 2.8 MHz
Approvals CSA, ATEX, IECEx, CSA & USA Hazloc, SIL
*) For more detailed information, please visit www.dehn-international.com.

Le produit 920242 a été ajouté au bloc-notes

Le produit 920242 a été ajouté au panier.

Référence de la pièce 920244 BXT ML2 BD S 24

GTIN 4013364117792, Clients tariffs no (UE): 85363010, Poids brut: 27.80 g, Prix unitaire: 1.00 pc(s)

Précédent

Images

Plus d'informations

BLITZDUCTOR XT BXT ML2 BD S 24 combined arrester module with LifeCheck
BLITZDUCTOR XT combined arrester module
SPD class: type 1/P1,
tested acc. to EN 61643-21 and
energy-coordinated acc. to IEC 61643-22
For protecting 1 pair, direct or indirect shield earthing
Integrated LifeCheck for contactless arrester testing
Can be plugged into BXT BAS / BSP BAS 4 base parts
Max. continuous operating voltage (d.c.): 33 V
Nominal current at 45 °C: 1.0 A
D1 Total lightning impulse current (10/350 µs): 9 kA
D1 Lightning impulse current (10/350 µs) per line: 2.5 kA

Brand: DEHN
Type: BXT ML2 BD S 24
Part No.: 920244
or equivalent.

Certificats

 

Caractéristiques techniques

SPD class M
Max. continuous operating voltage (d.c.) (UC ) 33 V
Nominal current at 45 °C (IL ) 1.0 A
D1 Total lightning impulse current (10/350 µs) (Iimp ) 9 kA
C2 Total nominal discharge current (8/20 µs) (In ) 20 kA
Series resistance per line 1.0 ohm(s)
Cut-off frequency line-line (fG ) 7.8 MHz
Approvals CSA, ATEX, IECEx, CCC, CSA & USA Hazloc, SIL
*) For more detailed information, please visit www.dehn-international.com.

Le produit 920244 a été ajouté au bloc-notes

Le produit 920244 a été ajouté au panier.

Référence de la pièce 920245 BXT ML2 BD S 48

GTIN 4013364118386, Clients tariffs no (UE): 85363010, Poids brut: 43.20 g, Prix unitaire: 1.00 pc(s)

Précédent

Images

Plus d'informations

BLITZDUCTOR XT BXT ML2 BD S 48 combined arrester module with LifeCheck
BLITZDUCTOR XT combined arrester module
SPD class: type 1/P1,
tested acc. to EN 61643-21 and
energy-coordinated acc. to IEC 61643-22
For protecting 1 pair, direct or indirect shield earthing
Integrated LifeCheck for contactless arrester testing
Can be plugged into BXT BAS / BSP BAS 4 base parts
Max. continuous operating voltage (d.c.): 54 V
Nominal current at 45 °C: 1.0 A
D1 Total lightning impulse current (10/350 µs): 9 kA
D1 Lightning impulse current (10/350 µs) per line: 2.5 kA

Brand: DEHN
Type: BXT ML2 BD S 48
Part No.: 920245
or equivalent.

Certificats

 

Caractéristiques techniques

SPD class M
Max. continuous operating voltage (d.c.) (UC ) 54 V
Nominal current at 45 °C (IL ) 1.0 A
D1 Total lightning impulse current (10/350 µs) (Iimp ) 9 kA
C2 Total nominal discharge current (8/20 µs) (In ) 20 kA
Series resistance per line 1.0 ohm(s)
Cut-off frequency line-line (fG ) 8.7 MHz
Approvals CSA, ATEX, IECEx, CSA & USA Hazloc, SIL
*) For more detailed information, please visit www.dehn-international.com.

Le produit 920245 a été ajouté au bloc-notes

Le produit 920245 a été ajouté au panier.


BXT ML2 BE S 5 – BE S 48

Space-saving combined lightning current and surge arrester module with RFID LifeCheck for protecting two single lines sharing a common reference potential as well as unbalanced interfaces, with direct or indirect shield earthing. If LifeCheck detects thermal or electrical overload, the arrester has to be replaced. This status is indicated contactlessly by the DEHNrecord LC / SCM / MCM reader.

5 Produits

Référence de la pièce 920220 BXT ML2 BE S 5

GTIN 4013364118331, Clients tariffs no (UE): 85363010, Poids brut: 43.40 g, Prix unitaire: 1.00 pc(s)

Précédent

Images

Plus d'informations

BLITZDUCTOR XT BXT ML2 BE S 5 combined arrester module with LifeCheck
BLITZDUCTOR XT combined arrester module
SPD class: type 1/P1,
tested acc. to EN 61643-21 and
energy-coordinated acc. to IEC 61643-22
For protecting 2 single cores, direct or indirect shield earthing
Integrated LifeCheck for contactless arrester testing
Can be plugged into BXT BAS / BSP BAS 4 base parts
Max. continuous operating voltage (d.c.): 6.0 V
Nominal current at 45 °C: 1.0 A
D1 Total lightning impulse current (10/350 µs): 9 kA
D1 Lightning impulse current (10/350 µs) per line: 2.5 kA

Brand: DEHN
Type: BXT ML2 BE S 5
Part No.: 920220
or equivalent.

Certificats

 

Caractéristiques techniques

SPD class M
Max. continuous operating voltage (d.c.) (UC ) 6.0 V
Nominal current at 45 °C (IL ) 1.0 A
D1 Total lightning impulse current (10/350 µs) (Iimp ) 9 kA
C2 Total nominal discharge current (8/20 µs) (In ) 20 kA
Series resistance per line 1.0 ohm(s)
Cut-off frequency line-PG (fG ) 1.0 MHz
Approvals CSA, ATEX, IECEx, CSA & USA Hazloc, SIL
*) For more detailed information, please visit www.dehn-international.com.

Le produit 920220 a été ajouté au bloc-notes

Le produit 920220 a été ajouté au panier.

Référence de la pièce 920222 BXT ML2 BE S 12

GTIN 4013364118355, Clients tariffs no (UE): 85363010, Poids brut: 27.90 g, Prix unitaire: 1.00 pc(s)

Précédent

Images

Plus d'informations

BLITZDUCTOR XT BXT ML2 BE S 12 combined arrester module with LifeCheck
BLITZDUCTOR XT combined arrester module
SPD class: type 1/P1,
tested acc. to EN 61643-21 and
energy-coordinated acc. to IEC 61643-22
For protecting 2 single cores, direct or indirect shield earthing
Integrated LifeCheck for contactless arrester testing
Can be plugged into BXT BAS / BSP BAS 4 base parts
Max. continuous operating voltage (d.c.): 15 V
Nominal current at 45 °C: 0.75 A
D1 Total lightning impulse current (10/350 µs): 9 kA
D1 Lightning impulse current (10/350 µs) per line: 2.5 kA

Brand: DEHN
Type: BXT ML2 BE S 12
Part No.: 920222
or equivalent.

Certificats

 

Caractéristiques techniques

SPD class M
Max. continuous operating voltage (d.c.) (UC ) 15 V
Nominal current at 45 °C (IL ) 0.75 A
D1 Total lightning impulse current (10/350 µs) (Iimp ) 9 kA
C2 Total nominal discharge current (8/20 µs) (In ) 20 kA
Series resistance per line 1.8 ohm(s)
Cut-off frequency line-PG (fG ) 2.7 MHz
Approvals CSA, ATEX, IECEx, CCC, CSA & USA Hazloc, SIL
*) For more detailed information, please visit www.dehn-international.com.

Le produit 920222 a été ajouté au bloc-notes

Le produit 920222 a été ajouté au panier.

Référence de la pièce 920224 BXT ML2 BE S 24

GTIN 4013364117785, Clients tariffs no (UE): 85363010, Poids brut: 44.00 g, Prix unitaire: 1.00 pc(s)

Précédent

Images

Plus d'informations

BLITZDUCTOR XT BXT ML2 BE S 24 combined arrester module with LifeCheck
BLITZDUCTOR XT combined arrester module
SPD class: type 1/P1,
tested acc. to EN 61643-21 and
energy-coordinated acc. to IEC 61643-22
For protecting 2 single cores, direct or indirect shield earthing
Integrated LifeCheck for contactless arrester testing
Can be plugged into BXT BAS / BSP BAS 4 base parts
Max. continuous operating voltage (d.c.): 33 V
Nominal current at 45 °C: 0.75 A
D1 Total lightning impulse current (10/350 µs): 9 kA
D1 Lightning impulse current (10/350 µs) per line: 2.5 kA

Brand: DEHN
Type: BXT ML2 BE S 24
Part No.: 920224
or equivalent.

Certificats

 

Caractéristiques techniques

SPD class M
Max. continuous operating voltage (d.c.) (UC ) 33 V
Nominal current at 45 °C (IL ) 0.75 A
D1 Total lightning impulse current (10/350 µs) (Iimp ) 9 kA
C2 Total nominal discharge current (8/20 µs) (In ) 20 kA
Series resistance per line 1.8 ohm(s)
Cut-off frequency line-PG (fG ) 6.8 MHz
Approvals CSA, ATEX, IECEx, CCC, CSA & USA Hazloc, SIL
*) For more detailed information, please visit www.dehn-international.com.

Le produit 920224 a été ajouté au bloc-notes

Le produit 920224 a été ajouté au panier.

Référence de la pièce 920226 BXT ML2 BE S 36

GTIN 4013364142121, Clients tariffs no (UE): 85363010, Poids brut: 30.10 g, Prix unitaire: 1.00 pc(s)


Images

Plus d'informations

BLITZDUCTOR XT BXT ML2 BE S 36 combined arrester module with LifeCheck
BLITZDUCTOR XT combined arrester module
SPD class: type 1/P1,
tested acc. to EN 61643-21 and
energy-coordinated acc. to IEC 61643-22
For protecting 2 single cores, direct or indirect shield earthing
Integrated LifeCheck for contactless arrester testing
Can be plugged into BXT BAS / BSP BAS 4 base parts
Max. continuous operating voltage (d.c.): 45 V
Nominal current at 45 °C: 1.8 A
D1 Total lightning impulse current (10/350 µs): 9 kA
D1 Lightning impulse current (10/350 µs) per line: 2.5 kA

Brand: DEHN
Type: BXT ML2 BE S 36
Part No.: 920226
or equivalent.

Certificats

 

Caractéristiques techniques

SPD class M
Max. continuous operating voltage (d.c.) (UC ) 45 V
Nominal current at 45 °C (IL ) 1.8 A
D1 Total lightning impulse current (10/350 µs) (Iimp ) 9 kA
C2 Total nominal discharge current (8/20 µs) (In ) 20 kA
Series resistance per line 0.43 ohm(s)
Cut-off frequency line-PG (fG ) 3.8 MHz
Approvals UL 497B, SIL
*) For more detailed information, please visit www.dehn-international.com.

Le produit 920226 a été ajouté au bloc-notes

Le produit 920226 a été ajouté au panier.

Référence de la pièce 920225 BXT ML2 BE S 48

GTIN 4013364118379, Clients tariffs no (UE): 85363010, Poids brut: 27.60 g, Prix unitaire: 1.00 pc(s)

Précédent

Images

Plus d'informations

BLITZDUCTOR XT BXT ML2 BE S 48 combined arrester module with LifeCheck
BLITZDUCTOR XT combined arrester module
SPD class: type 1/P1,
tested acc. to EN 61643-21 and
energy-coordinated acc. to IEC 61643-22
For protecting 2 single cores, direct or indirect shield earthing
Integrated LifeCheck for contactless arrester testing
Can be plugged into BXT BAS / BSP BAS 4 base parts
Max. continuous operating voltage (d.c.): 54 V
Nominal current at 45 °C: 0.75 A
D1 Total lightning impulse current (10/350 µs): 9 kA
D1 Lightning impulse current (10/350 µs) per line: 2.5 kA

Brand: DEHN
Type: BXT ML2 BE S 48
Part No.: 920225
or equivalent.

Certificats

 

Caractéristiques techniques

SPD class M
Max. continuous operating voltage (d.c.) (UC ) 54 V
Nominal current at 45 °C (IL ) 0.75 A
D1 Total lightning impulse current (10/350 µs) (Iimp ) 9 kA
C2 Total nominal discharge current (8/20 µs) (In ) 20 kA
Series resistance per line 1.8 ohm(s)
Cut-off frequency line-PG (fG ) 8.7 MHz
Approvals CSA, UL 497B, ATEX, IECEx, CSA & USA Hazloc, SIL
*) For more detailed information, please visit www.dehn-international.com.

Le produit 920225 a été ajouté au bloc-notes

Le produit 920225 a été ajouté au panier.


BXT ML2 BE HFS 5

Space-saving combined lightning current and surge arrester module with RFID LifeCheck for protecting one pair of high-frequency transmissions without galvanic isolation, with direct or indirect shield earthing. If LifeCheck detects thermal or electrical overload, the arrester has to be replaced. This status is indicated contactlessly by the DEHNrecord LC / SCM / MCM reader.

1 Produit

Référence de la pièce 920270 BXT ML2 BE HFS 5

GTIN 4013364117549, Clients tariffs no (UE): 85363010, Poids brut: 28.60 g, Prix unitaire: 1.00 pc(s)

Précédent

Images

Plus d'informations

BLITZDUCTOR XT BXT ML2 BE HFS 5 comb. arrester module with LifeCheck
BLITZDUCTOR XT combined arrester module
SPD class: type 1/P1,
tested acc. to EN 61643-21 and
energy-coordinated acc. to IEC 61643-22
For protecting 2 single cores, direct or indirect shield earthing
Integrated LifeCheck for contactless arrester testing
Can be plugged into BXT BAS / BSP BAS 4 base parts
Max. continuous operating voltage (d.c.): 6.0 V
Nominal current at 45 °C: 1.0 A
D1 Total lightning impulse current (10/350 µs): 9 kA
D1 Lightning impulse current (10/350 µs) per line: 2.5 kA

Brand: DEHN
Type: BXT ML2 BE HFS 5
Part No.: 920270
or equivalent.

Certificats

 

Caractéristiques techniques

SPD class M
Max. continuous operating voltage (d.c.) (UC ) 6.0 V
Nominal current at 45 °C (IL ) 1.0 A
D1 Total lightning impulse current (10/350 µs) (Iimp ) 9 kA
C2 Total nominal discharge current (8/20 µs) (In ) 20 kA
Series resistance per line 1.0 ohm(s)
Cut-off frequency line-PG (fG ) 100.0 MHz
Approvals CSA, UL 497B, ATEX, IECEx, CCC, CSA & USA Hazloc, SIL
*) For more detailed information, please visit www.dehn-international.com.

Le produit 920270 a été ajouté au bloc-notes

Le produit 920270 a été ajouté au panier.


BXT ML2 BD HFS 5

Space-saving combined lightning current and surge arrester module with RFID LifeCheck for protecting one pair of unearthed high-frequency bus systems or video transmission systems, with direct or indirect shield earthing. If LifeCheck detects thermal or electrical overload, the arrester has to be replaced. This status is indicated contactlessly by the DEHNrecord LC / SCM / MCM reader.

1 Produit

Référence de la pièce 920271 BXT ML2 BD HFS 5

GTIN 4013364117556, Clients tariffs no (UE): 85363010, Poids brut: 28.60 g, Prix unitaire: 1.00 pc(s)

Précédent

Images

Plus d'informations

BLITZDUCTOR XT BXT ML2 BD HFS 5 combined arrester module with LifeCheck
BLITZDUCTOR XT combined arrester module
SPD class: type 1/P1,
tested acc. to EN 61643-21 and
energy-coordinated acc. to IEC 61643-22
For protecting 1 pair
Suitable for hor high data rates, direct or indirect shield earthing
Integrated LifeCheck for contactless arrester testing
Can be plugged into BXT BAS / BSP BAS 4 base parts
Max. continuous operating voltage (d.c.): 6.0 V
Nominal current at 45 °C: 1.0 A
D1 Total lightning impulse current (10/350 µs): 9 kA
D1 Lightning impulse current (10/350 µs) per line: 2.5 kA

Brand: DEHN
Type: BXT ML2 BD HFS 5
Part No.: 920271
or equivalent.

Certificats

 

Caractéristiques techniques

SPD class M
Max. continuous operating voltage (d.c.) (UC ) 6.0 V
Nominal current at 45 °C (IL ) 1.0 A
D1 Total lightning impulse current (10/350 µs) (Iimp ) 9 kA
C2 Total nominal discharge current (8/20 µs) (In ) 20 kA
Series resistance per line 1.0 ohm(s)
Cut-off frequency line-line (fG ) 100.0 MHz
Approvals CSA, UL 497B, ATEX, IECEx, CCC, CSA & USA Hazloc, SIL
*) For more detailed information, please visit www.dehn-international.com.

Le produit 920271 a été ajouté au bloc-notes

Le produit 920271 a été ajouté au panier.


BXT ML2 B 180

Space-saving two-pole lightning current arrester module with RFID LifeCheck and shield earthing for almost all applications. For use in conjunction with downstream Q surge arresters or combined lightning current and surge arresters with a lower or equal voltage level. If LifeCheck detects thermal or electrical overload, the arrester has to be replaced. This status is indicated contactlessly by the DEHNrecord LC / SCM / MCM reader.

1 Produit

Référence de la pièce 920211 BXT ML2 B 180

GTIN 4013364120570, Clients tariffs no (UE): 85363010, Poids brut: 30.40 g, Prix unitaire: 1.00 pc(s)

Précédent

Images

Plus d'informations

BLITZDUCTOR XT BXT ML2 B 180 lightning current arrester module with LifeCheck
BLITZDUCTOR XT lightning current arrester module
SPD class: type 1,
tested acc. to EN 61643-21 and
energy-coordinated acc. to IEC 61643-22
For protecting 2 single cores
Integrated LifeCheck for contactless arrester testing
Can be plugged into BXT BAS / BSP BAS 4 base parts
Max. continuous operating voltage (d.c.): 180 V
Nominal current at 45 °C: 1.2 A
D1 Total lightning impulse current (10/350 µs): 10 kA
D1 Lightning impulse current (10/350 µs) per line: 2.5 kA

Brand: DEHN
Type: BXT ML2 B 180
Part No.: 920211
or equivalent.

Certificats

 

Caractéristiques techniques

SPD class H
Max. continuous operating voltage (d.c.) (UC ) 180 V
Nominal current at 45 °C (IL ) 1.2 A
D1 Total lightning impulse current (10/350 µs) (Iimp ) 10 kA
C2 Total nominal discharge current (8/20 µs) (In ) 20 kA
Series resistance per line 0.4 ohm(s)
Approvals CSA, ATEX, IECEx, CSA & USA Hazloc, SIL
*) For more detailed information, please visit www.dehn-international.com.

Le produit 920211 a été ajouté au bloc-notes

Le produit 920211 a été ajouté au panier.


BXT ML2 BD DL S 15

Space-saving combined lightning current and surge arrester module with RFID LifeCheck for protecting one pair of unearthed balanced interfaces, which specifically fulfils the requirements of Dupline buses, direct or indirect shield earthing. If LifeCheck detects thermal or electrical overload, the arrester has to be replaced. This status is indicated contactlessly by the DEHNrecord LC / SCM / MCM reader.

1 Produit

Référence de la pièce 920243 BXT ML2 BD DL S 15

GTIN 4013364126732, Clients tariffs no (UE): 85363010, Poids brut: 28.30 g, Prix unitaire: 1.00 pc(s)


Images

Plus d'informations

BLITZDUCTOR XT BXT ML2 BD DL S 15 combind arrester module with LifeCheck
Combined arrester module
SPD class: type 1/P1,
tested acc. to EN 61643-21 and
energy-coordinated acc. to IEC 61643-22
For protecting 1 pair of balanced interfaces
Ideally suited for Dupline busses, direct or indirect shield earthing
Integrated LifeCheck for contactless arrester testing
Can be plugged into BXT BAS / BSP BAS 4 base parts
Max. continuous operating voltage (d.c.): 17 V
Nominal current at 70 °C: 0.4 A
D1 Total lightning impulse current (10/350 µs): 9 kA
D1 Lightning impulse current (10/350 µs) per line: 2.5 kA

Brand: DEHN
Type: BXT ML2 BD DL S 15
Part No.: 920243
or equivalent.

Certificats

 

Caractéristiques techniques

SPD class M
Max. continuous operating voltage (d.c.) (UC ) 17 V
Nominal current at 70 °C (IL ) 0.4 A
D1 Total lightning impulse current (10/350 µs) (Iimp ) 9 kA
C2 Total nominal discharge current (8/20 µs) (In ) 20 kA
Series resistance per line 2.2 ohm(s)
Cut-off frequency line-line (fG ) 2.7 MHz
Approvals ATEX, IECEx, CSA & USA Hazloc, SIL
*) For more detailed information, please visit www.dehn-international.com.

Le produit 920243 a été ajouté au bloc-notes

Le produit 920243 a été ajouté au panier.


BXT ML2 MY 250

Space-saving surge arrester module with RFID LifeCheck for protecting two lines of stranded signal interfaces up to 250 V a.c. If LifeCheck detects thermal or electrical overload, the arrester has to be replaced. This status is indicated contactlessly by the DEHNrecord LC / SCM / MCM reader.

1 Produit

Référence de la pièce 920289 BXT ML2 MY 250

GTIN 4013364135840, Clients tariffs no (UE): 85363010, Poids brut: 29.20 g, Prix unitaire: 1.00 pc(s)

Précédent

Images

Plus d'informations

BLITZDUCTOR XT ML2 MY 250 surge arrester module with LifeCheck
BLITZDUCTOR XT surge arrester module
SPD class: type 2/P3,
tested acc. to EN 61643-21 and
energy-coordinated acc. to IEC 61643-22
For protecting 1 galvanically isolated balanced interface
Integrated LifeCheck for contactless arrester testing
Can be plugged into BXT BAS / BSP BAS 4 base parts
Nominal current at 80 °C: 3.0 A

Brand: DEHN
Type: BXT ML2 MY 250
Part No.: 920289
or equivalent.

Certificats

 

Caractéristiques techniques

SPD class V
Max. continuous operating voltage (d.c.) line-line (UC ) 620 V
Max. continuous operating voltage (d.c.) line-PG (UC ) 320 V
Nominal current at 80 °C (IL ) 3.0 A
C2 Total nominal discharge current (8/20 µs) (In ) 5 kA
Cut-off frequency line-line (fG ) 20.0 MHz
Approvals SIL
*) For more detailed information, please visit www.dehn-international.com.

Le produit 920289 a été ajouté au bloc-notes

Le produit 920289 a été ajouté au panier.


BXT ML2 MY E 110

Space-saving surge arrester module with RFID LifeCheck for protecting two pairs of stranded signal interfaces. If LifeCheck detects thermal or electrical overload, the arrester has to be replaced. This status is indicated contactlessly by the DEHNrecord LC / SCM / MCM reader.

1 Produit

Référence de la pièce 920288 BXT ML2 MY E 110

GTIN 4013364137363, Clients tariffs no (UE): 85363010, Poids brut: 31.60 g, Prix unitaire: 1.00 pc(s)


Images

Plus d'informations

BLITZDUCTOR XT ML2 MY E surge arrester module with LifeCheck
BLITZDUCTOR XT surge arrester module
SPD class: type 2/P2,
tested acc. to EN 61643-21 and
energy-coordinated acc. to IEC 61643-22
For protecting 2 galvanically isolated balanced interfaces
Integrated LifeCheck for contactless arrester testing
Can be plugged into BXT BAS / BSP BAS 4 base parts
Nominal current at 80 °C: 3.0 A

Brand: DEHN
Type: BXT ML2 MY E 110
Part No.: 920288
or equivalent.

Certificats

 

Caractéristiques techniques

SPD class U
Max. continuous operating voltage (d.c.) line-line (UC ) 170 V
Max. continuous operating voltage (d.c.) line-PG (UC ) 85 V
Nominal current at 80 °C (IL ) 3.0 A
C2 Total nominal discharge current (8/20 µs) (In ) 5 kA
Series resistance per line 0 ohm(s)
Cut-off frequency line-line (fG ) 4.5 MHz
Approvals SIL
*) For more detailed information, please visit www.dehn-international.com.

Le produit 920288 a été ajouté au bloc-notes

Le produit 920288 a été ajouté au panier.


BXT M2 BD HC5A 24

Space-saving combined lightning current and surge arrester module for protecting 1 pair of unearthed balanced interfaces. The module is adapted to interfaces with direct currents up to 5 A, e.g. for controlling motor-driven actuators with high starting and operating currents.

1 Produit

Référence de la pièce 920296 BXT M2 BD HC5A 24

GTIN 4013364340015, Clients tariffs no (UE): 85363010, Poids brut: 28.00 g, Prix unitaire: 1.00 pc(s)


Images

Plus d'informations

BLITZDUCTOR XT BXT M2 BD HC5A 25 combined arrester module
BLITZDUCTOR XT combined surge arrester module
SPD class: type 1/P1,
tested acc. to EN 61643-21 and
energy-coordinated acc. to IEC 61643-22
For protecting one pair
Can be plugged into the BXT BAS / BSP BAS 4 base part
Max. continuous operating voltage (d.c.): 36 V
Nominal current: 5 A
D1 Total lightning impulse current (10/350 µs): 5 kA
D1 Lightning impulse current (10/350 µs) per line: 2.5 kA

Brand: DEHN
Type: BXT M2 BD HC5A 24
Part No.: 920296
or equivalent.

Certificats

 

Caractéristiques techniques

SPD class M
Max. continuous operating voltage (d.c.) (UC ) 36 V
Nominal current (IL ) 5 A
D1 Total lightning impulse current (10/350 µs) (Iimp ) 5 kA
C2 Total nominal discharge current (8/20 µs) (In ) 20 kA
Series resistance per line 0 ohm(s)
Cut-off frequency line-line (fG ) 1.56 MHz
Approvals SIL
*) For more detailed information, please visit www.dehn-international.com.

Le produit 920296 a été ajouté au bloc-notes

Le produit 920296 a été ajouté au panier.


back to top