UGKF

  • Parafoudre sous forme d’adaptateur enfichable permettant de simplifier le rééquipement
  • Directement enfichable aux équipements terminaux avec technique de raccordement coaxiale
  • La mise à la terre intégrée indirecte du blindage evite tout circuit de terre

Détails

DGA BNC VC... pour un montage mural ou sur rail DIN.
lorem ipsum
DGA BNC VC... s'adapte facilement grâce au raccordement BNC.
lorem ipsum
Liste UL pour une utilisation spécifique au pays.
lorem ipsum
UGKF BNC est à enficher directement aux interfaces des équipements terminaux.
lorem ipsum

UGKF BNC

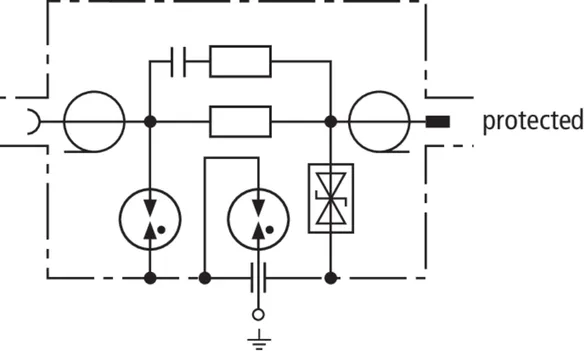
Parafoudre à deux niveaux pour les caméras vidéo et Arcnet avec raccordement BNC avec mise à la terre indirecte du blindage pour éviter les interférences CEM.

1 Produit

Référence de la pièce 929010 UGKF BNC

GTIN 4013364039940, Clients tariffs no (UE): 85363010, Poids brut: 67.70 g, Prix unitaire: 1.00 pièce(s)


Images

Plus d'informations


Tension d’utilisation permanente max DC: 8 V
C2 Courant nominal de décharge (8/20 µs) cond-blindage: 2,5 kA

produit : DEHN
Type: UGKF BNC
Référence: 929010
ou équivalent

Certificats

 

Caractéristiques techniques

Classe SPD T
Tension d’utilisation permanente max DC (UC ) 8 V
Courant nominal (IL ) 0,1 A
C2 Courant nominal de décharge (8/20 µs) cond-blindage (In ) 2,5 kA
Pertes par insertion sous 300 MHz (50 ohm) ≤ 3 dB
Pertes par retour de flux avec 40 MHz (50 ohm) ≥ 20 dB
Pertes par insertion sous 265 MHz (75 ohm) ≤ 3 dB
Pertes par retour de flux avec 40 MHz (75 ohm) ≥ 20 dB
Certifications CSA, UL

Le produit 929010 a été ajouté au bloc-notes

Le produit 929010 a été ajouté au panier.


back to top