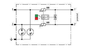
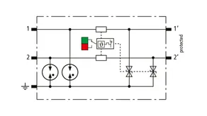
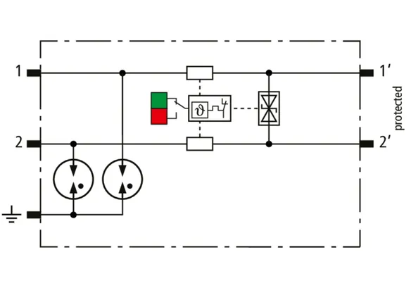
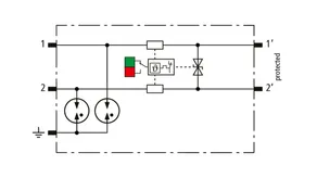
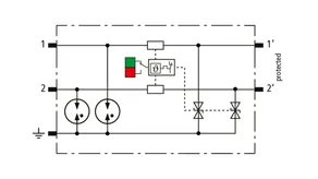
BLITZDUCTORconnect – Débrochable

Parafoudre universel
  • Pour la protection des circuits MCR, des systèmes de bus et de télécommunication
  • Capacité d’écoulement totale élevée 3 kA (10/350 µs), 10 kA (8/20 µs)
  • Capacité max. d’écoulement du courant d’impulsion (8/20µs) Imax jusqu’à 20 kA
  • Niveau de protection faible, convient aussi à la protection des appareils terminaux
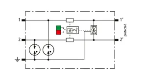
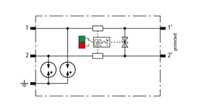
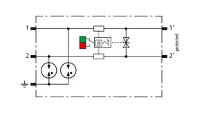
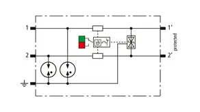
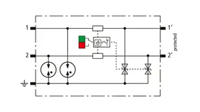
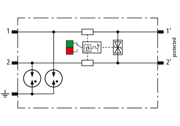
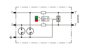
Parafoudre démontable composé d’un module et d’une embase
  • Connexion des câbles simple et rapide grâce à la technologie de connexion push-in
  • Tous les composants de protection intégrés dans le module
  • Boutons de déverrouillage secR des deux côtés pour un remplacement facile du module
  • Haute disponibilité de l’installation grâce à la technologie « fail-safe »
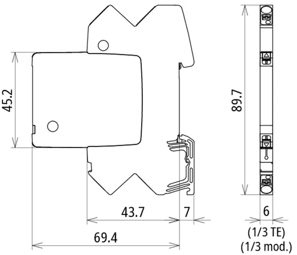
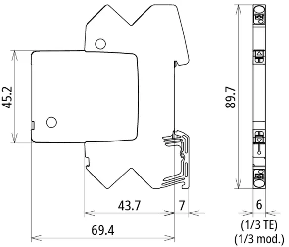
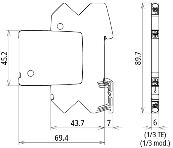
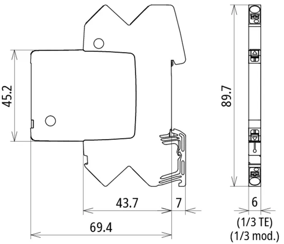
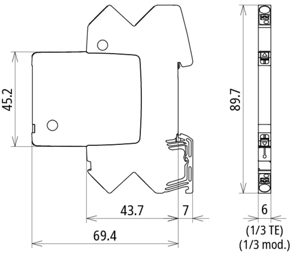
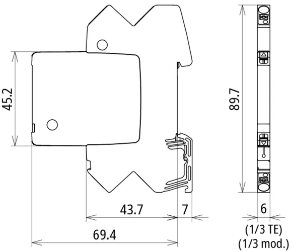
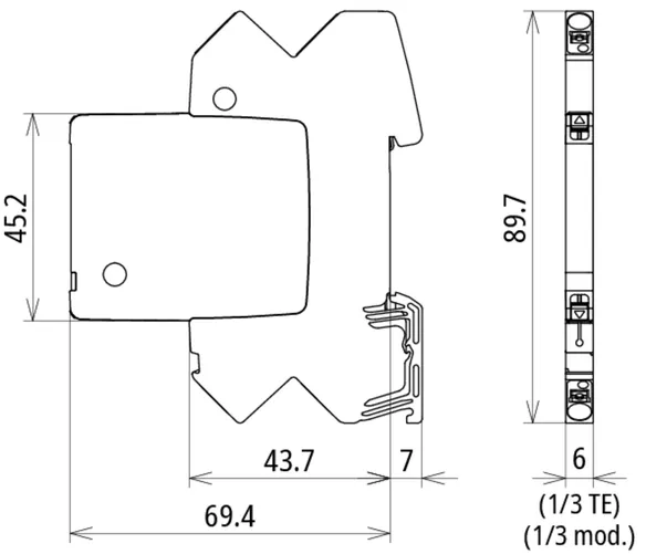
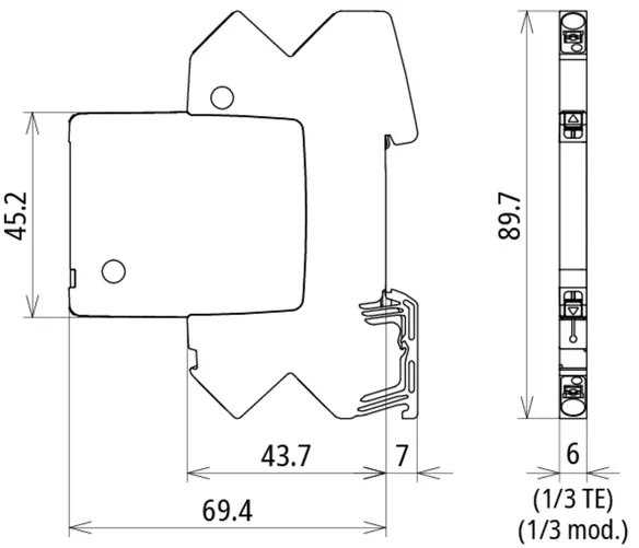
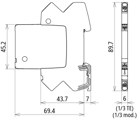
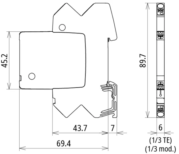
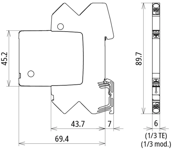
Conception optimisée, largeur 6 mm
  • Fonction LifeCheck et indicateur d’état visuel intégrés dans le module
  • Signalisation d'état à distance à l’aide d’un contact de signalisation
  • Déconnexion du circuit de signal sans outil à des fins de maintenance
  • Testé contre les chocs et les vibrations pour un fonctionnement sécurisé

Détails

Connect = Protéger
Message d'état simple avec l'unité de surveillance pour les groupes de parafoudres
lorem ipsum
Continuité de service
Certifié pour une utilisation dans des circuits de mesure à sécurité intrin-èque
lorem ipsum
Testé rapidement – en un coup d'œil
Voyant d'état intégré pour une maintenance facile et rapide
lorem ipsum
Bien verrouillé – retiré avec précision
Boutons de déverrouillage secR des deux côtés
lorem ipsum


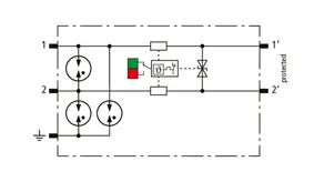
BCO ML2 B 180

Parafoudre modulaire peu encombrant d'une largeur de 6 mm et technologie de connexion push-in avec indication d'état en façade.
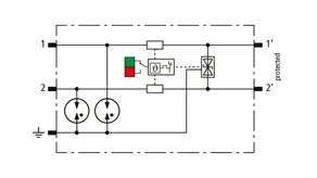
Protection deux conducteurs simples, ou pour la mise à la terre indirecte des câbles blindés. Avec déconnexion du signal à des fins de maintenance.

1 Produit

Référence de la pièce 927210 BCO ML2 B 180

GTIN 4013364405585, Clients tariffs no (UE): 85363010, Poids brut: 57.75 g, Prix unitaire: 1.00 pièce(s)


Images

Plus d'informations

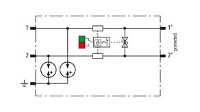
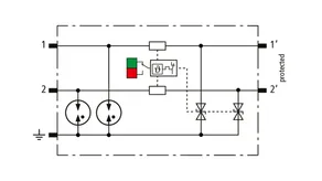
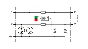
Parafoudre BLITZDUCTORconnect ML2 B 180
Parafoudre modulaire enfichable
pour la protection de 2 conducteurs individuels pour
la liaison équipotentielle de la protection contre la foudre et la
réalisation d’une mise à la terre indirecte de conducteurs blindés
testé selon EN/IEC 61643-21 et coordonné
énergétiquement selon IEC 61643-22
classe de parafoudre type 1
Catégorie d’impulsion : C2, C3, B2, D1
Indicateur d’état, largeur d’installation 6 mm
Tension continue maximale : 180,0 V DC / 127,0 V AC
Courant nominal à 80 °C : 1,2 A
C2 Courant nominal de décharge par conducteur (8/20) : 5 kA
C2 courant nominal de décharge total (8/20) : 10 kA
D1 Courant de foudre (10/350 µs) par conducteur : 1,5 kA
D1 Courant de foudre (10/350 µs) total : 3 kA
avec séparation du signal à des fins de maintenance
Raccordement de ligne : Push-in

produit : DEHN
Type: BCO ML2 B 180
Référence: 927210
ou équivalent

Certificats

 

Caractéristiques techniques

Classe SPD A
Tension nominale (UN ) 180 V
Tension d’utilisation permanente max DC (UC ) 180 V
D1 Courant de choc de foudre (10/350 µs) par conducteur (Iimp ) 1.5 kA
C2 Courant nominal de décharge (8/20 µs) total (In ) 10 kA
Impédance série par conducteur 0 Ohm
Certifications UL 497B, CSA, ATEX, IECEx, CCC, SIL
*) Pour en savoir plus, voir : www.dehn.fr

Le produit 927210 a été ajouté au bloc-notes

Le produit 927210 a été ajouté au panier.


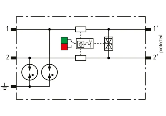
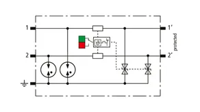
BCO ML2 BE

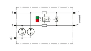
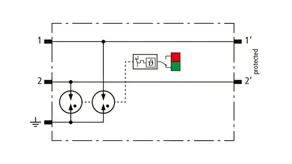
Parafoudre débrochable peu encombrant d'une largeur de 6 mm et technologie de connexion push-in avec indication d'état en façade. Protection de deux conducteurs partageant un potentiel de référence commun ou une interfaces asymétriques.
Avec déconnexion du signal à des fins de maintenance.

4 Produits

Référence de la pièce 927222 BCO ML2 BE 12

GTIN 4013364405592, Clients tariffs no (UE): 85363010, Poids brut: 59.19 g, Prix unitaire: 1.00 pièce(s)

Précédent

Images

Plus d'informations

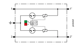
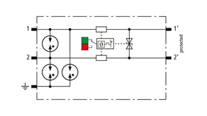
Parafoudre combiné BLITZDUCTORconnect ML2 BE 12
Parafoudre combiné enfichable modulaire
pour la protection de 2 conducteurs individuels avec
référence de potentiel commun et interfaces non symétriques
testé selon EN/IEC 61643-21 et coordonné énergétiquement
selon IEC 61643-22
Classe de parafoudre type 1 / P1
Catégorie d’impulsion : C1, C2, C3, B2, D1
Indicateur d’état, largeur d’installation 6 mm
Tension continue maximale : 15,0 V DC / 10,6 V AC
Courant nominal à 70°C : 0,75 A
C2 Courant nominal de décharge par conducteur (8/20) : 5 kA
C2 courant nominal de décharge total (8/20) : 10 kA
D1 Courant de foudre (10/350 µs) par conducteur : 1,5 kA
D1 Courant de foudre (10/350 µs) total : 3 kA
avec séparation du signal à des fins de maintenance
Raccordement de ligne : Push-in

produit : DEHN
Type: BCO ML2 BE 12
Référence: 927222
ou équivalent

Certificats

 

Caractéristiques techniques

Classe SPD M
Tension nominale (UN ) 12 V
Tension d’utilisation permanente max DC (UC ) 15 V
Courant nominal à 70° C (IL ) 0,75 A
D1 Courant de choc de foudre (10/350 µs) par conducteur (Iimp ) 1,5 kA
C2 Courant nominal de décharge (8/20 µs) total (In ) 10 kA
Impédance série par conducteur 1 Ohm
Bande passante cond-cond (fG ) 1,4 MHz
Certifications UL 479B, CSA, ATEX, IECEx, CCC, SIL
*) Pour en savoir plus, voir : www.dehn.fr

Le produit 927222 a été ajouté au bloc-notes

Le produit 927222 a été ajouté au panier.

Référence de la pièce 927224 BCO ML2 BE 24

GTIN 4013364405608, Clients tariffs no (UE): 85363010, Poids brut: 59.68 g, Prix unitaire: 1.00 pièce(s)

Précédent

Images

Plus d'informations

Parafoudre combiné BLITZDUCTORconnect ML2 BE 24
Parafoudre combiné enfichable modulaire
pour la protection de 2 conducteurs individuels avec
référence de potentiel commun et interfaces non symétriques
testé selon EN/IEC 61643-21 et coordonné énergétiquement
selon IEC 61643-22
Classe de parafoudre type 1 / P1
Catégorie d’impulsion : C1, C2, C3, B2, D1
Indicateur d’état, largeur d’installation 6 mm
Tension continue maximale : 33,0 V DC / 23,3 V AC
Courant nominal à 70°C : 0,75 A
C2 Courant nominal de décharge par conducteur (8/20) : 5 kA
C2 courant nominal de décharge total (8/20) : 10 kA
D1 Courant de foudre (10/350 µs) par conducteur : 1,5 kA
D1 Courant de foudre (10/350 µs) total : 3 kA
avec séparation du signal à des fins de maintenance
Raccordement de ligne : Push-in

produit : DEHN
Type: BCO ML2 BE 24
Référence: 927224
ou équivalent

Certificats

 

Caractéristiques techniques

Classe SPD M
Tension nominale (UN ) 24 V
Tension d’utilisation permanente max DC (UC ) 33 V
Courant nominal à 70° C (IL ) 0,75 A
D1 Courant de choc de foudre (10/350 µs) par conducteur (Iimp ) 1,5 kA
C2 Courant nominal de décharge (8/20 µs) total (In ) 10 kA
Impédance série par conducteur 1 Ohm
Bande passante cond-cond (fG ) 3,4 MHz
Certifications UL 497B, CSA, ATEX, IECEx, CCC, SIL
*) Pour en savoir plus, voir : www.dehn.fr

Le produit 927224 a été ajouté au bloc-notes

Le produit 927224 a été ajouté au panier.

Référence de la pièce 927225 BCO ML2 BE 48

GTIN 4013364405615, Clients tariffs no (UE): 85363010, Poids brut: 58.22 g, Prix unitaire: 1.00 pièce(s)

Précédent

Images

Plus d'informations

Parafoudre combiné BLITZDUCTORconnect ML2 BE 48
Parafoudre combiné enfichable modulaire
pour la protection de 2 conducteurs individuels avec
référence de potentiel commun et interfaces non symétriques
testé selon EN/IEC 61643-21 et coordonné énergétiquement
selon IEC 61643-22
Classe de parafoudre type 1 / P1
Catégorie d’impulsion : C1, C2, C3, B2, D1
Indicateur d’état, largeur d’installation 6 mm
Tension continue maximale : 54,0 V DC / 38,1 V AC
Courant nominal à 70°C : 0,75 A
C2 Courant nominal de décharge par conducteur (8/20) : 5 kA
C2 courant nominal de décharge total (8/20) : 10 kA
D1 Courant de foudre (10/350 µs) par conducteur : 1,5 kA
D1 Courant de foudre (10/350 µs) total : 3 kA
avec séparation du signal à des fins de maintenance
Raccordement de ligne : Push-in

produit : DEHN
Type: BCO ML2 BE 48
Référence: 927225
ou équivalent

Certificats

 

Caractéristiques techniques

Classe SPD M
Tension nominale (UN ) 48 V
Tension d’utilisation permanente max DC (UC ) 54 V
Courant nominal à 70° C (IL ) 0,75 A
D1 Courant de choc de foudre (10/350 µs) par conducteur (Iimp ) 1,5 kA
C2 Courant nominal de décharge (8/20 µs) total (In ) 10 kA
Impédance série par conducteur 1 Ohm
Bande passante cond-cond (fG ) 5 MHz
Certifications UL 497B, CSA, ATEX, IECEx, CCC, SIL
*) Pour en savoir plus, voir : www.dehn.fr

Le produit 927225 a été ajouté au bloc-notes

Le produit 927225 a été ajouté au panier.

Référence de la pièce 927227 BCO ML2 BE 180

GTIN 4013364468658, Clients tariffs no (UE): 85363010, Poids brut: 58.85 g, Prix unitaire: 1.00 pièce(s)

Précédent

Images

Plus d'informations

Parafoudre combiné BLITZDUCTORconnect ML2 BE 180
Parafoudre combiné enfichable modulaire
pour la protection de 2 conducteurs individuels avec
référence de potentiel commun et interfaces non symétriques
testé selon EN/IEC 61643-21 et coordonné énergétiquement
selon IEC 61643-22
Classe de parafoudre type 1 / P1
Catégorie d’impulsion : C1, C2, C3, B2, D1
Indicateur d’état, largeur d’installation 6 mm
Tension continue maximale : 180 V DC / 127 V AC
Courant nominal à 70°C : 0,5 A
C2 Courant nominal de décharge par conducteur (8/20) : 5 kA
C2 courant nominal de décharge total (8/20) : 10 kA
D1 Courant de foudre (10/350 µs) par conducteur : 1,5 kA
D1 Courant de foudre (10/350 µs) total : 3 kA
avec séparation du signal à des fins de maintenance
Raccordement de ligne : Push-in

produit : DEHN
Type: BCO ML2 BE 180
Référence: 927227
ou équivalent

Certificats

 

Caractéristiques techniques

Classe SPD M
Tension nominale (UN ) 180 V
Tension d’utilisation permanente max DC (UC ) 180 V
Courant nominal à 70° C (IL ) 0,5 A
D1 Courant de choc de foudre (10/350 µs) par conducteur (Iimp ) 1,5 kA
C2 Courant nominal de décharge (8/20 µs) total (In ) 10 kA
Impédance série par conducteur 1,8 Ohm
Bande passante cond-cond (fG ) 10 MHz
Certifications UL 497B, SIL
*) Pour en savoir plus, voir : www.dehn.fr

Le produit 927227 a été ajouté au bloc-notes

Le produit 927227 a été ajouté au panier.


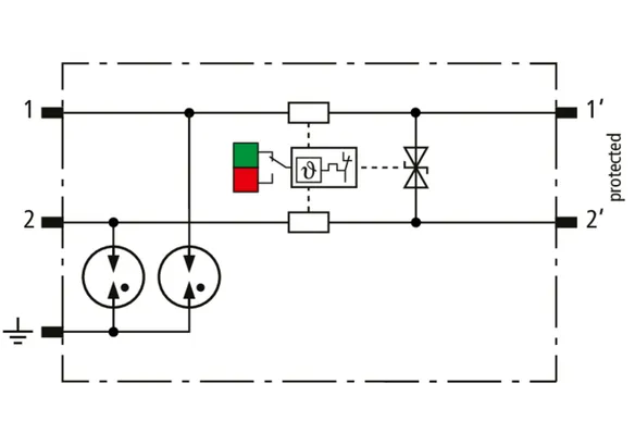
BCO ML2 BD

Parafoudre débrochable peu encombrant d'une largeur de 6 mm et technologie de connexion push-in avec indication d'état en façade. Protection de deux conducteurs avec interfaces symétriques.
Avec déconnexion du signal à des fins de maintenance.

4 Produits

Référence de la pièce 927242 BCO ML2 BD 12

GTIN 4013364405622, Clients tariffs no (UE): 85363010, Poids brut: 58.35 g, Prix unitaire: 1.00 pièce(s)

Précédent

Images

Plus d'informations

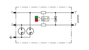
Parafoudre combiné BLITZDUCTORconnect ML2 BD 12
Parafoudre combiné enfichable modulaire
pour la protection d’un conducteur double avec interfaces
symétriques sans potentiel
testé selon EN/IEC 61643-21 et
coordonné énergétiquement selon IEC 61643-22
Classe de parafoudre type 1 / P2
Catégorie d’impulsion : C1, C2, C3, B2, D1
Indicateur d’état, largeur d’installation 6 mm
Tension continue maximale : 15,0 V DC / 10,6 V AC
Courant nominal à 70°C : 0,75 A
C2 Courant nominal de décharge par conducteur (8/20) : 5 kA
C2 courant nominal de décharge total (8/20) : 10 kA
D1 Courant de foudre (10/350 µs) par conducteur : 1,5 kA
D1 Courant de foudre (10/350 µs) total : 3 kA
avec séparation du signal à des fins de maintenance
Raccordement de ligne : Push-in

produit : DEHN
Type: BCO ML2 BD 12
Référence: 927242
ou équivalent

Certificats

 

Caractéristiques techniques

Classe SPD L
Tension nominale (UN ) 12 V
Tension d’utilisation permanente max DC (UC ) 15 V
Courant nominal à 70° C (IL ) 0,75 A
D1 Courant de choc de foudre (10/350 µs) par conducteur (Iimp ) 1,5 kA
C2 Courant nominal de décharge (8/20 µs) total (In ) 10 kA
Impédance série par conducteur 1 Ohm
Bande passante cond-cond (fG ) 2,6 MHz
Certifications UL 497B, CSA, ATEX, IECEx, CCC, SIL
*) Pour en savoir plus, voir : www.dehn.fr

Le produit 927242 a été ajouté au bloc-notes

Le produit 927242 a été ajouté au panier.

Référence de la pièce 927244 BCO ML2 BD 24

GTIN 4013364405639, Clients tariffs no (UE): 85363010, Poids brut: 58.64 g, Prix unitaire: 1.00 pièce(s)

Précédent

Images

Plus d'informations

Parafoudre combiné BLITZDUCTORconnect ML2 BD 24
Parafoudre combiné enfichable modulaire
pour la protection d’un conducteur double avec interfaces
symétriques sans potentiel
testé selon EN/IEC 61643-21 et
coordonné énergétiquement selon IEC 61643-22
Classe de parafoudre type 1 / P2
Catégorie d’impulsion : C1, C2, C3, B2, D1
Indicateur d’état, largeur d’installation 6 mm
Tension continue maximale : 36,0 V DC / 25,4 V AC
Courant nominal à 70°C : 0,75 A
C2 Courant nominal de décharge par conducteur (8/20) : 5 kA
C2 courant nominal de décharge total (8/20) : 10 kA
D1 Courant de foudre (10/350 µs) par conducteur : 1,5 kA
D1 Courant de foudre (10/350 µs) total : 3 kA
avec séparation du signal à des fins de maintenance
Raccordement de ligne : Push-in

produit : DEHN
Type: BCO ML2 BD 24
Référence: 927244
ou équivalent

Certificats

 

Caractéristiques techniques

Classe SPD L
Tension nominale (UN ) 24 V
Tension d’utilisation permanente max DC (UC ) 36 V
Courant nominal à 70° C (IL ) 0,75 A
D1 Courant de choc de foudre (10/350 µs) par conducteur (Iimp ) 1,5 kA
C2 Courant nominal de décharge (8/20 µs) total (In ) 10 kA
Impédance série par conducteur 1 Ohm
Bande passante cond-cond (fG ) 5,8 MHz
Certifications UL 497B, CSA, ATEX, IECEx, CCC, SIL
*) Pour en savoir plus, voir : www.dehn.fr

Le produit 927244 a été ajouté au bloc-notes

Le produit 927244 a été ajouté au panier.

Référence de la pièce 927245 BCO ML2 BD 48

GTIN 4013364405646, Clients tariffs no (UE): 85363010, Poids brut: 58.49 g, Prix unitaire: 1.00 pièce(s)

Précédent

Images

Plus d'informations

Parafoudre combiné BLITZDUCTORconnect ML2 BD 48
Parafoudre combiné enfichable modulaire
pour la protection d’un conducteur double avec interfaces
symétriques sans potentiel
testé selon EN/IEC 61643-21 et
coordonné énergétiquement selon IEC 61643-22
Classe de parafoudre type 1 / P2
Catégorie d’impulsion : C1, C2, C3, B2, D1
Indicateur d’état, largeur d’installation 6 mm
Tension continue maximale : 56,0 V DC / 39,6 V AC
Courant nominal à 70°C : 0,75 A
C2 Courant nominal de décharge par conducteur (8/20) : 5 kA
C2 courant nominal de décharge total (8/20) : 10 kA
D1 Courant de foudre (10/350 µs) par conducteur : 1,5 kA
D1 Courant de foudre (10/350 µs) total : 3 kA
avec séparation du signal à des fins de maintenance
Raccordement de ligne : Push-in

produit : DEHN
Type: BCO ML2 BD 48
Référence: 927245
ou équivalent

Certificats

 

Caractéristiques techniques

Classe SPD L
Tension nominale (UN ) 48 V
Tension d’utilisation permanente max DC (UC ) 56 V
Courant nominal à 70° C (IL ) 0,75 A
D1 Courant de choc de foudre (10/350 µs) par conducteur (Iimp ) 1,5 kA
C2 Courant nominal de décharge (8/20 µs) total (In ) 10 kA
Impédance série par conducteur 1 Ohm
Bande passante cond-cond (fG ) 7,2 MHz
Certifications UL 497B, CSA, ATEX, IECEx, CCC, SIL
*) Pour en savoir plus, voir : www.dehn.fr

Le produit 927245 a été ajouté au bloc-notes

Le produit 927245 a été ajouté au panier.

Référence de la pièce 927247 BCO ML2 BD 180

GTIN 4013364468665, Clients tariffs no (UE): 85363010, Poids brut: 58.92 g, Prix unitaire: 1.00 pièce(s)

Précédent

Images

Plus d'informations

Parafoudre combiné BLITZDUCTORconnect ML2 BD 180
Parafoudre combiné enfichable modulaire
pour la protection d’un conducteur double avec interfaces
symétriques sans potentiel
testé selon EN/IEC 61643-21 et
coordonné énergétiquement selon IEC 61643-22
Classe de parafoudre type 1 / P2
Catégorie d’impulsion : C1, C2, C3, B2, D1
Indicateur d’état, largeur d’installation 6 mm
Tension continue maximale : 180 V DC / 127 V AC
Courant nominal à 70°C : 0,5 A
C2 Courant nominal de décharge par conducteur (8/20) : 5 kA
C2 courant nominal de décharge total (8/20) : 10 kA
D1 Courant de foudre (10/350 µs) par conducteur : 1,5 kA
D1 Courant de foudre (10/350 µs) total : 3 kA
avec séparation du signal à des fins de maintenance
Raccordement de ligne : Push-in

produit : DEHN
Type: BCO ML2 BD 180
Référence: 927247
ou équivalent

Certificats

 

Caractéristiques techniques

Classe SPD L
Tension nominale (UN ) 180 V
Tension d’utilisation permanente max DC (UC ) 180 V
Courant nominal à 70° C (IL ) 0,5 A
D1 Courant de choc de foudre (10/350 µs) par conducteur (Iimp ) 1,5 kA
C2 Courant nominal de décharge (8/20 µs) total (In ) 10 kA
Impédance série par conducteur 1,8 Ohm
Bande passante cond-cond (fG ) 10 MHz
Certifications UL 497B, SIL
*) Pour en savoir plus, voir : www.dehn.fr

Le produit 927247 a été ajouté au bloc-notes

Le produit 927247 a été ajouté au panier.


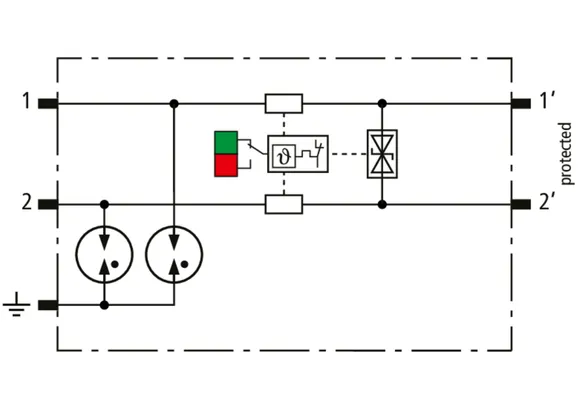
BCO ML2 BE HF

Parafoudre débrochable peu encombrant d'une largeur de 6 mm et technologie de connexion push-in avec indication d'état en façade. Protection de deux conducteurs partageant un potentiel de référence commun ou une interfaces asymétriques. Adapté à la haute fréquence.
Avec déconnexion du signal à des fins de maintenance.

2 Produits

Référence de la pièce 927270 BCO ML2 BE HF 5

GTIN 4013364405653, Clients tariffs no (UE): 85363010, Poids brut: 58.57 g, Prix unitaire: 1.00 pièce(s)

Précédent

Images

Plus d'informations

Parafoudre combiné BLITZDUCTORconnect ML2 BE HF 5
Parafoudre combiné enfichable modulaire
pour la protection de 2 conducteurs individuels
à transmission haute fréquence avec référence de potentiel commune
et interfaces non symétriques
testé selon EN/IEC 61643-21 et coordonné
énergétiquement selon IEC 61643-22
Classe de parafoudre type 1 / P1
Catégorie d’impulsion : C1, C2, C3, B2, D1
Indicateur d’état, largeur d’installation 6 mm
Tension continue maximale : 8,5 V DC / 6,0 V AC
Courant nominal à 70°C : 0,75 A
Bande passante 100 MHz
C2 Courant nominal de décharge par conducteur (8/20) : 5 kA
C2 courant nominal de décharge total (8/20) : 10 kA
D1 Courant de foudre (10/350 µs) par conducteur : 1,5 kA
D1 Courant de foudre (10/350 µs) total : 3 kA
avec séparation du signal à des fins de maintenance
Raccordement de ligne : Push-in

produit : DEHN
Type: BCO ML2 BE HF 5
Référence: 927270
ou équivalent

Certificats

 

Caractéristiques techniques

Classe SPD M
Tension nominale (UN ) 5 V
Tension d’utilisation permanente max DC (UC ) 8,5 V
Courant nominal à 70° C (IL ) 0,75 A
D1 Courant de choc de foudre (10/350 µs) par conducteur (Iimp ) 1,5 kA
C2 Courant nominal de décharge (8/20 µs) total (In ) 10 kA
Impédance série par conducteur 1 Ohm
Certifications UL 497B, CSA, ATEX, IECEx, CCC, SIL
*) Pour en savoir plus, voir : www.dehn.fr

Le produit 927270 a été ajouté au bloc-notes

Le produit 927270 a été ajouté au panier.

Référence de la pièce 927274 BCO ML2 BE HF 24

GTIN 4013364468559, Clients tariffs no (UE): 85363010, Poids brut: 58.30 g, Prix unitaire: 1.00 pièce(s)


Images

Plus d'informations

Parafoudre combiné BLITZDUCTORconnect ML2 BE HF 24
Parafoudre combiné enfichable modulaire
pour la protection de 2 conducteurs individuels
à transmission haute fréquence avec référence de potentiel commune
et interfaces non symétriques
testé selon EN/IEC 61643-21 et coordonné
énergétiquement selon IEC 61643-22
Classe de parafoudre type 1 / P1
Catégorie d’impulsion : C1, C2, C3, B2, D1
Indicateur d’état, largeur d’installation 6 mm
Tension continue maximale : 36 V DC / 25,4 V AC
Courant nominal à 70°C : 0,75 A
Bande passante 100 MHz
C2 Courant nominal de décharge par conducteur (8/20) : 5 kA
C2 courant nominal de décharge total (8/20) : 10 kA
D1 Courant de foudre (10/350 µs) par conducteur : 1,5 kA
D1 Courant de foudre (10/350 µs) total : 3 kA
avec séparation du signal à des fins de maintenance
Raccordement de ligne : Push-in

produit : DEHN
Type: BCO ML2 BE HF 24
Référence: 927274
ou équivalent

Certificats

 

Caractéristiques techniques

Classe SPD M
Tension nominale (UN ) 24 V
Tension d’utilisation permanente max DC (UC ) 36 V
Courant nominal à 70° C (IL ) 0,75 A
D1 Courant de choc de foudre (10/350 µs) par conducteur (Iimp ) 1,5 kA
C2 Courant nominal de décharge (8/20 µs) total (In ) 10 kA
Impédance série par conducteur 1 Ohm
Certifications UL 497B, SIL
*) Pour en savoir plus, voir : www.dehn.fr

Le produit 927274 a été ajouté au bloc-notes

Le produit 927274 a été ajouté au panier.


BCO ML2 BD HF

Parafoudre combiné modulaire et à encombrement réduit de largeur 6 mm et avec technologie de connexion push-in avec indicateur d’état pour protéger 1 conducteur double sans potentiel de terre pour systèmes de bus à haute fréquence et interfaces symétriques. Avec séparation du signal à des fins de maintenance.

2 Produits

Référence de la pièce 927271 BCO ML2 BD HF 5

GTIN 4013364405660, Clients tariffs no (UE): 85363010, Poids brut: 58.42 g, Prix unitaire: 1.00 pièce(s)

Précédent

Images

Plus d'informations

Parafoudre combiné BLITZDUCTORconnect ML2 BD HF 5
Parafoudre combiné enfichable modulaire pour la protection
de 1 conducteur double pour systèmes bus haute fréquence
sans potentiel et interfaces symétriques
testé selon EN/IEC 61643-21 et coordonné
énergétiquement selon IEC 61643-22
Classe de parafoudre type 1 / P2
Catégorie d’impulsion : C1, C2, C3, B2, D1
Indicateur d’état, largeur d’installation 6 mm
Tension continue maximale : 8,5 V DC / 6,0 V AC
Courant nominal à 70°C : 0,75 A
Bande passante 100 MHz
C2 Courant nominal de décharge par conducteur (8/20) : 5 kA
C2 courant nominal de décharge total (8/20) : 10 kA
D1 Courant de foudre (10/350 µs) par conducteur : 1,5 kA
D1 Courant de foudre (10/350 µs) total : 3 kA
avec séparation du signal à des fins de maintenance
Raccordement de ligne : Push-in

produit : DEHN
Type: BCO ML2 BD HF 5
Référence: 927271
ou équivalent

Certificats

 

Caractéristiques techniques

Classe SPD L
Tension nominale (UN ) 5 V
Tension d’utilisation permanente max DC (UC ) 8,5 V
Courant nominal à 70° C (IL ) 0,75 A
D1 Courant de choc de foudre (10/350 µs) par conducteur (Iimp ) 1,5 kA
C2 Courant nominal de décharge (8/20 µs) total (In ) 10 kA
Impédance série par conducteur 1 Ohm
Bande passante cond-cond (fG ) 100 MHz
Certifications UL 497B, CSA, ATEX, IECEx, CCC, SIL
*) Pour en savoir plus, voir : www.dehn.fr

Le produit 927271 a été ajouté au bloc-notes

Le produit 927271 a été ajouté au panier.

Référence de la pièce 927275 BCO ML2 BD HF 24

GTIN 4013364468566, Clients tariffs no (UE): 85363010, Poids brut: 58.60 g, Prix unitaire: 1.00 pièce(s)

Précédent

Images

Plus d'informations

Parafoudre combiné BLITZDUCTORconnect ML2 BD HF 24
Parafoudre combiné enfichable modulaire pour la protection
de 1 conducteur double pour systèmes bus haute fréquence
sans potentiel et interfaces symétriques
testé selon EN/IEC 61643-21 et coordonné
énergétiquement selon IEC 61643-22
Classe de parafoudre type 1 / P2
Catégorie d’impulsion : C1, C2, C3, B2, D1
Indicateur d’état, largeur d’installation 6 mm
Tension continue maximale : 36 V DC / 25,4 V AC
Courant nominal à 70°C : 0,75 A
Bande passante 100 MHz
C2 Courant nominal de décharge par conducteur (8/20) : 5 kA
C2 courant nominal de décharge total (8/20) : 10 kA
D1 Courant de foudre (10/350 µs) par conducteur : 1,5 kA
D1 Courant de foudre (10/350 µs) total : 3 kA
avec séparation du signal à des fins de maintenance
Raccordement de ligne : Push-in

produit : DEHN
Type: BCO ML2 BD HF 24
Référence: 927275
ou équivalent

Certificats

 

Caractéristiques techniques

Classe SPD L
Tension nominale (UN ) 24 V
Tension d’utilisation permanente max DC (UC ) 36 V
Courant nominal à 70° C (IL ) 0,75 A
D1 Courant de choc de foudre (10/350 µs) par conducteur (Iimp ) 1,5 kA
C2 Courant nominal de décharge (8/20 µs) total (In ) 10 kA
Impédance série par conducteur 1 Ohm
Bande passante cond-cond (fG ) 100 MHz
Certifications UL 497B, SIL
*) Pour en savoir plus, voir : www.dehn.fr

Le produit 927275 a été ajouté au bloc-notes

Le produit 927275 a été ajouté au panier.


BCO ML2 BD HC5A 24

1 Produit

Référence de la pièce 927254 BCO ML2 BD HC5A 24

GTIN 4013364513419, Clients tariffs no (UE): 85363010, Poids brut: 60.63 g, Prix unitaire: 1.00 pièce(s)


Images

Plus d'informations

Parafoudre combiné BLITZDUCTORconnect ML2 BD HC5A 24
Parafoudre combiné modulaire enfichable pour protéger
1 conducteur double sans potentiel de terre dans les circuits de signaux
à courant nominal élevé, pour systèmes informatiques
et circuits MCR
testé selon EN/IEC 61643-21
et coordonné énergétiquement selon IEC 61643-22
Classe de parafoudre type 1 / P2
Catégorie d’impulsion : C1, C2, C3, B2, D1
Indicateur d’état, largeur d’installation 6 mm
Tension continue maximale : 36 V DC / 25,4 V AC
Courant nominal à 80 °C : 5 A
C2 Courant nominal de décharge par conducteur (8/20) : 5 kA
C2 courant nominal de décharge total (8/20) : 10 kA
D1 Courant de foudre (10/350 µs) par conducteur : 1,5 kA
D1 Courant de foudre (10/350 µs) total : 3 kA
avec séparation du signal à des fins de maintenance
Raccordement de ligne : à connexion rapide / push-in

produit : DEHN
Type: BCO ML2 BD HC5A 24
Référence: 927254
ou équivalent

Certificats

 

Caractéristiques techniques

Classe SPD L
Tension nominale (UN ) 24 V
Tension d’utilisation permanente max DC (UC ) 36 V
Courant nominal à 80° C (IL ) 5 A
D1 Courant de choc de foudre (10/350 µs) par conducteur (Iimp ) 1,5 kA
C2 Courant nominal de décharge (8/20 µs) total (In ) 10 kA
Impédance série par conducteur 0 Ohm
Certifications UL 497B, SIL
*) Pour en savoir plus, voir : www.dehn.fr

Le produit 927254 a été ajouté au bloc-notes

Le produit 927254 a été ajouté au panier.


BCO ML2 BPD 24

Parafoudre débrochable peu encombrant d'une largeur de 6 mm et technologie de connexion push-in avec indication d'état en façade. Protection d'une paire en 24V DC, également adaptées pour des signaux avec un référentiel négatif.
Les thermo-résistances intégrées, permettent le réenclenchement du parafoudre après une décharge entrainant un court-circuit superieur à 40A. Avec déconnexion du signal à des fins de maintenance.

1 Produit

Référence de la pièce 927214 BCO ML2 BPD 24

GTIN 4013364473003, Clients tariffs no (UE): 85363010, Poids brut: 58.00 g, Prix unitaire: 1.00 pièce(s)


Images

Plus d'informations

Parafoudre combiné BLITZDUCTORconnect ML2 BPD 24
Parafoudre combiné enfichable modulaire pour la protection
d’un conducteur double dans des systèmes 24 V DC,
utilisation adaptée également à un pôle négatif mis à la masse
avec résistances PTC intégrées pour une
protection contre les surintensités jusqu’à 40 A
testé selon EN/IEC 61643-21 et coordonné
énergétiquement selon IEC 61643-22
Classe de parafoudre type 1 / P2
Catégorie d’impulsion : C1, C2, C3, B2, D1
Indicateur d’état, largeur d’installation 6 mm
Tension continue maximale : 33,0 V DC / 23,3 V AC
Courant nominal à 70°C : 0,1 A
C2 Courant nominal de décharge par conducteur (8/20) : 5 kA
C2 courant nominal de décharge total (8/20) : 10 kA
D1 Courant de foudre (10/350 µs) par conducteur : 1,5 kA
D1 Courant de foudre (10/350 µs) total : 3 kA
avec séparation du signal à des fins de maintenance
Raccordement de ligne : Push-in

produit : DEHN
Type: BCO ML2 BPD 24
Référence: 927214
ou équivalent

Certificats

 

Caractéristiques techniques

Classe SPD L
Tension nominale (UN ) 24 V
Tension d’utilisation permanente max DC (UC ) 33 V
Courant nominal à 70° C (IL ) 0,1 A
D1 Courant de choc de foudre (10/350 µs) par conducteur (Iimp ) 1,5 kA
C2 Courant nominal de décharge (8/20 µs) total (In ) 10 kA
Impédance série par conducteur 10 Ohm
Bande passante cond-cond (fG ) 4,5 MHz
Certifications UL 497B, SIL
*) Pour en savoir plus, voir : www.dehn.fr

Le produit 927214 a été ajouté au bloc-notes

Le produit 927214 a été ajouté au panier.


BCO ML2 MVG 230

Parafoudre débrochable peu encombrant d'une largeur de 6 mm et technologie de connexion push-in avec indication d'état en façade. Protection de deux conducteurs sans potentiel commun. Adapté pour des signaux avec une tension nominal de 230V
Avec déconnexion du signal à des fins de maintenance.
Répond également aux exigences des BUS de données de l'industrie ferroviaire.

1 Produit

Référence de la pièce 927290 BCO ML2 MVG 230

GTIN 4013364466524, Clients tariffs no (UE): 85363010, Poids brut: 60.12 g, Prix unitaire: 1.00 pièce(s)


Images

Plus d'informations

Parafoudre BLITZDUCTORconnect ML2 MVG 230
Parafoudre combiné enfichable modulaire
pour la protection de 2 conducteurs d’interfaces
de signal à plusieurs conducteurs avec tension nominale de 230 V AC
testé selon EN/IEC 61643-21 et coordonné
énergétiquement selon IEC 61643-22
Classe de parafoudre type 2 / P3
Catégorie d’impulsion : C1, C2, C3
Indicateur d’état, largeur d’installation 6 mm
Tension continue maximale : 320 V DC / 250 V AC
Courant nominal à 80 °C : 3 A
C2 Courant nominal de décharge par conducteur (8/20) : 3 kA
C2 courant nominal de décharge total (8/20) : 6 kA
avec séparation du signal à des fins de maintenance
Raccordement de ligne : Push-in
Conformité DB RIL 819.0808

produit : DEHN
Type: BCO ML2 MVG 230
Référence: 927290
ou équivalent

Certificats

 

Caractéristiques techniques

Classe SPD V
Tension nominale (UN ) 230 V
Courant nominal à 80° C (IL ) 3 A
C2 Courant nominal de décharge (8/20 µs) total (In ) 6 kA
Impédance série par conducteur 0 Ohm
Certifications SIL
*) Pour en savoir plus, voir : www.dehn.fr

Le produit 927290 a été ajouté au bloc-notes

Le produit 927290 a été ajouté au panier.


BCO ML2 BD EX 24

Parafoudre débrochable peu encombrant d'une largeur de 6 mm et technologie de connexion push-in avec indication d'état en façade. Protection de deux conducteurs de circuits de mesure et de systèmes de bus à sécurité intrinsèque, conforme aux exigences FISCO. Résistance d'isolement> 500 V mise à la terre. Avec déconnexion du signal à des fins de maintenance.
Avec déconnexion du signal à des fins de maintenance.

1 Produit

Référence de la pièce 927284 BCO ML2 BD EX 24

GTIN 4013364405677, Clients tariffs no (UE): 85363010, Poids brut: 65.18 g, Prix unitaire: 1.00 pièce(s)

Précédent

Images

Plus d'informations

Parafoudre combiné BLITZDUCTORconnect ML2 BD EX 24
Parafoudre combiné enfichable modulaire
pour la protection d’un conducteur double pour interfaces
symétriques sans potentiel à sécurité intrinsèque
testé selon EN/IEC 61643-21 et
coordonné énergétiquement selon IEC 61643-22
Classe de parafoudre type 1 / P2
Catégorie d’impulsion : C1, C2, C3, B2, D1
Indicateur d’état, largeur d’installation 6 mm
Tension continue maximale : 36,0 V DC / 25,4 V AC
Courant nominal à 70°C : 0,75 A
Tension d’entrée max. selon EN 60079-11 : 30 V
Courant d’entrée max. selon EN 60079-11 : 0,5 A
C2 Courant nominal de décharge par conducteur (8/20) : 5 kA
C2 courant nominal de décharge total (8/20) : 10 kA
D1 Courant de foudre (10/350 µs) par conducteur : 1,5 kA
D1 Courant de foudre (10/350 µs) total : 3 kA
avec séparation du signal à des fins de maintenance
Raccordement de ligne : Push-in

produit : DEHN
Type: BCO ML2 BD EX 24
Référence: 927284
ou équivalent

Certificats

 

Caractéristiques techniques

Classe SPD L
Tension nominale (UN ) 24 V
Tension d’utilisation permanente max DC (UC ) 36 V
Courant nominal à 80° C (IL ) 0,5 A
D1 Courant de choc de foudre (10/350 µs) par conducteur (Iimp ) 1,5 kA
C2 Courant nominal de décharge (8/20 µs) total (In ) 10 kA
Impédance série par conducteur 1 Ohm
Bande passante cond-cond (fG ) 3,5 MHz
Certifications ATEX, IECEx, CCC, SIL
*) Pour en savoir plus, voir : www.dehn.fr

Le produit 927284 a été ajouté au bloc-notes

Le produit 927284 a été ajouté au panier.


BCO MOD ML2 B

Module de protection d'une largeur de 6 mm pour parafoudre BLITZDUCTORconnect avec indication d'état. Pour la protection de deux conducteur, assure la liaison équipotentielle de la foudre ainsi que la mise à la terre indirecte des câbles blindés.

1 Produit

Référence de la pièce 927010 BCO MOD ML2 B 180

GTIN 4013364410114, Clients tariffs no (UE): 85363010, Poids brut: 39.00 g, Prix unitaire: 1.00 pièce(s)


Images

Plus d'informations

Module de protection pour
BLITZDUCTORconnect MOD ML2 B 180
Module parafoudre enfichable
pour protéger deux conducteur contre la foudre
assure la liaison équipotentielle ainsi que mise à la terre indirecte des câbles blindés
Testé selon EN / IEC 61643-21 et coordonnées
énergétiquement selon CEI 61643-22
Classe SPD: type 1
Catégorie d'impulsion: C2, C3, B2, D1
Indication d'état, largeur de 6 mm
Max. tension de fonctionnement continue: 180,0 V DC / 127,0 V AC
Courant nominal à 80 ° C: 1,2 A
C2 courant de décharge nominal par ligne (8/20): 5 kA
C2 courant de décharge nominal total (8/20): 10 kA
Courant de choc de foudre D1 (10/350 µs) par ligne: 1,5 kA
Courant total de choc de foudre D1 (10/350 µs): 3 kA
Module de remplacement

produit : DEHN
Type: BCO MOD ML2 B 180
Référence: 927010
ou équivalent

Certificats

 

Caractéristiques techniques

Classe SPD A
Tension nominale (UN ) 180 V
Tension d’utilisation permanente max DC (UC ) 180 V
D1 Courant de choc de foudre (10/350 µs) par conducteur (Iimp ) 1,5 kA
C2 Courant nominal de décharge (8/20 µs) total (In ) 10 kA
Impédance série par conducteur 0 Ohm
Certifications UL 497B, CSA, ATEX, IECEx, CCC, SIL
*) Pour en savoir plus, voir : www.dehn.fr

Le produit 927010 a été ajouté au bloc-notes

Le produit 927010 a été ajouté au panier.


BCO MOD ML2 BE

Module de protection d'une largeur de 6 mm pour parafoudre BLITZDUCTORconnect avec indication d'état. Protection de deux conducteurs partageant un potentiel de référence commun ou une interfaces asymétriques.

4 Produits

Référence de la pièce 927022 BCO MOD ML2 BE 12

GTIN 4013364410121, Clients tariffs no (UE): 85363010, Poids brut: 39.00 g, Prix unitaire: 1.00 pièce(s)


Images

Plus d'informations

Module de protection pour
BLITZDUCTORconnect MOD ML2 BE 12
Protection de deux conducteurs
partageant un potentiel de référence commun ou une interfaces asymétriques.
Testé selon EN / IEC 61643-21 et coordonné en énergie selon
selon CEI 61643-22
Classe SPD: type 1 / P1
Catégorie d'impulsion: C1, C2, C3, B2, D1
Indication d'état, largeur de 6 mm
Max. tension de fonctionnement continue: 15,0 V DC / 10,6 V AC
Courant nominal à 70 ° C: 0,75 A
C2 courant de décharge nominal par ligne (8/20): 5 kA
C2 courant de décharge nominal total (8/20): 10 kA
Courant de choc de foudre D1 (10/350 µs) par ligne: 1,5 kA
Courant total de choc de foudre D1 (10/350 µs): 3 kA
Module de remplacement

produit : DEHN
Type: BCO MOD ML2 BE 12
Référence: 927022
ou équivalent

Certificats

 

Caractéristiques techniques

Classe SPD M
Tension nominale (UN ) 12 V
Tension d’utilisation permanente max DC (UC ) 15 V
Courant nominal à 70° C (IL ) 0,75 A
D1 Courant de choc de foudre (10/350 µs) par conducteur (Iimp ) 1,5 kA
C2 Courant nominal de décharge (8/20 µs) total (In ) 10 kA
Impédance série par conducteur 1 Ohm
Bande passante cond-cond (fG ) 1,4 MHz
Certifications UL 497B, CSA, ATEX, IECEx, CCC, SIL
*) Pour en savoir plus, voir : www.dehn.fr

Le produit 927022 a été ajouté au bloc-notes

Le produit 927022 a été ajouté au panier.

Référence de la pièce 927024 BCO MOD ML2 BE 24

GTIN 4013364410138, Clients tariffs no (UE): 85363010, Poids brut: 39.27 g, Prix unitaire: 1.00 pièce(s)


Images

Plus d'informations

Module de protection pour
BLITZDUCTORconnect MOD ML2 BE 24
Protection de deux conducteurs
partageant un potentiel de référence commun ou une interfaces asymétriques.
Testé selon EN / IEC 61643-21 et coordonné en énergie selon
selon CEI 61643-22
Classe SPD: type 1 / P1
Catégorie d'impulsion: C1, C2, C3, B2, D1
Indication d'état, largeur de 6 mm
Max. tension de fonctionnement continue: 33,0 V DC / 23,3 V AC
Courant nominal à 70 ° C: 0,75 A
C2 courant de décharge nominal par ligne (8/20): 5 kA
C2 courant de décharge nominal total (8/20): 10 kA
Courant de choc de foudre D1 (10/350 µs) par ligne: 1,5 kA
Courant total de choc de foudre D1 (10/350 µs): 3 kA
Module de remplacement

produit : DEHN
Type: BCO MOD ML2 BE 24
Référence: 927024
ou équivalent

Certificats

 

Caractéristiques techniques

Classe SPD M
Tension nominale (UN ) 24 V
Tension d’utilisation permanente max DC (UC ) 33 V
Courant nominal à 70° C (IL ) 0,75 A
D1 Courant de choc de foudre (10/350 µs) par conducteur (Iimp ) 1,5 kA
C2 Courant nominal de décharge (8/20 µs) total (In ) 10 kA
Impédance série par conducteur 1 Ohm
Bande passante cond-cond (fG ) 3,4 MHz
Certifications UL 497B, CSA, ATEX, IECEx, CCC, SIL
*) Pour en savoir plus, voir : www.dehn.fr

Le produit 927024 a été ajouté au bloc-notes

Le produit 927024 a été ajouté au panier.

Référence de la pièce 927025 BCO MOD ML2 BE 48

GTIN 4013364410145, Clients tariffs no (UE): 85363010, Poids brut: 39.00 g, Prix unitaire: 1.00 pièce(s)


Images

Plus d'informations

Module de protection pour
BLITZDUCTORconnect MOD ML2 BE 48
Protection de deux conducteurs
partageant un potentiel de référence commun ou une interfaces asymétriques.
Testé selon EN / IEC 61643-21 et coordonné en énergie selon
selon CEI 61643-22
Classe SPD: type 1 / P1
Catégorie d'impulsion: C1, C2, C3, B2, D1
Indication d'état, largeur de 6 mm
Max. tension de fonctionnement continue: 54,0 V DC / 38,1 V AC
Courant nominal à 70 ° C: 0,75 A
C2 courant de décharge nominal par ligne (8/20): 5 kA
C2 courant de décharge nominal total (8/20): 10 kA
Courant de choc de foudre D1 (10/350 µs) par ligne: 1,5 kA
Courant total de choc de foudre D1 (10/350 µs): 3 kA
Module de remplacement

produit : DEHN
Type: BCO MOD ML2 BE 48
Référence: 927025
ou équivalent

Certificats

 

Caractéristiques techniques

Classe SPD M
Tension nominale (UN ) 48 V
Tension d’utilisation permanente max DC (UC ) 54 V
Courant nominal à 70° C (IL ) 0,75 A
D1 Courant de choc de foudre (10/350 µs) par conducteur (Iimp ) 1,5 kA
C2 Courant nominal de décharge (8/20 µs) total (In ) 10 kA
Impédance série par conducteur 1 Ohm
Bande passante cond-cond (fG ) 5 MHz
Certifications UL 497B, CSA, ATEX, IECEx, CCC, SIL
*) Pour en savoir plus, voir : www.dehn.fr

Le produit 927025 a été ajouté au bloc-notes

Le produit 927025 a été ajouté au panier.

Référence de la pièce 927027 BCO MOD ML2 BE 180

GTIN 4013364468689, Clients tariffs no (UE): 85363010, Poids brut: 39.00 g, Prix unitaire: 1.00 pièce(s)


Images

Plus d'informations

Module de protection pour
BLITZDUCTORconnect MOD ML2 BE 180
Protection de deux conducteurs
partageant un potentiel de référence commun ou une interfaces asymétriques.
Testé selon EN / IEC 61643-21 et coordonné en énergie selon
selon CEI 61643-22
Classe SPD: type 1 / P1
Catégorie d'impulsion: C1, C2, C3, B2, D1
Indication d'état, largeur de 6 mm
Max. tension de fonctionnement continue: 180 V DC / 127 V AC
Courant nominal à 70 ° C: 0,75 A
C2 courant de décharge nominal par ligne (8/20): 5 kA
C2 courant de décharge nominal total (8/20): 10 kA
Courant de choc de foudre D1 (10/350 µs) par ligne: 1,5 kA
Courant total de choc de foudre D1 (10/350 µs): 3 kA
Module de remplacement

produit : DEHN
Type: BCO MOD ML2 BE 180
Référence: 927027
ou équivalent

Certificats

 

Caractéristiques techniques

Classe SPD M
Tension nominale (UN ) 180 V
Tension d’utilisation permanente max DC (UC ) 180 V
Courant nominal à 70° C (IL ) 0,5 A
D1 Courant de choc de foudre (10/350 µs) par conducteur (Iimp ) 1,5 kA
C2 Courant nominal de décharge (8/20 µs) total (In ) 10 kA
Impédance série par conducteur 1,8 Ohm
Bande passante cond-cond (fG ) 10 MHz
Certifications UL 497B, SIL
*) Pour en savoir plus, voir : www.dehn.fr

Le produit 927027 a été ajouté au bloc-notes

Le produit 927027 a été ajouté au panier.


BCO MOD ML2 BD

Module de protection d'une largeur de 6 mm pour parafoudre BLITZDUCTORconnect avec indication d'état. Protection de deux conducteurs avec interfaces symétriques.

4 Produits

Référence de la pièce 927042 BCO MOD ML2 BD 12

GTIN 4013364410152, Clients tariffs no (UE): 85363010, Poids brut: 39.00 g, Prix unitaire: 1.00 pièce(s)


Images

Plus d'informations

Module de protection pour
BLITZDUCTORconnect MOD ML2 BD 12
Protection de deux conducteurs avec interfaces asymétriques.
Testé selon EN / IEC 61643-21 et coordonné en énergie selon
selon CEI 61643-22
Classe SPD: type 1 / P2
Catégorie d'impulsion: C1, C2, C3, B2, D1
Indication d'état, largeur de 6 mm
Max. tension de fonctionnement continue: 15,0 V DC / 10,6 V AC
Courant nominal à 70 ° C: 0,75 A
C2 courant de décharge nominal par ligne (8/20): 5 kA
C2 courant de décharge nominal total (8/20): 10 kA
Courant de choc de foudre D1 (10/350 µs) par ligne: 1,5 kA
Courant total de choc de foudre D1 (10/350 µs): 3 kA
Module de remplacement

produit : DEHN
Type: BCO MOD ML2 BD 12
Référence: 927042
ou équivalent

Certificats

 

Caractéristiques techniques

Classe SPD L
Tension nominale (UN ) 12 V
Tension d’utilisation permanente max DC (UC ) 15 V
Courant nominal à 70° C (IL ) 0,75 A
D1 Courant de choc de foudre (10/350 µs) par conducteur (Iimp ) 1,5 kA
C2 Courant nominal de décharge (8/20 µs) total (In ) 10 kA
Impédance série par conducteur 1 Ohm
Bande passante cond-cond (fG ) 2,6 MHz
Certifications UL 497B, CSA, ATEX, IECEx, CCC, SIL
*) Pour en savoir plus, voir : www.dehn.fr

Le produit 927042 a été ajouté au bloc-notes

Le produit 927042 a été ajouté au panier.

Référence de la pièce 927044 BCO MOD ML2 BD 24

GTIN 4013364410169, Clients tariffs no (UE): 85363010, Poids brut: 39.00 g, Prix unitaire: 1.00 pièce(s)


Images

Plus d'informations

Module de protection pour
BLITZDUCTORconnect MOD ML2 BD 24
Protection de deux conducteurs avec interfaces asymétriques.
Testé selon EN / IEC 61643-21 et coordonné en énergie selon
selon CEI 61643-22
Classe SPD: type 1 / P2
Catégorie d'impulsion: C1, C2, C3, B2, D1
Indication d'état, largeur de 6 mm
Max. tension de fonctionnement continue: 36,0 V DC / 25,4 V AC
Courant nominal à 70 ° C: 0,75 A
C2 courant de décharge nominal par ligne (8/20): 5 kA
C2 courant de décharge nominal total (8/20): 10 kA
Courant de choc de foudre D1 (10/350 µs) par ligne: 1,5 kA
Courant total de choc de foudre D1 (10/350 µs): 3 kA
Module de remplacement

produit : DEHN
Type: BCO MOD ML2 BD 24
Référence: 927044
ou équivalent

Certificats

 

Caractéristiques techniques

Classe SPD L
Tension nominale (UN ) 24 V
Tension d’utilisation permanente max DC (UC ) 36 V
Courant nominal à 70° C (IL ) 0,75 A
D1 Courant de choc de foudre (10/350 µs) par conducteur (Iimp ) 1,5 kA
C2 Courant nominal de décharge (8/20 µs) total (In ) 10 kA
Impédance série par conducteur 1 Ohm
Bande passante cond-cond (fG ) 5,8 MHz
Certifications UL 497B, CSA, ATEX, IECEx, CCC, SIL
*) Pour en savoir plus, voir : www.dehn.fr

Le produit 927044 a été ajouté au bloc-notes

Le produit 927044 a été ajouté au panier.

Référence de la pièce 927045 BCO MOD ML2 BD 48

GTIN 4013364410176, Clients tariffs no (UE): 85363010, Poids brut: 39.00 g, Prix unitaire: 1.00 pièce(s)


Images

Plus d'informations

Module de protection pour
BLITZDUCTORconnect MOD ML2 BD 48
Protection de deux conducteurs avec interfaces asymétriques.
Testé selon EN / IEC 61643-21 et coordonné en énergie selon
selon CEI 61643-22
Classe SPD: type 1 / P2
Catégorie d'impulsion: C1, C2, C3, B2, D1
Indication d'état, largeur de 6 mm
Max. tension de fonctionnement continue: 54,0 V DC / 38,1 V AC
Courant nominal à 70 ° C: 0,75 A
C2 courant de décharge nominal par ligne (8/20): 5 kA
C2 courant de décharge nominal total (8/20): 10 kA
Courant de choc de foudre D1 (10/350 µs) par ligne: 1,5 kA
Courant total de choc de foudre D1 (10/350 µs): 3 kA
Module de remplacement

produit : DEHN
Type: BCO MOD ML2 BD 48
Référence: 927045
ou équivalent

Certificats

 

Caractéristiques techniques

Classe SPD L
Tension nominale (UN ) 48 V
Tension d’utilisation permanente max DC (UC ) 56 V
Courant nominal à 70° C (IL ) 0,75 A
D1 Courant de choc de foudre (10/350 µs) par conducteur (Iimp ) 1,5 kA
C2 Courant nominal de décharge (8/20 µs) total (In ) 10 kA
Impédance série par conducteur 1 Ohm
Bande passante cond-cond (fG ) 7,2 MHz
Certifications UL 497B, CSA, ATEX, IECEx, CCC, SIL
*) Pour en savoir plus, voir : www.dehn.fr

Le produit 927045 a été ajouté au bloc-notes

Le produit 927045 a été ajouté au panier.

Référence de la pièce 927047 BCO MOD ML2 BD 180

GTIN 4013364468672, Clients tariffs no (UE): 85363010, Poids brut: 39.00 g, Prix unitaire: 1.00 pièce(s)


Images

Plus d'informations

Module de protection pour
BLITZDUCTORconnect MOD ML2 BD 180
Protection de deux conducteurs avec interfaces asymétriques.
Testé selon EN / IEC 61643-21 et coordonné en énergie selon
selon CEI 61643-22
Classe SPD: type 1 / P2
Catégorie d'impulsion: C1, C2, C3, B2, D1
Indication d'état, largeur de 6 mm
Max. tension de fonctionnement continue: 180 V DC / 127 V AC
Courant nominal à 70 ° C: 0,75 A
C2 courant de décharge nominal par ligne (8/20): 5 kA
C2 courant de décharge nominal total (8/20): 10 kA
Courant de choc de foudre D1 (10/350 µs) par ligne: 1,5 kA
Courant total de choc de foudre D1 (10/350 µs): 3 kA
Module de remplacement

produit : DEHN
Type: BCO MOD ML2 BD 180
Référence: 927047
ou équivalent

Certificats

 

Caractéristiques techniques

Classe SPD L
Tension nominale (UN ) 180 V
Tension d’utilisation permanente max DC (UC ) 180 V
Courant nominal à 70° C (IL ) 0,5 A
D1 Courant de choc de foudre (10/350 µs) par conducteur (Iimp ) 1,5 kA
C2 Courant nominal de décharge (8/20 µs) total (In ) 10 kA
Impédance série par conducteur 1,8 Ohm
Bande passante cond-cond (fG ) 10 MHz
Certifications UL 497B, SIL
*) Pour en savoir plus, voir : www.dehn.fr

Le produit 927047 a été ajouté au bloc-notes

Le produit 927047 a été ajouté au panier.


BCO MOD ML2 BE HF

Module de protection d'une largeur de 6 mm pour parafoudre BLITZDUCTORconnect avec indication d'état. Protection de deux conducteurs partageant un potentiel de référence commun ou une interfaces asymétriques. Adapté à la haute fréquence.

2 Produits

Référence de la pièce 927070 BCO MOD ML2 BE HF 5

GTIN 4013364410183, Clients tariffs no (UE): 85363010, Poids brut: 39.00 g, Prix unitaire: 1.00 pièce(s)


Images

Plus d'informations

Module de protection pour
BLITZDUCTORconnect MOD ML2 BE HF 5
Protection de deux conducteurs
partageant un potentiel de référence commun ou une interfaces asymétriques.
Adapté à la haute fréquence.
Testé selon EN / IEC 61643-21 et coordonné en énergie selon
selon CEI 61643-22
Classe SPD: type 1 / P1
Catégorie d'impulsion: C1, C2, C3, B2, D1
Indication d'état, largeur de 6 mm
Max. tension de fonctionnement continue: 8,5 V DC / 6,0 V AC
Courant nominal à 70 ° C: 0,75 A
Fréquence de coupure 100 MHz
C2 courant de décharge nominal par ligne (8/20): 5 kA
C2 courant de décharge nominal total (8/20): 10 kA
Courant de choc de foudre D1 (10/350 µs) par ligne: 1,5 kA
Courant total de choc de foudre D1 (10/350 µs): 3 kA
Module de remplacement

produit : DEHN
Type: BCO MOD ML2 BE HF 5
Référence: 927070
ou équivalent

Certificats

 

Caractéristiques techniques

Classe SPD M
Tension nominale (UN ) 5 V
Tension d’utilisation permanente max DC (UC ) 8,5 V
Courant nominal à 70° C (IL ) 0,75 A
D1 Courant de choc de foudre (10/350 µs) par conducteur (Iimp ) 1,5 kA
C2 Courant nominal de décharge (8/20 µs) total (In ) 10 kA
Impédance série par conducteur 1 Ohm
Certifications UL 497B, CSA, ATEX, IECEx, CCC, SIL
*) Pour en savoir plus, voir : www.dehn.fr

Le produit 927070 a été ajouté au bloc-notes

Le produit 927070 a été ajouté au panier.

Référence de la pièce 927074 BCO MOD ML2 BE HF 24

GTIN 4013364468573, Clients tariffs no (UE): 85363010, Poids brut: 39.00 g, Prix unitaire: 1.00 pièce(s)


Images

Plus d'informations

Module de protection pour
BLITZDUCTORconnect MOD ML2 BE HF 24
Protection de deux conducteurs
partageant un potentiel de référence
commun ou une interfaces asymétriques.
Adapté à la haute fréquence.
Testé selon EN / IEC 61643-21 et coordonné en énergie selon
selon CEI 61643-22
Classe SPD: type 1 / P1
Catégorie d'impulsion: C1, C2, C3, B2, D1
Indication d'état, largeur de 6 mm
Max. tension de fonctionnement continue: 36 V DC / 25,4 V AC
Courant nominal à 70 ° C: 0,75 A
Fréquence de coupure 100 MHz
C2 courant de décharge nominal par ligne (8/20): 5 kA
C2 courant de décharge nominal total (8/20): 10 kA
Courant de choc de foudre D1 (10/350 µs) par ligne: 1,5 kA
Courant total de choc de foudre D1 (10/350 µs): 3 kA
Module de remplacement

produit : DEHN
Type: BCO MOD ML2 BE HF 24
Référence: 927074
ou équivalent

Certificats

 

Caractéristiques techniques

Classe SPD M
Tension nominale (UN ) 24 V
Tension d’utilisation permanente max DC (UC ) 36 V
Courant nominal à 70° C (IL ) 0,75 A
D1 Courant de choc de foudre (10/350 µs) par conducteur (Iimp ) 1,5 kA
C2 Courant nominal de décharge (8/20 µs) total (In ) 10 kA
Impédance série par conducteur 1 Ohm
Certifications UL 497B, SIL
*) Pour en savoir plus, voir : www.dehn.fr

Le produit 927074 a été ajouté au bloc-notes

Le produit 927074 a été ajouté au panier.


BCO MOD ML2 BD HF

Module de protection d'une largeur de 6 mm pour parafoudre BLITZDUCTORconnect avec indication d'état. Protection de deux conducteurs haute fréquence avec interfaces symétriques.

2 Produits

Référence de la pièce 927071 BCO MOD ML2 BD HF 5

GTIN 4013364410190, Clients tariffs no (UE): 85363010, Poids brut: 39.00 g, Prix unitaire: 1.00 pièce(s)


Images

Plus d'informations

Module de protection pour
BLITZDUCTORconnect MOD ML2 BD HF 5
Protection de deux conducteurs avec interfaces symétriques.
Adapté à la haute fréquence
Testé selon EN / IEC 61643-21 et coordonné en énergie selon
selon CEI 61643-22
Classe SPD: type 1 / P2
Catégorie d'impulsion: C1, C2, C3, B2, D1
Indication d'état, largeur de 6 mm
Max. tension de fonctionnement continue: 8.5,0 V DC / 6,0 V AC
Courant nominal à 70 ° C: 0,75 A
Fréquence de coupure 100 MHz
C2 courant de décharge nominal par ligne (8/20): 5 kA
C2 courant de décharge nominal total (8/20): 10 kA
Courant de choc de foudre D1 (10/350 µs) par ligne: 1,5 kA
Courant total de choc de foudre D1 (10/350 µs): 3 kA
Module de remplacement

produit : DEHN
Type: BCO MOD ML2 BD HF 5
Référence: 927071
ou équivalent

Certificats

 

Caractéristiques techniques

Classe SPD L
Tension nominale (UN ) 5 V
Tension d’utilisation permanente max DC (UC ) 8,5 V
Courant nominal à 70° C (IL ) 0,75 A
D1 Courant de choc de foudre (10/350 µs) par conducteur (Iimp ) 1,5 kA
C2 Courant nominal de décharge (8/20 µs) total (In ) 10 kA
Impédance série par conducteur 1 Ohm
Bande passante cond-cond (fG ) 100 MHz
Certifications UL 497B, CSA, ATEX, IECEx, CCC, SIL
*) Pour en savoir plus, voir : www.dehn.fr

Le produit 927071 a été ajouté au bloc-notes

Le produit 927071 a été ajouté au panier.

Référence de la pièce 927075 BCO MOD ML2 BD HF 24

GTIN 4013364468580, Clients tariffs no (UE): 85363010, Poids brut: 39.00 g, Prix unitaire: 1.00 pièce(s)


Images

Plus d'informations

Module de protection pour
BLITZDUCTORconnect MOD ML2 BD HF 24
Protection de deux conducteurs avec interfaces symétriques.
Adapté à la haute fréquence
Testé selon EN / IEC 61643-21 et coordonné en énergie selon
selon CEI 61643-22
Classe SPD: type 1 / P2
Catégorie d'impulsion: C1, C2, C3, B2, D1
Indication d'état, largeur de 6 mm
Max. tension de fonctionnement continue: 36 V DC / 25,4 V AC
Courant nominal à 70 ° C: 0,75 A
Fréquence de coupure 100 MHz
C2 courant de décharge nominal par ligne (8/20): 5 kA
C2 courant de décharge nominal total (8/20): 10 kA
Courant de choc de foudre D1 (10/350 µs) par ligne: 1,5 kA
Courant total de choc de foudre D1 (10/350 µs): 3 kA
Module de remplacement

produit : DEHN
Type: BCO MOD ML2 BD HF 24
Référence: 927075
ou équivalent

Certificats

 

Caractéristiques techniques

Classe SPD L
Tension nominale (UN ) 24 V
Tension d’utilisation permanente max DC (UC ) 36 V
Courant nominal à 70° C (IL ) 0,75 A
D1 Courant de choc de foudre (10/350 µs) par conducteur (Iimp ) 1,5 kA
C2 Courant nominal de décharge (8/20 µs) total (In ) 10 kA
Impédance série par conducteur 1 Ohm
Bande passante cond-cond (fG ) 100 MHz
Certifications UL 497B, SIL
*) Pour en savoir plus, voir : www.dehn.fr

Le produit 927075 a été ajouté au bloc-notes

Le produit 927075 a été ajouté au panier.


BCO MOD ML2 BD HC5A 24

1 Produit

Référence de la pièce 927054 BCO MOD ML2 BD HC5A 24

GTIN 4013364513426, Clients tariffs no (UE): 85363010, Poids brut: 41.00 g, Prix unitaire: 1.00 pièce(s)


Images

Plus d'informations

Module de protection pour parafoudre combiné
BLITZDUCTORconnect MOD ML2 BD HC5A 24
Module de parafoudre combiné enfichable
pour protéger 1 conducteur double sans potentiel de terre
dans les circuits de signaux à courant nominal élevé,
pour systèmes informatiques et circuits MCR.
testé selon EN/IEC 61643-21
et coordonné énergétiquement selon IEC 61643-22
Classe de parafoudre type 1 / P2
Catégorie d’impulsion : C1, C2, C3, B2, D1
Indicateur d’état, largeur d’installation 6 mm
Tension continue maximale : 36 V DC / 25,4 V AC
Courant nominal à 80 °C : 5 A
C2 Courant nominal de décharge par conducteur (8/20) : 5 kA
C2 courant nominal de décharge total (8/20) : 10 kA
D1 Courant de foudre (10/350 µs) par conducteur : 1,5 kA
D1 Courant de foudre (10/350 µs) total : 3 kA
Module de remplacement

produit : DEHN
Type: BCO MOD ML2 BD HC5A 24
Référence: 927054
ou équivalent

Certificats

 

Caractéristiques techniques

Classe SPD L
Tension nominale (UN ) 24 V
Tension d’utilisation permanente max DC (UC ) 36 V
Courant nominal à 80° C (IL ) 5 A
D1 Courant de choc de foudre (10/350 µs) par conducteur (Iimp ) 1,5 kA
C2 Courant nominal de décharge (8/20 µs) total (In ) 10 kA
Impédance série par conducteur 0 Ohm
Certifications UL 497B, SIL
*) Pour en savoir plus, voir : www.dehn.fr

Le produit 927054 a été ajouté au bloc-notes

Le produit 927054 a été ajouté au panier.


BCO MOD ML2 BPD

Parafoudre débrochable peu encombrant d'une largeur de 6 mm et technologie de connexion push-in avec indication d'état en façade. Protection d'une paire en 24V DC, également adaptées pour des signaux avec un référentiel négatif.
Les thermo-résistances intégrées, permettent le réenclenchement du parafoudre après une décharge entrainant un court-circuit superieur à 40A. Avec déconnexion du signal à des fins de maintenance.

1 Produit

Référence de la pièce 927014 BCO MOD ML2 BPD 24

GTIN 4013364473010, Clients tariffs no (UE): 85363010, Poids brut: 39.00 g, Prix unitaire: 1.00 pièce(s)


Images

Plus d'informations

Parafoudre BLITZDUCTORconnect MOD ML2 BPD 24
modulaire et débrochable
Protection d'une paire en 24V DC, également adaptées
pour des signaux avec un référentiel négatif.
testé selon EN / IEC 61643-21 et coordonnées
énergétiquement selon NF EN 61643-22
Classe de parafoudre de type 1 /P2
Catégorie d'impulsion: C1, C2, C3, B2, D1
Affichage d'état, largeur 6 mm
Tension continue maximale: 33,0 V CC / 23,3 V CA
Courant nominal à 70 ° C: 0,1 A.
C2 Courant de décharge nominal par fil (8/20): 5 kA
C2 Courant nominal de décharge total (8/20): 10 kA
Courant de choc de foudre D1 (10/350 µs) par fil: 1,5 kA
Courant de choc de foudre D1 (10/350 µs) total: 3 kA
avec déconnexion du signal
Connexion des conducteurs Push-in

produit : DEHN
Type: BCO MOD ML2 BPD 24
Référence: 927014
ou équivalent

Certificats

 

Caractéristiques techniques

Classe SPD L
Tension nominale (UN ) 24 V
Tension d’utilisation permanente max DC (UC ) 33 V
Courant nominal à 70° C (IL ) 0,1 A
D1 Courant de choc de foudre (10/350 µs) par conducteur (Iimp ) 1,5 kA
C2 Courant nominal de décharge (8/20 µs) total (In ) 10 kA
Impédance série par conducteur 10 Ohm
Bande passante cond-cond (fG ) 4,5 MHz
Certifications UL 497B, SIL
*) Pour en savoir plus, voir : www.dehn.fr

Le produit 927014 a été ajouté au bloc-notes

Le produit 927014 a été ajouté au panier.


BCO MOD ML2 MVG 230

Module pour parafoudre débrochable d'une largeur de 6 mm et technologie de connexion push-in avec indication d'état en façade. Protection de deux conducteurs sans potentiel commun. Adapté pour des signaux avec une tension nominal de 230V
Avec déconnexion du signal à des fins de maintenance.
Répond également aux exigences des BUS de données de l'industrie ferroviaire.

1 Produit

Référence de la pièce 927090 BCO MOD ML2 MVG 230

GTIN 4013364466531, Clients tariffs no (UE): 85363010, Poids brut: 39.00 g, Prix unitaire: 1.00 pièce(s)


Images

Plus d'informations

Module BLITZDUCTORconnect ML2 MVG 230
modulaire et débrochable
Protection de deux conducteurs
Sans potentiel de terre.
testé selon EN / IEC 61643-21 et coordonnées
énergétiquement selon CEI 61643-22
Classe de parafoudre de type 2/ P3
Catégorie d'impulsion: C1, C2, C3
Indication d'état, largeur de 6 mm
Tension de fonctionnement continue max .: 320 V DC / 250 V AC
Courant nominal à 70 ° C: 3 A
C2 courant de décharge nominal par ligne (8/20): 3 kA
C2 courant de décharge nominal total (8/20): 6 kA
Courant de choc de foudre D1 (10/350 µs) par ligne: 1,5 kA
avec déconnexion de la ligne
Connexion par câble: push-in

produit : DEHN
Type: BCO MOD ML2 MVG 230
Référence: 927090
ou équivalent

Certificats

 

Caractéristiques techniques

Classe SPD V
Tension nominale (UN ) 230 V
Courant nominal à 80° C (IL ) 3 A
C2 Courant nominal de décharge (8/20 µs) total (In ) 6 kA
Impédance série par conducteur 0 Ohm
Certifications SIL
*) Pour en savoir plus, voir : www.dehn.fr

Le produit 927090 a été ajouté au bloc-notes

Le produit 927090 a été ajouté au panier.


BCO MOD ML2 BD EX 24

Module de protection d'une largeur de 6 mm pour parafoudre BLITZDUCTORconnect avec indication d'état en façade. Protection de deux conducteurs de circuits de mesure et de systèmes de bus à sécurité intrinsèque, conforme aux exigences FISCO. Résistance d'isolement > 500 V mise à la terre.

1 Produit

Référence de la pièce 927084 BCO MOD ML2 BD EX 24

GTIN 4013364410206, Clients tariffs no (UE): 85363010, Poids brut: 39.00 g, Prix unitaire: 1.00 pièce(s)


Images

Plus d'informations

Module de protection
BLITZDUCTORconnect MOD ML2 BD EX 24
Protection de deux conducteurs de circuits de signaux à sécurité intrinsèque
testé selon EN / IEC 61643-21 et coordonnées
énergétiquement selon CEI 61643-22
Classe de parafoudre de type 1 /P2
Catégorie d'impulsion: C1, C2, C3, B2, D1
Affichage d'état, largeur 6 mm
Tension continue maximale: 36,0 V DC / 25,4 V AC
Courant nominal à 80 ° C: 0,75 A.
Tension max d'entrée selon EN 60079-11: 30 V
Courant max d'entrée selon EN 60079-11: 0,5 A
C2 Courant de décharge nominal par fil (8/20): 5 kA
C2 Courant nominal de décharge total (8/20): 10 kA
Courant de choc de foudre D1 (10/350 µs) par fil: 1,5 kA
Courant de choc de foudre D1 (10/350 µs) total: 3 kA
Module de remplacement

produit : DEHN
Type: BCO MOD ML2 BD EX 24
Référence: 927084
ou équivalent

Certificats

 

Caractéristiques techniques

Classe SPD L
Tension nominale (UN ) 24 V
Tension d’utilisation permanente max DC (UC ) 36 V
Courant nominal à 80° C (IL ) 0,5 A
D1 Courant de choc de foudre (10/350 µs) par conducteur (Iimp ) 1,5 kA
C2 Courant nominal de décharge (8/20 µs) total (In ) 10 kA
Impédance série par conducteur 1 Ohm
Bande passante cond-cond (fG ) 3,5 MHz
Certifications ATEX, IECEx, CCC, SIL
*) Pour en savoir plus, voir : www.dehn.fr

Le produit 927084 a été ajouté au bloc-notes

Le produit 927084 a été ajouté au panier.


back to top