DEHNvario

Variable arrester series
  • Compact terminals ensure easy and fast installation
  • Direct plug-in technology allows connection without tools
  • Fast arrester replacement by simply releasing and removing the terminal unit
  • Earthing / equipotential bonding via DIN rail
  • Customised and application-specific surge protection

Détails

Optional integrated indication.
lorem ipsum
Direct plug-in technology ensures easy conductor connection without tools.
lorem ipsum
Fast arrester replacement by simply removing the terminal unit.
lorem ipsum
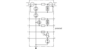
Sample solution: Compact 3-in-1 arrester for protecting 3 interfaces in a single device.
lorem ipsum
Lightning and impulse current carrying earth contact.
lorem ipsum
Integrated test ports for testing the signal circuit by means of test pins.
lorem ipsum

DVR 2 BY S 150 FM

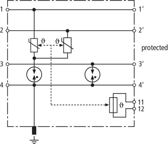
Compact combined arrester for protecting electroacoustic systems (e.g. voice alarm systems, loudspeaker systems). Protection of one galvanically isolated pair; direct or indirect shield earthing. Direct plug-in technology allows fast conductor connection without tools. Easy replacement of the arrester is ensured by the integrated terminal units which can be released and then removed from the enclosure. Integrated remote signalling contact (break contact).

1 Produit

Référence de la pièce 928430 DVR 2 BY S 150 FM

GTIN 4013364261389, Clients tariffs no (UE): 85363010, Poids brut: 161.30 g, Prix unitaire: 1.00 pc(s)


Images

Plus d'informations

Compact DEHNvario combined arrester for electroacoustic systems
Compact combined arrester
of SPD class type 1 / P2
DEHNvario tested according to EN 61643-21
and energy-coordinated according to IEC 61643-22
For protecting electroacoustic systems
(e.g. voice alarm systems, loudspeaker systems)
For protecting one galvanically isolated pair for direct and indirect shield earthing,
fast installation without tools thanks to direct plug-in technology
(the terminal units can be released and removed from the enclosure).
With remote signalling contact, 1 break contact
For mounting on 35 mm DIN rails, two modules

Nominal voltage (a.c.): 100 V
Max. continuous operating voltage (d.c.): 150 V
Max. continuous operating voltage (a.c.): 110 V
Nominal current at 70 °C: 10 A
Nominal current at 80 °C: 7 A
D1 Lightning impulse current (10/350 µs) per line: 2.5 kA
D1 Total lightning impulse current (10/350 µs): 9 kA
C2 Nominal discharge current (8/20 µs) per line: 7.5 kA
C2 Total nominal discharge current (8/20 µs): 22.5 kA
Cut-off frequency line-line: 1.4 MHz
Degree of protection: IP 20

Brand: DEHN
Type: DVR 2 BY S 150 FM
Part No.: 928430
or equivalent.

Certificats

 

Caractéristiques techniques

SPD class L
Max. continuous operating voltage (d.c.) (UC ) 150 V
Nominal current at 70 °C (IL ) 10 A
Nominal current at 80 °C (IL ) 7 A
D1 Lightning impulse current (10/350 µs) per line (Iimp ) 2.5 kA
C2 Total nominal discharge current (8/20 µs) (In ) 22.5 kA
Cut-off frequency line-line (fG ) 1.4 MHz

Le produit 928430 a été ajouté au bloc-notes

Le produit 928430 a été ajouté au panier.


DVR BNC RS485 230

Compact 3-in-1 surge arrester for protecting analogue camera systems. Protection of the video signal (BNC connection), a data signal (RS485) and a voltage supply (230 V a.c.). Direct plug-in technology allows fast conductor connection without tools. Easy replacement of the arrester is ensured by the integrated terminal units which can be released and then removed from the enclosure. Integrated overload indication (230 V).

1 Produit

Référence de la pièce 928440 DVR BNC RS485 230

GTIN 4013364280809, Clients tariffs no (UE): 85363010, Poids brut: 185.50 g, Prix unitaire: 1.00 pc(s)


Images

Plus d'informations

Compact DEHNvario surge arrester for analogue camera systems
Compact 3in1 surge arrester DEHNvario
with class of SPD T2 / type 2
tested according to EN / IEC 61643-11,
IEC 61643-21 and energy-coordinated
according to IEC 61643-22
For protecting a video signal (BNC connection),
data signal (RS485) and voltage supply (230 V a.c.)
Fast installation without tools thanks to direct plug-in
technology (the terminal units can be released and
removed from the enclosure).
For mounting on 35 mm DIN rails, 2 modules

SPD class:
Supply Type 2 / Class II
Data Type 2 / P1
Video Type 2 / P2
Nominal voltage:
Supply 230 V a.c.
Data 5 V d.c.
Video 5 V d.c.
Max. continuous operating voltage:
Supply 255 V a.c.
Data 8 V d.c.
Video 6.4 V d.c.
Nominal current:
Supply 10 A
Data 0.5 A
Video 100 mA
Nominal discharge current:(8/20)
5 kA per core
10 kA total
Cut-off frequency:
Data 100 MHz
Video 300 MHz @ 75 ohms
Degree of protection: IP 20


Brand: DEHN
Type: DVR BNC RS485 230
Part No.: 928440
or equivalent.

Certificats

 

Caractéristiques techniques

Video (BNC)
SPD class U
Max. continuous operating voltage (d.c.) (UC ) 6.4 V
Nominal current (IL ) 0.1 A
C2 Nominal discharge current (8/20 µs) shield-PG (In ) 10 kA
Insertion loss at 300 MHz (75 ohms) ≤ 3.0 dB
Connection (input / output) BNC socket / BNC socket
Data (RS485)
SPD class T
Max. continuous operating voltage (d.c.) (UC ) 8 V
Nominal current (IL ) 0.5 A
C2 Total nominal discharge current (8/20 µs) (In ) 10 kA
Cut-off frequency line-line (fG ) 100 MHz
Voltage supply (230 V)
SPD class type 2 / class II
Max. continuous operating voltage (a.c.) [L-N] (UC ) 255 V (50 / 60 Hz)
Max. continuous operating voltage (a.c.) [N-PE] (UC ) 255 V (50 / 60 Hz)
Nominal current (IL ) 10 A
Nominal discharge current (8/20 µs) (In ) 5 kA
Max. discharge current (8/20 µs) (Imax ) 10 kA
Voltage protection level [L-N] (UP ) ≤ 1.5 kV
Voltage protection level [N-PE] (UP ) ≤ 1.5 kV

Le produit 928440 a été ajouté au bloc-notes

Le produit 928440 a été ajouté au panier.


back to top