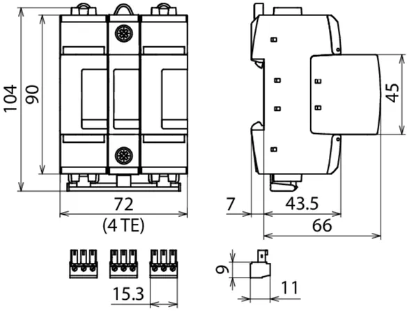
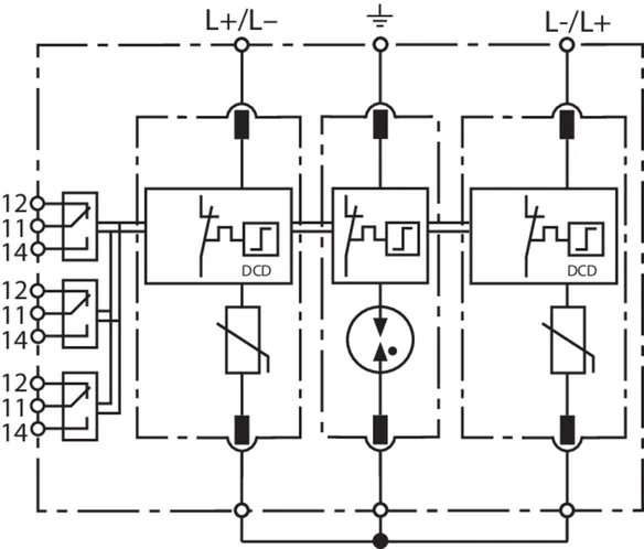
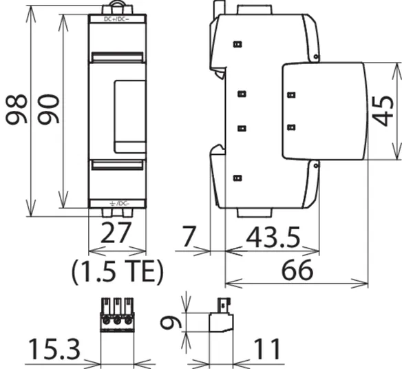
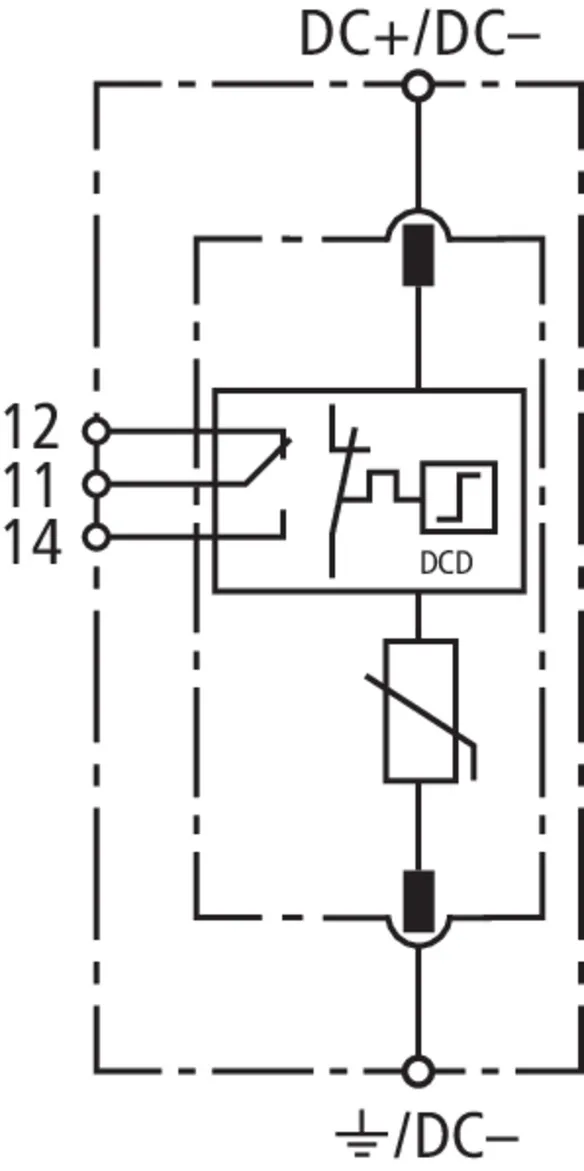
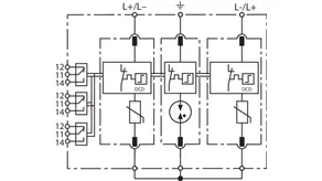
Référence de la pièce 972150 DG M DC ACI 1250 FM
GTIN 4013364530850, Clients tariffs no (UE): 85354000, Poids brut: 757.40 g, Prix unitaire: 1.00 pc(s)
Caractéristiques techniques
| SPD classification similar to EN 61643-41 / ... IEC 61643-41 | Type 2 / class II |
| Max. continuous operating voltage (DC) [DC+ --> DC-] (UC ) | 1250 V |
| Max. continuous operating voltage (DC) [(DC+/DC-) --> PE] (UC ) | 625 V |
| Nominal discharge current (8/20 µs) (In ) | 10 kA |
| Max. nominal impulse discharge current (8/20 µs) (Imax ) | 20 kA |
| Voltage protection level [DC+ --> DC-] (UP ) | < 5 kV |
| Voltage protection level [(DC+/DC-) --> PE] (UP ) | < 2,5 kV |
| Max. short circuit withstand capability (ISCCR ) | 5 kA |
| Type of remote signalling contact | changeover contact |
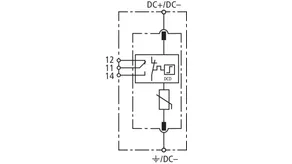
Référence de la pièce 972147 DG ME DC Y 1000 FM
GTIN 4013364519817, Clients tariffs no (UE): 85363030, Poids brut: 530.49 g, Prix unitaire: 1.00 pc(s)
Caractéristiques techniques
| Lightning impulse current (10/350 µs) (Iimp ) | 5 kA |
| Nominal discharge current (8/20 µs) (In ) | 12.5 kA |
| Max. nominal impulse discharge current (8/20 µs) (Imax ) | 20 kA |
| Voltage protection level [DC+ --> DC-] (UP ) | < 3,75 kV |
| Voltage protection level [(DC+/DC-) --> PE] (UP ) | < 2,5 kV |
| Max. short circuit withstand capability (ISCCR ) | 5 kA |
| Type of remote signalling contact | changeover contact |
Référence de la pièce 972110 DG SE DC 60
GTIN 4013364158504, Clients tariffs no (UE): 85363030, Poids brut: 160.00 g, Prix unitaire: 1.00 pc(s)
Caractéristiques techniques
| SPD according to EN 61643-11 / IEC 61643-11 | type 2 / class II |
| Max. continuous operating voltage (d.c.) (UC ) | 60 V |
| Nominal discharge current (8/20 µs) (In ) | 12.5 kA |
| Voltage protection level (UP ) | ≤ 0.5 kV |
| Short-circuit withstand capability without backup fuse (d.c.) (ISCCR ) | 300 A |
| Short-circuit withstand capability for max. mains-side overcurrent protection (d.c.) (ISCCR ) | 25 kA |
| Max. mains-side overcurrent protection | 35 A gG |
Référence de la pièce 972120 DG SE DC 242
GTIN 4013364158528, Clients tariffs no (UE): 85363030, Poids brut: 170.00 g, Prix unitaire: 1.00 pc(s)
Caractéristiques techniques
| SPD according to EN 61643-11 / IEC 61643-11 | type 2 / class II |
| Max. continuous operating voltage (d.c.) (UC ) | 242 V |
| Nominal discharge current (8/20 µs) (In ) | 12.5 kA |
| Voltage protection level (UP ) | ≤ 1.25 kV |
| Short-circuit withstand capability without backup fuse (d.c.) (ISCCR ) | 300 A |
| Short-circuit withstand capability for max. mains-side overcurrent protection (d.c.) (ISCCR ) | 25 kA |
| Max. mains-side overcurrent protection | 35 A gG |
Référence de la pièce 972130 DG SE DC 550
GTIN 4013364158627, Clients tariffs no (UE): 85363030, Poids brut: 184.00 g, Prix unitaire: 1.00 pc(s)
Caractéristiques techniques
| SPD according to EN 61643-11 / IEC 61643-11 | type 2 / class II |
| Max. continuous operating voltage (d.c.) (UC ) | 550 V |
| Nominal discharge current (8/20 µs) (In ) | 12.5 kA |
| Voltage protection level (UP ) | ≤ 2.0 kV |
| Short-circuit withstand capability without backup fuse (d.c.) (ISCCR ) | 200 A |
| Short-circuit withstand capability for max. mains-side overcurrent protection (d.c.) (ISCCR ) | 25 kA |
| Max. mains-side overcurrent protection | 35 A gG |
Référence de la pièce 972140 DG SE DC 900
GTIN 4013364158641, Clients tariffs no (UE): 85363030, Poids brut: 190.00 g, Prix unitaire: 1.00 pc(s)
Caractéristiques techniques
| SPD according to EN 61643-11 / IEC 61643-11 | type 2 / class II |
| Max. continuous operating voltage (d.c.) (UC ) | 900 V |
| Nominal discharge current (8/20 µs) (In ) | 12.5 kA |
| Voltage protection level (UP ) | ≤ 3.0 kV |
| Short-circuit withstand capability without backup fuse (d.c.) (ISCCR ) | 100 A |
| Short-circuit withstand capability for max. mains-side overcurrent protection (d.c.) (ISCCR ) | 25 kA |
| Max. mains-side overcurrent protection | 80 A gPV |
Référence de la pièce 972115 DG SE DC 60 FM
GTIN 4013364158511, Clients tariffs no (UE): 85363030, Poids brut: 164.00 g, Prix unitaire: 1.00 pc(s)
Caractéristiques techniques
| SPD according to EN 61643-11 / IEC 61643-11 | type 2 / class II |
| Max. continuous operating voltage (d.c.) (UC ) | 60 V |
| Nominal discharge current (8/20 µs) (In ) | 12.5 kA |
| Voltage protection level (UP ) | ≤ 0.5 kV |
| Short-circuit withstand capability without backup fuse (d.c.) (ISCCR ) | 300 A |
| Short-circuit withstand capability for max. mains-side overcurrent protection (d.c.) (ISCCR ) | 25 kA |
| Max. mains-side overcurrent protection | 35 A gG |
| Type of remote signalling contact | changeover contact |
Référence de la pièce 972125 DG SE DC 242 FM
GTIN 4013364158610, Clients tariffs no (UE): 85363030, Poids brut: 174.00 g, Prix unitaire: 1.00 pc(s)
Caractéristiques techniques
| SPD according to EN 61643-11 / IEC 61643-11 | type 2 / class II |
| Max. continuous operating voltage (d.c.) (UC ) | 242 V |
| Nominal discharge current (8/20 µs) (In ) | 12.5 kA |
| Voltage protection level (UP ) | ≤ 1.25 kV |
| Short-circuit withstand capability without backup fuse (d.c.) (ISCCR ) | 300 A |
| Short-circuit withstand capability for max. mains-side overcurrent protection (d.c.) (ISCCR ) | 25 kA |
| Max. mains-side overcurrent protection | 35 A gG |
| Type of remote signalling contact | changeover contact |
Référence de la pièce 972135 DG SE DC 550 FM
GTIN 4013364158634, Clients tariffs no (UE): 85363030, Poids brut: 189.00 g, Prix unitaire: 1.00 pc(s)
Caractéristiques techniques
| SPD according to EN 61643-11 / IEC 61643-11 | type 2 / class II |
| Max. continuous operating voltage (d.c.) (UC ) | 550 V |
| Nominal discharge current (8/20 µs) (In ) | 12.5 kA |
| Voltage protection level (UP ) | ≤ 2.0 kV |
| Short-circuit withstand capability without backup fuse (d.c.) (ISCCR ) | 200 A |
| Short-circuit withstand capability for max. mains-side overcurrent protection (d.c.) (ISCCR ) | 25 kA |
| Max. mains-side overcurrent protection | 35 A gG |
| Type of remote signalling contact | changeover contact |
Référence de la pièce 972145 DG SE DC 900 FM
GTIN 4013364158658, Clients tariffs no (UE): 85363030, Poids brut: 194.00 g, Prix unitaire: 1.00 pc(s)
Caractéristiques techniques
| SPD according to EN 61643-11 / IEC 61643-11 | type 2 / class II |
| Max. continuous operating voltage (d.c.) (UC ) | 900 V |
| Nominal discharge current (8/20 µs) (In ) | 12.5 kA |
| Voltage protection level (UP ) | ≤ 3.0 kV |
| Short-circuit withstand capability without backup fuse (d.c.) (ISCCR ) | 100 A |
| Short-circuit withstand capability for max. mains-side overcurrent protection (d.c.) (ISCCR ) | 25 kA |
| Max. mains-side overcurrent protection | 80 A gPV |
| Type of remote signalling contact | changeover contact |

