Supports pour conducteur HVI dans les zones à risque d’explosion

L’exploitant de locaux industriels exposés à un danger d’explosion est tenu de subdiviser ces installations ou parties d'installations en différentes zones en fonction des risques d’explosion. Pour ces installations, la foudre est l’une des causes d’inflammation potentielle à considérer. D’après l’ordonnance sur la sécurité d’exploitation, il est exigé d’établir un document concernant la protection contre les explosions. Ce document traitant de la protection contre les explosions décrit les différentes zones exposées à un danger d’explosion.

Le conducteur HVI a été conçu pour être installé dans les zones à risque d’explosion 1 (gaz, vapeurs, brouillard) ainsi que dans les zones 21 (poussières).
En respectant certaines conditions d’installation particulières, il est possible de garantir qu’une étincelle électrique provoquée par une décharge du courant de foudre puisse être évitée au moyen du conducteur HVI.

Détails

lorem ipsum
lorem ipsum
Dessin – montage dans des zones à risque d'explosion 1 et 21 sur une façade métallique.
lorem ipsum

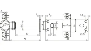
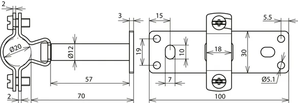
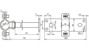
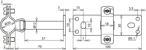
HVI Ex W70 holder

Pour la fixation sur des éléments de construction métalliques (façades) dans les zones à risque d'explosion 1 et 21.

1 Produit

Référence de la pièce 275440 LH ZS 20 EX W70 BP V2A

GTIN 4013364146914, Clients tariffs no (UE): 85389099, Poids brut: 164.60 g, Prix unitaire: 10.00 pièce(s)

Précédent

Images

Plus d'informations


Support conducteur rd: 20 mm
Fixation: [4x] Ø5,1 / [2x] 7 x 10 mm
Normes: IEC/TS 62561-8

produit : DEHN
Type: LH ZS 20 EX W70 BP V2A
Référence: 275440
ou équivalent

Certificats

 

Caractéristiques techniques

Matériau INOX
Support conducteur rd 20 mm
Distance au mur 70 mm
Fixation [4x] Ø5,1 / [2x] 7 x 10 mm
Normes IEC/TS 62561-8

Le produit 275440 a été ajouté au bloc-notes

Le produit 275440 a été ajouté au panier.


HVI Ex W200 holder

Pour la fixation sur des éléments de construction métalliques (façades) dans les zones à risque d'explosion 1 et 21.

1 Produit

Référence de la pièce 275441 LH ZS 20 EX W200 BP V2A

GTIN 4013364146921, Clients tariffs no (UE): 85389099, Poids brut: 255.60 g, Prix unitaire: 10.00 pièce(s)


Images

Plus d'informations


Support conducteur rd: 20 mm
Fixation: [4x] Ø5,1 / [2x] 7 x 10 mm
Normes: IEC/TS 62561-8

produit : DEHN
Type: LH ZS 20 EX W200 BP V2A
Référence: 275441
ou équivalent

Certificats

 

Caractéristiques techniques

Matériau INOX
Support conducteur rd 20 mm
Distance au mur 200 mm
Fixation [4x] Ø5,1 / [2x] 7 x 10 mm
Normes IEC/TS 62561-8

Le produit 275441 a été ajouté au bloc-notes

Le produit 275441 a été ajouté au panier.


HVI Ex busbar 500

Pour la pose du conducteur HVI sur des supports HVI-Ex W70 holder (réf. 275 440) sur une structure non conductrice, par ex. en pierre ou en bois.

1 Produit

Référence de la pièce 275498 VS EX 500 V2A

GTIN 4013364146945, Clients tariffs no (UE): 85389099, Poids brut: 320.00 g, Prix unitaire: 10.00 pièce(s)

Précédent

Images

Plus d'informations


Matériau - entretoise: INOX
Fixation: [4x] Ø5,5 / [2x] 7 x 10 mm
Dimensions: 450 x 30 x 3 mm

produit : DEHN
Type: VS EX 500 V2A
Référence: 275498
ou équivalent

Certificats

 

Caractéristiques techniques

Matériau - entretoise INOX
Fixation [4x] Ø5,5 / [2x] 7 x 10 mm
Dimensions (l x l x p) 450 x 30 x 3 mm

Le produit 275498 a été ajouté au bloc-notes

Le produit 275498 a été ajouté au panier.


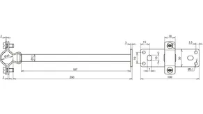
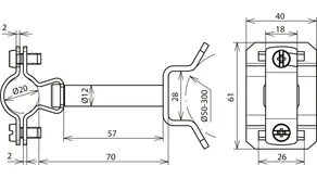
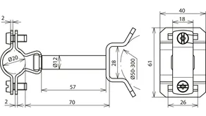
HVI Ex P70 holder

Pour la fixation aux tubes, par ex. avec un collier de serrage (réf. 106 323) dans les zones à risque d'explosion 1 et 21.

1 Produit

Référence de la pièce 275444 LH ZS 20 EX P70 SBB V2A

GTIN 4013364244252, Clients tariffs no (UE): 85389099, Poids brut: 173.20 g, Prix unitaire: 10.00 pièce(s)


Images

Plus d'informations


Support conducteur rd: 20 mm
Plage de serrage - tube : 50-300 mm
Normes: IEC/TS 62561-8

produit : DEHN
Type: LH ZS 20 EX P70 SBB V2A
Référence: 275444
ou équivalent

Certificats

 

Caractéristiques techniques

Matériau INOX
Support conducteur rd 20 mm
Distance au mur 70 mm
Plage de serrage - tube 50-300 mm
Normes IEC/TS 62561-8

Le produit 275444 a été ajouté au bloc-notes

Le produit 275444 a été ajouté au panier.


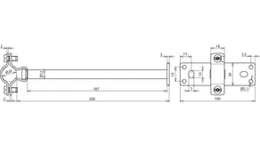
HVI Ex P200 holder

Pour la fixation sur des éléments de construction métalliques (façades) dans les zones à risque d'explosion 1 et 21.

1 Produit

Référence de la pièce 275442 LH ZS 20 EX P200 SBB V2A

GTIN 4013364146938, Clients tariffs no (UE): 85389099, Poids brut: 264.00 g, Prix unitaire: 10.00 pièce(s)

Précédent

Images

Plus d'informations


Support conducteur rd: 20 mm
Plage de serrage - tube : 50-300 mm
Normes: IEC/TS 62561-8

produit : DEHN
Type: LH ZS 20 EX P200 SBB V2A
Référence: 275442
ou équivalent

Certificats

 

Caractéristiques techniques

Matériau INOX
Support conducteur rd 20 mm
Distance au mur 200 mm
Plage de serrage - tube 50-300 mm
Normes IEC/TS 62561-8

Le produit 275442 a été ajouté au bloc-notes

Le produit 275442 a été ajouté au panier.


back to top