Parafoudre DEHNrapid LSA

  • Protection adaptable pour 1 à 10 paires pour systèmes LSA de la série 2/10
  • La barrette de sectionnement LSA intégrée dans le parafoudre permet d'effectuer le sectionnement et le brassage
  • Système modulaire, la réalisation d’un parafoudre combiné est possible

Détails

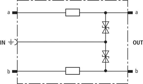
Modules de protection contre les surtensions pour une protection optimale des équipements terminaux.
lorem ipsum
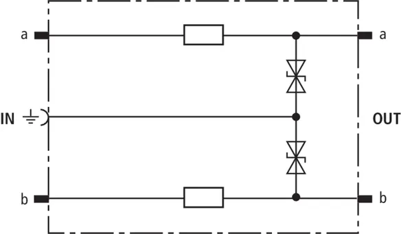
Système modulaire comprenant le chargeur avec les éclateurs à gaz, le châssis de mise à la terre et les modules de protection.
lorem ipsum
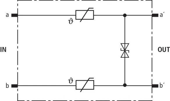
Protection combinée contre la foudre pour barrettes de raccordement LSA.
lorem ipsum
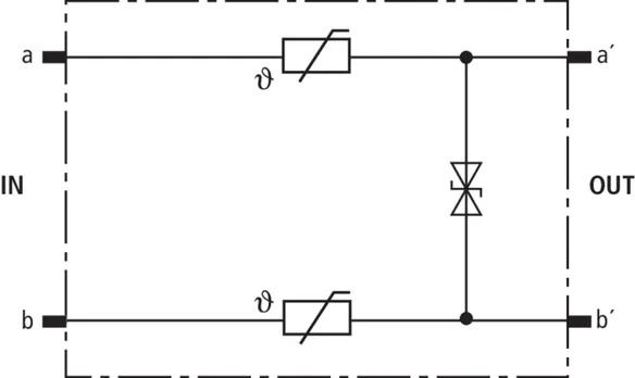
Chargeur résistant aux courants de foudre, équipé d’éclateurs à gaz. Indication optique de défaut et fonction « fail-safe » en option.
lorem ipsum
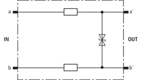
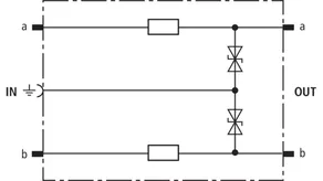
Parafoudres enfichables sous forme de blocs de protection raccordés par des barrettes de raccordement ou de sectionnement.
lorem ipsum


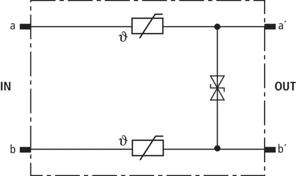
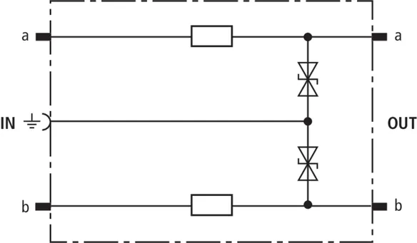
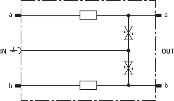
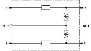
DRL 10 B

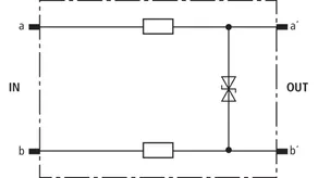
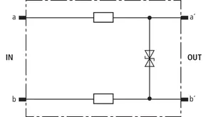
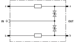
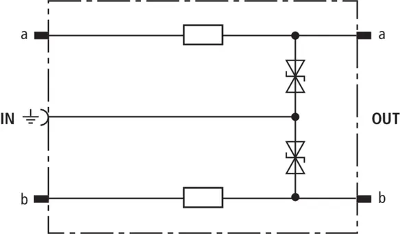
Chargeur DRL 10 paires résistant aux courants de foudre avec éclateurs à gaz tripolaires pour presque toutes les applications, transformable avec des protections antisurtension enfichables DRL en parafoudre combiné. Les contacts de déconnexion intégrés permettent d'effectuer des tests, des mesures et des brassages même si la protection antisurtension est enfichée.

1 Produit

Référence de la pièce 907400 DRL 10 B 180

GTIN 4013364107557, Clients tariffs no (UE): 85363010, Poids brut: 69.90 g, Prix unitaire: 1.00 pièce(s)

Précédent

Images

Plus d'informations


Tension d’utilisation permanente max DC: 180 V
Courant nominal: 0,4 A

produit : DEHN
Type: DRL 10 B 180
Référence: 907400
ou équivalent

Certificats

 

Caractéristiques techniques

Classe SPD G
Tension d’utilisation permanente max DC (UC ) 180 V
Courant nominal (IL ) 0,4 A
D1 Courant de foudre (10/350 µs) total (Iimp ) 5 kA
C2 Courant nominal de décharge (8/20 µs) total (In ) 10 kA
Impédance série par conducteur ≤ 0,005 ohm
Enfichable dans barrette de sectionnement LSA 2/10

Le produit 907400 a été ajouté au bloc-notes

Le produit 907400 a été ajouté au panier.


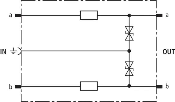
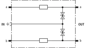
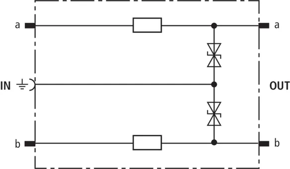
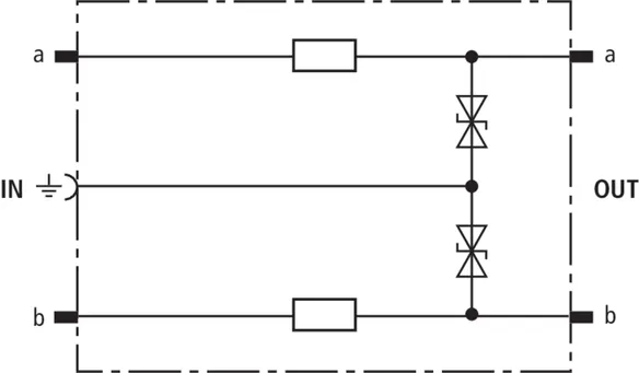
DRL 10 B FSD

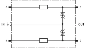
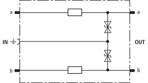
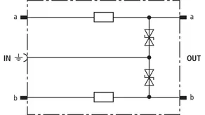
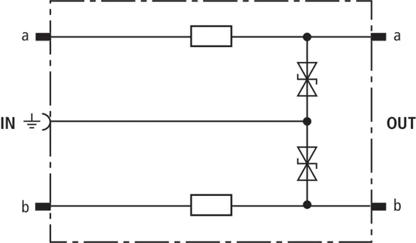
Chargeur DRL 10 paires résistant aux courants de foudre pour presque toutes les applications, transformable avec des protections antisurtension enfichables DRL en parafoudre combiné. Les contacts d'ouverture intégrés permettent d'effectuer des tests, des mesures et des brassages même si la protection anti-surtension est enfichée. Les éclateurs à gaz tripolaires disposent d'une fonction « fail-safe » avec indication optique de défaut.

1 Produit

Référence de la pièce 907401 DRL 10 B 180 FSD

GTIN 4013364107564, Clients tariffs no (UE): 85363010, Poids brut: 74.30 g, Prix unitaire: 1.00 pièce(s)


Images

Plus d'informations


Tension d’utilisation permanente max DC: 180 V
Courant nominal: 0,4 A

produit : DEHN
Type: DRL 10 B 180 FSD
Référence: 907401
ou équivalent

Certificats

 

Caractéristiques techniques

Classe SPD G
Indication de défaut optique par changement de couleur
Tension d’utilisation permanente max DC (UC ) 180 V
Courant nominal (IL ) 0,4 A
D1 Courant de foudre (10/350 µs) total (Iimp ) 5 kA
C2 Courant nominal de décharge (8/20 µs) total (In ) 10 kA
Impédance série par conducteur ≤ 0,005 ohm
Enfichable dans barrette de sectionnement LSA 2/10

Le produit 907401 a été ajouté au bloc-notes

Le produit 907401 a été ajouté au panier.


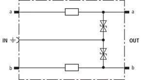
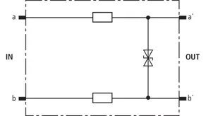
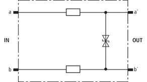
DRL RE

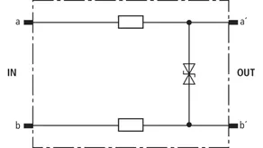
Protection enfichable pour une paire coordonnée énergétiquement avec le chargeur DRL pour une protection des équipements terminaux avec impédances de découplage. Particulièrement approprié pour les circuits de signaux avec niveau de tension commun. Mise à la terre par EF 10 DRL. Seulement pour barrettes de sectionnement ou chargeur DRL.

5 Produits

Référence de la pièce 907421 DRL RE 12

GTIN 4013364107618, Clients tariffs no (UE): 85363010, Poids brut: 5.40 g, Prix unitaire: 10.00 pièce(s)

Précédent

Images

Plus d'informations


Tension d’utilisation permanente max DC: 14 V
Courant nominal: 0,4 A

produit : DEHN
Type: DRL RE 12
Référence: 907421
ou équivalent

Certificats

 

Caractéristiques techniques

Classe SPD O
Tension d’utilisation permanente max DC (UC ) 14 V
Courant nominal (IL ) 0,4 A
D1 Courant de foudre (10/350 µs) total en combinaison avec DRL 10 B... (Iimp ) 5 kA
C2 Courant nominal de décharge (8/20 µs) total en combinaison avec DRL 10 B... (In ) 10 kA
Impédance série par conducteur 4,7 ohm
Bande passante cond-terre (fG ) 2,7 MHz
Enfichable dans barrette de sectionnement LSA 2/10 ou chargeur DRL 10 B ...

Le produit 907421 a été ajouté au bloc-notes

Le produit 907421 a été ajouté au panier.

Référence de la pièce 907422 DRL RE 24

GTIN 4013364107625, Clients tariffs no (UE): 85363010, Poids brut: 5.40 g, Prix unitaire: 10.00 pièce(s)

Précédent

Images

Plus d'informations


Tension d’utilisation permanente max DC: 28 V
Courant nominal: 0,4 A

produit : DEHN
Type: DRL RE 24
Référence: 907422
ou équivalent

Certificats

 

Caractéristiques techniques

Classe SPD O
Tension d’utilisation permanente max DC (UC ) 28 V
Courant nominal (IL ) 0,4 A
D1 Courant de foudre (10/350 µs) total en combinaison avec DRL 10 B... (Iimp ) 5 kA
C2 Courant nominal de décharge (8/20 µs) total en combinaison avec DRL 10 B... (In ) 10 kA
Impédance série par conducteur 4,7 ohm
Bande passante cond-terre (fG ) 4,5 MHz
Enfichable dans barrette de sectionnement LSA 2/10 ou chargeur DRL 10 B ...

Le produit 907422 a été ajouté au bloc-notes

Le produit 907422 a été ajouté au panier.

Référence de la pièce 907423 DRL RE 48

GTIN 4013364107632, Clients tariffs no (UE): 85363010, Poids brut: 5.40 g, Prix unitaire: 10.00 pièce(s)

Précédent

Images

Plus d'informations


Tension d’utilisation permanente max DC: 54 V
Courant nominal: 0,4 A

produit : DEHN
Type: DRL RE 48
Référence: 907423
ou équivalent

Certificats

 

Caractéristiques techniques

Classe SPD O
Tension d’utilisation permanente max DC (UC ) 54 V
Courant nominal (IL ) 0,4 A
D1 Courant de foudre (10/350 µs) total en combinaison avec DRL 10 B... (Iimp ) 5 kA
C2 Courant nominal de décharge (8/20 µs) total en combinaison avec DRL 10 B... (In ) 10 kA
Impédance série par conducteur 6,8 ohm
Bande passante cond-terre (fG ) 7,35 MHz
Enfichable dans barrette de sectionnement LSA 2/10 ou chargeur DRL 10 B ...

Le produit 907423 a été ajouté au bloc-notes

Le produit 907423 a été ajouté au panier.

Référence de la pièce 907424 DRL RE 60

GTIN 4013364107649, Clients tariffs no (UE): 85363010, Poids brut: 5.40 g, Prix unitaire: 10.00 pièce(s)

Précédent

Images

Plus d'informations


Tension d’utilisation permanente max DC: 70 V
Courant nominal: 0,4 A

produit : DEHN
Type: DRL RE 60
Référence: 907424
ou équivalent

Certificats

 

Caractéristiques techniques

Classe SPD O
Tension d’utilisation permanente max DC (UC ) 70 V
Courant nominal (IL ) 0,4 A
D1 Courant de foudre (10/350 µs) total en combinaison avec DRL 10 B... (Iimp ) 5 kA
C2 Courant nominal de décharge (8/20 µs) total en combinaison avec DRL 10 B... (In ) 10 kA
Impédance série par conducteur 6,8 ohm
Bande passante cond-terre (fG ) 10,5 MHz
Enfichable dans barrette de sectionnement LSA 2/10 ou chargeur DRL 10 B ...

Le produit 907424 a été ajouté au bloc-notes

Le produit 907424 a été ajouté au panier.

Référence de la pièce 907425 DRL RE 180

GTIN 4013364107656, Clients tariffs no (UE): 85363010, Poids brut: 5.40 g, Prix unitaire: 10.00 pièce(s)

Précédent

Images

Plus d'informations


Tension d’utilisation permanente max DC: 180 V
Courant nominal: 0,1 A

produit : DEHN
Type: DRL RE 180
Référence: 907425
ou équivalent

Certificats

 

Caractéristiques techniques

Classe SPD O
Tension d’utilisation permanente max DC (UC ) 180 V
Courant nominal (IL ) 0,1 A
D1 Courant de foudre (10/350 µs) total en combinaison avec DRL 10 B... (Iimp ) 5 kA
C2 Courant nominal de décharge (8/20 µs) total en combinaison avec DRL 10 B... (In ) 10 kA
Impédance série par conducteur 4,7 ohm
Bande passante cond-terre (fG ) 42 MHz
Enfichable dans barrette de sectionnement LSA 2/10 ou chargeur DRL 10 B ...

Le produit 907425 a été ajouté au bloc-notes

Le produit 907425 a été ajouté au panier.


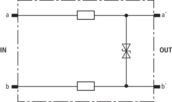
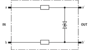
DRL RD

Protection antisurtension enfichable pour 1 paire de conducteurs (DA), coordonné énergétiquement avec le chargeur DRL comme protection des équipements terminaux. Bas niveau de protection conducteur-conducteur pour interfaces sans potentiel. Montage avec EF 10 DRL. Installation recommandée uniquement en complément du chargeur DRL.

5 Produits

Référence de la pièce 907441 DRL RD 12

GTIN 4013364107694, Clients tariffs no (UE): 85363010, Poids brut: 5.40 g, Prix unitaire: 10.00 pièce(s)

Précédent

Images

Plus d'informations


Tension d’utilisation permanente max DC: 14 V
Courant nominal: 0,4 A

produit : DEHN
Type: DRL RD 12
Référence: 907441
ou équivalent

Certificats

 

Caractéristiques techniques

Classe SPD O
Tension d’utilisation permanente max DC (UC ) 14 V
Courant nominal (IL ) 0,4 A
D1 Courant de foudre (10/350 µs) total en combinaison avec DRL 10 B... (Iimp ) 5 kA
C2 Courant nominal de décharge (8/20 µs) total en combinaison avec DRL 10 B... (In ) 10 kA
Impédance série par conducteur 2,2 ohm
Bande passante cond-cond (fG ) 2,7 MHz
Enfichable dans barrette de sectionnement LSA 2/10 ou chargeur DRL 10 B ...

Le produit 907441 a été ajouté au bloc-notes

Le produit 907441 a été ajouté au panier.

Référence de la pièce 907442 DRL RD 24

GTIN 4013364107700, Clients tariffs no (UE): 85363010, Poids brut: 5.40 g, Prix unitaire: 10.00 pièce(s)


Images

Plus d'informations


Tension d’utilisation permanente max DC: 28 V
Courant nominal: 0,4 A

produit : DEHN
Type: DRL RD 24
Référence: 907442
ou équivalent

Certificats

 

Caractéristiques techniques

Classe SPD O
Tension d’utilisation permanente max DC (UC ) 28 V
Courant nominal (IL ) 0,4 A
D1 Courant de foudre (10/350 µs) total en combinaison avec DRL 10 B... (Iimp ) 5 kA
C2 Courant nominal de décharge (8/20 µs) total en combinaison avec DRL 10 B... (In ) 10 kA
Impédance série par conducteur 2,2 ohm
Bande passante cond-cond (fG ) 5,4 MHz
Enfichable dans barrette de sectionnement LSA 2/10 ou chargeur DRL 10 B ...

Le produit 907442 a été ajouté au bloc-notes

Le produit 907442 a été ajouté au panier.

Référence de la pièce 907443 DRL RD 48

GTIN 4013364107717, Clients tariffs no (UE): 85363010, Poids brut: 5.40 g, Prix unitaire: 10.00 pièce(s)


Images

Plus d'informations


Tension d’utilisation permanente max DC: 54 V
Courant nominal: 0,4 A

produit : DEHN
Type: DRL RD 48
Référence: 907443
ou équivalent

Certificats

 

Caractéristiques techniques

Classe SPD O
Tension d’utilisation permanente max DC (UC ) 54 V
Courant nominal (IL ) 0,4 A
D1 Courant de foudre (10/350 µs) total en combinaison avec DRL 10 B... (Iimp ) 5 kA
C2 Courant nominal de décharge (8/20 µs) total en combinaison avec DRL 10 B... (In ) 10 kA
Impédance série par conducteur 4,7 ohm
Bande passante cond-cond (fG ) 7,8 MHz
Enfichable dans barrette de sectionnement LSA 2/10 ou chargeur DRL 10 B ...

Le produit 907443 a été ajouté au bloc-notes

Le produit 907443 a été ajouté au panier.

Référence de la pièce 907444 DRL RD 60

GTIN 4013364107724, Clients tariffs no (UE): 85363010, Poids brut: 5.40 g, Prix unitaire: 10.00 pièce(s)


Images

Plus d'informations


Tension d’utilisation permanente max DC: 70 V
Courant nominal: 0,4 A

produit : DEHN
Type: DRL RD 60
Référence: 907444
ou équivalent

Certificats

 

Caractéristiques techniques

Classe SPD O
Tension d’utilisation permanente max DC (UC ) 70 V
Courant nominal (IL ) 0,4 A
D1 Courant de foudre (10/350 µs) total en combinaison avec DRL 10 B... (Iimp ) 5 kA
C2 Courant nominal de décharge (8/20 µs) total en combinaison avec DRL 10 B... (In ) 10 kA
Impédance série par conducteur 4,7 ohm
Bande passante cond-cond (fG ) 11 MHz
Enfichable dans barrette de sectionnement LSA 2/10 ou chargeur DRL 10 B ...

Le produit 907444 a été ajouté au bloc-notes

Le produit 907444 a été ajouté au panier.

Référence de la pièce 907445 DRL RD 110

GTIN 4013364118461, Clients tariffs no (UE): 85363010, Poids brut: 3.30 g, Prix unitaire: 10.00 pièce(s)


Images

Plus d'informations


Tension d’utilisation permanente max DC: 180 V
Courant nominal: 0,4 A

produit : DEHN
Type: DRL RD 110
Référence: 907445
ou équivalent

Certificats

 

Caractéristiques techniques

Classe SPD O
Tension d’utilisation permanente max DC (UC ) 180 V
Courant nominal (IL ) 0,4 A
D1 Courant de foudre (10/350 µs) total en combinaison avec DRL 10 B... (Iimp ) 5 kA
C2 Courant nominal de décharge (8/20 µs) total en combinaison avec DRL 10 B... (In ) 10 kA
Impédance série par conducteur 4,7 ohm
Bande passante cond-cond (fG ) 20 MHz
Enfichable dans barrette de sectionnement LSA 2/10 ou chargeur DRL 10 B ...

Le produit 907445 a été ajouté au bloc-notes

Le produit 907445 a été ajouté au panier.


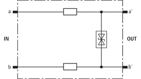
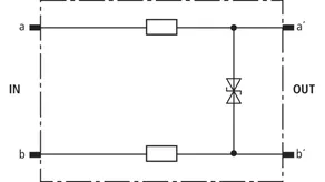
DRL PD

Protection antisurtension enfichable pour 1 paire de conducteurs (DA), coordonné énergétiquement avec chargeur DRL comme protection combinée des équipements terminaux. Bas niveau de protection conducteur-conducteur et protection contre les surintensités intégrés pour ADSL, RNIS (ISDN) Uko ou conducteurs a/b. Montage avec EF 10 DRL. Installation recommandée uniquement en complément du chargeur DRL.

1 Produit

Référence de la pièce 907430 DRL PD 180

GTIN 4013364107670, Clients tariffs no (UE): 85363010, Poids brut: 3.90 g, Prix unitaire: 10.00 pièce(s)

Précédent

Images

Plus d'informations


Tension d’utilisation permanente max DC: 180 V
Courant nominal: 0,1 A

produit : DEHN
Type: DRL PD 180
Référence: 907430
ou équivalent

Certificats

 

Caractéristiques techniques

Classe SPD O
Tension d’utilisation permanente max DC (UC ) 180 V
Courant nominal (IL ) 0,1 A
D1 Courant de foudre (10/350 µs) total en combinaison avec DRL 10 B... (Iimp ) 5 kA
C2 Courant nominal de décharge (8/20 µs) total en combinaison avec DRL 10 B... (In ) 10 kA
Impédance série par conducteur 10 ohm +/- 15 %
Bande passante cond-cond (fG ) 61 MHz
Enfichable dans barrette de sectionnement LSA 2/10 ou chargeur DRL 10 B...

Le produit 907430 a été ajouté au bloc-notes

Le produit 907430 a été ajouté au panier.


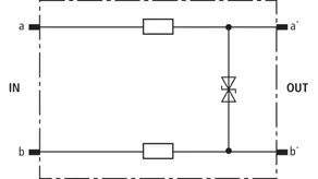
DRL HD

Protection antisurtension enfichable pour 1 paire de conducteurs (DA), coordonnée énergétiquement avec le chargeur DRL comme protection combinée des équipements terminaux pour transmissions haute fréquence tel que G.703 ou RNIS U2m, S2m et S0. Montage avec EF 10 DRL. Installation recommandée uniquement en complément du chargeur DRL.

1 Produit

Référence de la pièce 907470 DRL HD 24

GTIN 4013364107663, Clients tariffs no (UE): 85363010, Poids brut: 5.40 g, Prix unitaire: 10.00 pièce(s)

Précédent

Images

Plus d'informations


Tension d’utilisation permanente max DC: 28 V
Courant nominal: 0,4 A

produit : DEHN
Type: DRL HD 24
Référence: 907470
ou équivalent

Certificats

 

Caractéristiques techniques

Classe SPD O
Tension d’utilisation permanente max DC (UC ) 28 V
Courant nominal (IL ) 0,4 A
D1 Courant de foudre (10/350 µs) total en combinaison avec DRL 10 B... (Iimp ) 5 kA
C2 Courant nominal de décharge (8/20 µs) total en combinaison avec DRL 10 B... (In ) 10 kA
Impédance série par conducteur 4,7 ohm
Enfichable dans barrette de sectionnement LSA 2/10 ou chargeur DRL 10 B ...

Le produit 907470 a été ajouté au bloc-notes

Le produit 907470 a été ajouté au panier.


back to top