DEHNgate - parafoudre coaxial

  • Parafoudre combiné universel
  • Capacité d'écoulement élevée pour systèmes coaxiaux
  • Le bas niveau de protection permet également la protection des équipements terminaux
  • Durabilité très élevée des matériaux de contact

Détails

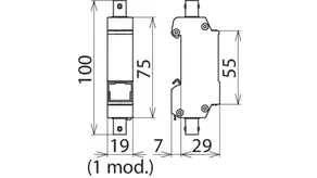
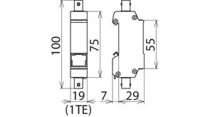
Raccordement F pour systèmes 75 ohm.
lorem ipsum
Parafoudre pour installations SAT et BK.
lorem ipsum
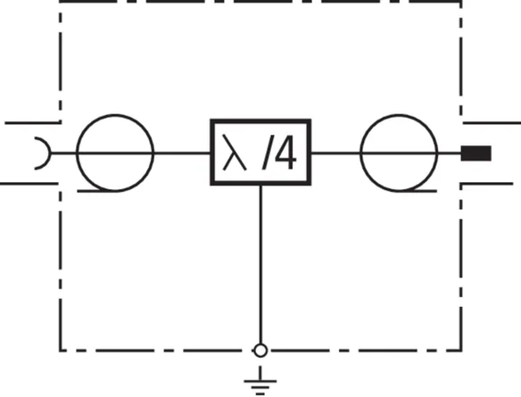
Technologie Lambda/4 sans entretien pour la protection d'applications haute fréquence (par ex. LTE (Long Term Evolution).
lorem ipsum
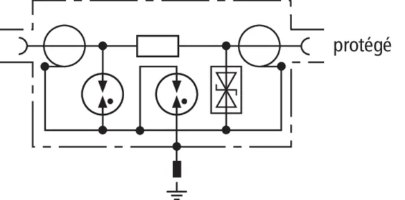
Parafoudre coaxial avec capsule de gaz.
lorem ipsum

DGA BNC VC

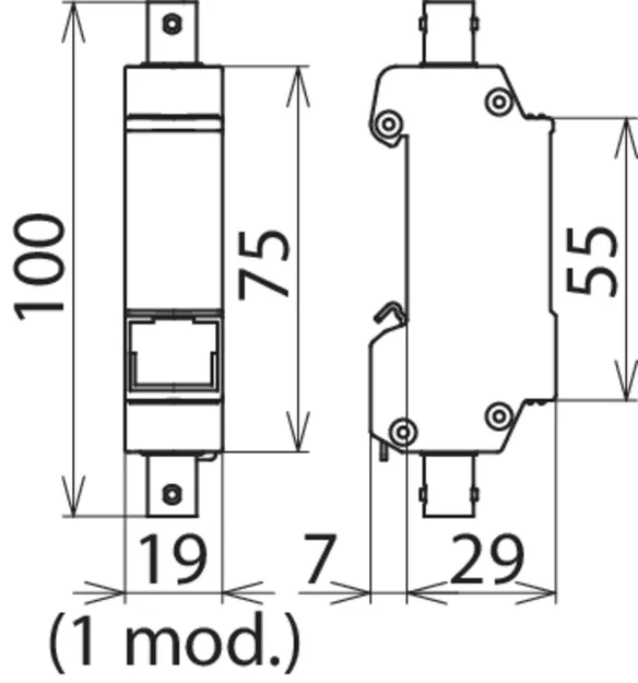
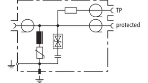
Parafoudre à encombrement réduit avec raccordement BNC pour montage sur rail DIN et conçu pour la protection de systèmes vidéo et de caméras. Avec mise à la terre directe (VCD) ou indirecte (VCID) du blindage afin d’éviter les interférences CEM.

2 Produits

Référence de la pièce 909710 DGA BNC VCD

GTIN 4013364118942, Clients tariffs no (UE): 85363010, Poids brut: 126.00 g, Prix unitaire: 1.00 pièce(s)


Images

Plus d'informations


Tension d’utilisation permanente max DC: 6,4 V
D1 Courant de foudre (10/350 µs): 1 kA
Bande passante: 0-300 MHz

produit : DEHN
Type: DGA BNC VCD
Référence: 909710
ou équivalent

Certificats

 

Caractéristiques techniques

Classe SPD T
Tension d’utilisation permanente max DC (UC ) 6,4 V
Courant nominal (IL ) 0,1 A
D1 Courant de foudre (10/350 µs) (Iimp ) 1 kA
C2 Courant nominal de décharge (8/20 µs) cond-blindage (In ) 5 kA
Bande passante 0-300 MHz
Raccordement d'entrée/de sortie prise BNC/prise BNC
Certifications CSA, UL

Le produit 909710 a été ajouté au bloc-notes

Le produit 909710 a été ajouté au panier.

Référence de la pièce 909711 DGA BNC VCID

GTIN 4013364118980, Clients tariffs no (UE): 85363010, Poids brut: 127.50 g, Prix unitaire: 1.00 pièce(s)


Images

Plus d'informations


Tension d’utilisation permanente max DC: 6,4 V
D1 Courant de foudre (10/350 µs): 1 kA
Bande passante: 0-300 MHz

produit : DEHN
Type: DGA BNC VCID
Référence: 909711
ou équivalent

Certificats

 

Caractéristiques techniques

Classe SPD T
Tension d’utilisation permanente max DC (UC ) 6,4 V
Courant nominal (IL ) 0,1 A
D1 Courant de foudre (10/350 µs) (Iimp ) 1 kA
C2 Courant nominal de décharge (8/20 µs) cond-blindage (In ) 5 kA
Bande passante 0-300 MHz
Raccordement d'entrée/de sortie prise BNC/prise BNC
Certifications CSA, UL

Le produit 909711 a été ajouté au bloc-notes

Le produit 909711 a été ajouté au panier.


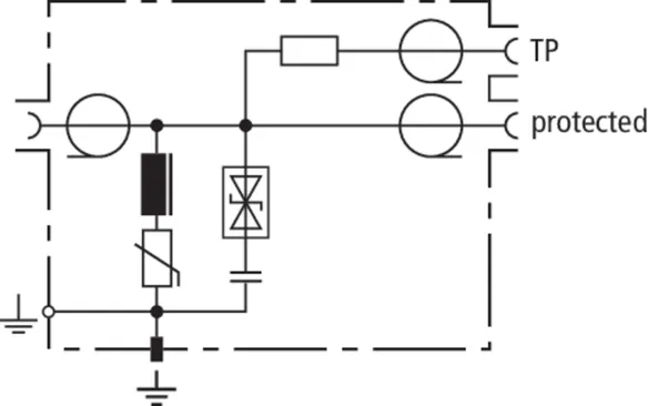
DGA TV

Les parafoudres DGA... TV sont des protections appropriées aux alimentations de systèmes de commande à distance et équipées d’un raccordement de type F pour installations SAT. Ces parafoudres sont disponibles en tant que parafoudre de type 1 combiné, parafoudre de type 1 coordonné et parafoudre de type 3 avec sortie de mesure intégrée pour le contrôle de l'installation.

3 Produits

Référence de la pièce 909703 DGA FF TV

GTIN 4013364085664, Clients tariffs no (UE): 85363010, Poids brut: 233.00 g, Prix unitaire: 1.00 pièce(s)


Images

Plus d'informations


Tension d’utilisation permanente max DC: 24 V
D1 Courant de foudre (10/350 µs): 0,2 kA
C2 Courant nominal de décharge (8/20 µs): 1,5 kA
Bande passante: DC / 5-3000 MHz

produit : DEHN
Type: DGA FF TV
Référence: 909703
ou équivalent

Certificats

 

Caractéristiques techniques

Classe SPD {
Tension d’utilisation permanente max DC (UC ) 24 V
Courant nominal (IL ) 2 A
D1 Courant de foudre (10/350 µs) (Iimp ) 0,2 kA
C2 Courant nominal de décharge (8/20 µs) (In ) 1,5 kA
Bande passante DC / 5-3000 MHz
Raccordement d'entrée/de sortie prise F/prise F

Le produit 909703 a été ajouté au bloc-notes

Le produit 909703 a été ajouté au panier.

Référence de la pièce 909704 DGA GF TV

GTIN 4013364105690, Clients tariffs no (UE): 85363010, Poids brut: 85.50 g, Prix unitaire: 1.00 pièce(s)


Images

Plus d'informations


Tension d’utilisation permanente max DC: 60 V
D1 Courant de foudre (10/350 µs): 2,5 kA
C2 Courant nominal de décharge (8/20 µs): 10 kA
Bande passante: 0-2400 MHz

produit : DEHN
Type: DGA GF TV
Référence: 909704
ou équivalent

Certificats

 

Caractéristiques techniques

Classe SPD H
Tension d’utilisation permanente max DC (UC ) 60 V
Courant nominal (IL ) 2 A
D1 Courant de foudre (10/350 µs) (Iimp ) 2,5 kA
C2 Courant nominal de décharge (8/20 µs) (In ) 10 kA
Bande passante 0-2400 MHz
Raccordement d'entrée/de sortie prise F/connecteur F

Le produit 909704 a été ajouté au bloc-notes

Le produit 909704 a été ajouté au panier.

Référence de la pièce 909705 DGA GFF TV

GTIN 4013364105706, Clients tariffs no (UE): 85363010, Poids brut: 282.70 g, Prix unitaire: 1.00 pièce(s)


Images

Plus d'informations


Tension d’utilisation permanente max DC: 24 V
D1 Courant de foudre (10/350 µs): 2,5 kA
C2 Courant nominal de décharge (8/20 µs): 10 kA
Bande passante: DC / 5-2400 MHz

produit : DEHN
Type: DGA GFF TV
Référence: 909705
ou équivalent

Certificats

 

Caractéristiques techniques

Classe SPD H{
Tension d’utilisation permanente max DC (UC ) 24 V
Courant nominal (IL ) 2 A
D1 Courant de foudre (10/350 µs) (Iimp ) 2,5 kA
C2 Courant nominal de décharge (8/20 µs) (In ) 10 kA
Bande passante DC / 5-2400 MHz
Raccordement d'entrée/de sortie prise F/prise F

Le produit 909705 a été ajouté au bloc-notes

Le produit 909705 a été ajouté au panier.


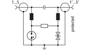
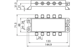
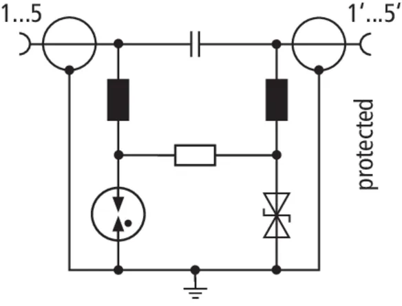
DGA FF5 TV

Parafoudre à cinq volets pour systèmes d'antennes de 75 ohms. Conception spéciale pour les distributeurs d'antennes SAT et les multi-interrupteurs. Le parafoudre répond aux exigences de blindage de la classe A selon la norme EN 50083-2.
L'étendue de la livraison comprend le matériel de montage et le câble PA.

1 Produit

Référence de la pièce 909706 DGA FF5 TV

GTIN 4013364362437, Clients tariffs no (UE): 85363010, Poids brut: 284.00 g, Prix unitaire: 1.00 pièce(s)


Images

Plus d'informations


Tension d’utilisation permanente max DC: 20 V
D1 Courant de foudre (10/350 µs): 0,5 kA
D1 Courant de foudre (10/350 µs) total: 2,5 kA
C2 Courant nominal de décharge (8/20 µs): 2,5 kA
C2 Courant nominal de décharge (8/20 µs) total: 10 kA
Bande passante: 47-2200 MHz

produit : DEHN
Type: DGA FF5 TV
Référence: 909706
ou équivalent

Certificats

 

Caractéristiques techniques

Classe SPD T
Tension d’utilisation permanente max DC (UC ) 20 V
Courant nominal (IL ) ≤ 0,4 A
D1 Courant de foudre (10/350 µs) (Iimp ) 0,5 kA
D1 Courant de foudre (10/350 µs) total (Iimp ) 2,5 kA
C2 Courant nominal de décharge (8/20 µs) (In ) 2,5 kA
C2 Courant nominal de décharge (8/20 µs) total (In ) 10 kA
Bande passante 47-2200 MHz
Raccordement d'entrée/de sortie prise F/prise F

Le produit 909706 a été ajouté au bloc-notes

Le produit 909706 a été ajouté au panier.


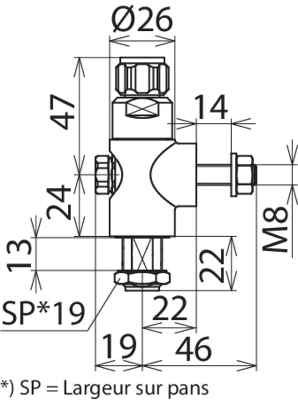
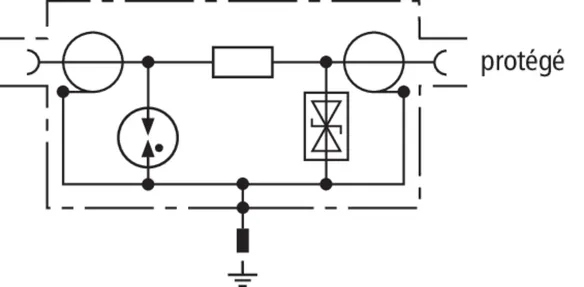
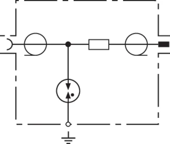
DGA G

Parafoudre pour alimentation de systèmes de commande à distance avec éclateur à gaz intégré. Particulièrement adapté aux réseaux sans fil disposant d'un raccordement coaxial.
Disponible avec raccordement SMA, BNC ou N.

3 Produits

Référence de la pièce 929039 DGA G SMA

GTIN 4013364135185, Clients tariffs no (UE): 85363010, Poids brut: 24.00 g, Prix unitaire: 1.00 pièce(s)


Images

Plus d'informations


Tension d’utilisation permanente max DC: 135 V
D1 Courant de foudre (10/350 µs): 1 kA
C2 Courant nominal de décharge (8/20 µs): 5 kA
Bande passante: 0-5,8 GHz

produit : DEHN
Type: DGA G SMA
Référence: 929039
ou équivalent

Certificats

 

Caractéristiques techniques

Classe SPD B
Tension d’utilisation permanente max DC (UC ) 135 V
Courant nominal (IL ) 2 A
Puissance max. transmissible 60 W
D1 Courant de foudre (10/350 µs) (Iimp ) 1 kA
C2 Courant nominal de décharge (8/20 µs) (In ) 5 kA
Bande passante 0-5,8 GHz
Raccordement prise SMA/connecteur SMA

Le produit 929039 a été ajouté au bloc-notes

Le produit 929039 a été ajouté au panier.

Référence de la pièce 929042 DGA G BNC

GTIN 4013364091030, Clients tariffs no (UE): 85363010, Poids brut: 39.20 g, Prix unitaire: 1.00 pièce(s)


Images

Plus d'informations


Tension d’utilisation permanente max DC: 135 V
D1 Courant de foudre (10/350 µs): 1 kA
C2 Courant nominal de décharge (8/20 µs): 5 kA
Bande passante: 0-4 GHz

produit : DEHN
Type: DGA G BNC
Référence: 929042
ou équivalent

Certificats

 

Caractéristiques techniques

Classe SPD B
Tension d’utilisation permanente max DC (UC ) 135 V
Courant nominal (IL ) 3,5 A
Puissance max. transmissible 25 W
D1 Courant de foudre (10/350 µs) (Iimp ) 1 kA
C2 Courant nominal de décharge (8/20 µs) (In ) 5 kA
Bande passante 0-4 GHz
Raccordement prise BNC/connecteur BNC

Le produit 929042 a été ajouté au bloc-notes

Le produit 929042 a été ajouté au panier.

Référence de la pièce 929044 DGA G N

GTIN 4013364091054, Clients tariffs no (UE): 85363010, Poids brut: 86.30 g, Prix unitaire: 1.00 pièce(s)

Précédent

Images

Plus d'informations


Tension d’utilisation permanente max DC: 135 V
D1 Courant de foudre (10/350 µs): 1 kA
C2 Courant nominal de décharge (8/20 µs): 5 kA
Bande passante: 0-5,8 GHz

produit : DEHN
Type: DGA G N
Référence: 929044
ou équivalent

Certificats

 

Caractéristiques techniques

Classe SPD B
Tension d’utilisation permanente max DC (UC ) 135 V
Courant nominal (IL ) 6 A
Puissance max. transmissible 60 W
D1 Courant de foudre (10/350 µs) (Iimp ) 1 kA
C2 Courant nominal de décharge (8/20 µs) (In ) 5 kA
Bande passante 0-5,8 GHz
Raccordement prise N/connecteur N

Le produit 929044 a été ajouté au bloc-notes

Le produit 929044 a été ajouté au panier.


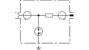
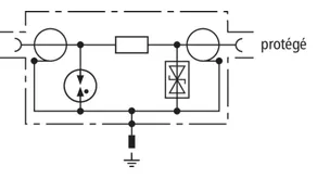
DGA AG

Parafoudre pour alimentation éloignée avec éclateur à gaz remplaçable. Excellente endurance HF en raison d'une surface d'amorçage faible grâce à une large surface de contact de l'éclateur à gaz.

2 Produits

Référence de la pièce 929043 DGA AG BNC

GTIN 4013364091047, Clients tariffs no (UE): 85363010, Poids brut: 89.60 g, Prix unitaire: 1.00 pièce(s)


Images

Plus d'informations


Tension d’utilisation permanente max DC: 180 V
D1 Courant de foudre (10/350 µs): 5 kA
C2 Courant nominal de décharge (8/20 µs): 20 kA
Bande passante: 0-1 GHz

produit : DEHN
Type: DGA AG BNC
Référence: 929043
ou équivalent

Certificats

 

Caractéristiques techniques

Classe SPD A
Tension d’utilisation permanente max DC (UC ) 180 V
Courant nominal (IL ) 3,5 A
Puissance max. transmissible 150 W
D1 Courant de foudre (10/350 µs) (Iimp ) 5 kA
C2 Courant nominal de décharge (8/20 µs) (In ) 20 kA
Bande passante 0-1 GHz
Raccordement prise BNC/connecteur BNC

Le produit 929043 a été ajouté au bloc-notes

Le produit 929043 a été ajouté au panier.

Référence de la pièce 929045 DGA AG N

GTIN 4013364091061, Clients tariffs no (UE): 85363010, Poids brut: 266.00 g, Prix unitaire: 1.00 pièce(s)


Images

Plus d'informations


Tension d’utilisation permanente max DC: 180 V
D1 Courant de foudre (10/350 µs): 5 kA
C2 Courant nominal de décharge (8/20 µs): 20 kA
Bande passante: 0-2,5 GHz

produit : DEHN
Type: DGA AG N
Référence: 929045
ou équivalent

Certificats

 

Caractéristiques techniques

Classe SPD A
Tension d’utilisation permanente max DC (UC ) 180 V
Courant nominal (IL ) 6 A
Puissance max. transmissible 150 W
D1 Courant de foudre (10/350 µs) (Iimp ) 5 kA
C2 Courant nominal de décharge (8/20 µs) (In ) 20 kA
Bande passante 0-2,5 GHz
Raccordement prise N/connecteur N

Le produit 929045 a été ajouté au bloc-notes

Le produit 929045 a été ajouté au panier.


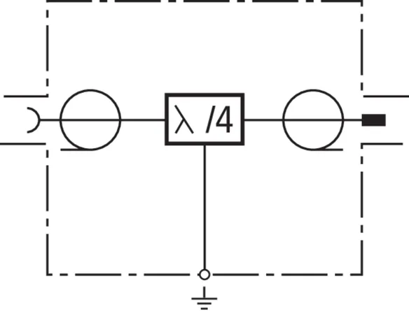
DGA LG

Parafoudre adapté à une alimentation éloignée avec une technologie combinée d'éclateur à gaz et Lambda/4 (quart d'onde) pour applications multi-fréquences grâce à une intermodulation réduite. Parafoudre large bande passante particulièrement adapté aux services 4+3G et LTE.

1 Produit

Référence de la pièce 929146 DGA LG 7 16 MFA

GTIN 4013364157156, Clients tariffs no (UE): 85363010, Poids brut: 493.00 g, Prix unitaire: 1.00 pièce(s)

Précédent

Images

Plus d'informations


Tension d’utilisation permanente max DC: 65 V
D1 Courant de foudre (10/350 µs): 5 kA
C2 Courant nominal de décharge (8/20 µs): 20 kA
Bande passante: 690 MHz - 2,7 GHz

produit : DEHN
Type: DGA LG 7 16 MFA
Référence: 929146
ou équivalent

Certificats

 

Caractéristiques techniques

Classe SPD A
Tension d’utilisation permanente max DC (UC ) 65 V
Courant nominal (IL ) 13 A
Puissance max. transmissible 1500 W
D1 Courant de foudre (10/350 µs) (Iimp ) 5 kA
C2 Courant nominal de décharge (8/20 µs) (In ) 20 kA
Bande passante 690 MHz - 2,7 GHz
Raccordement prise 7/16 / connecteur 7/16

Le produit 929146 a été ajouté au bloc-notes

Le produit 929146 a été ajouté au panier.


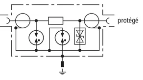
DGA L4

Parafoudre combiné à technologie Lambda/4 (quart d'onde), ne nécessitant pas de maintenance pour applications multi-fréquences. Le parafoudre peut également écouler des courants de foudre partiels élevés. La téléalimentation n'est pas possible car le parafoudre représente un court-circuit galvanique pour des signaux en basse fréquence.
Parafoudre large bande passante particulièrement adapté aux services 4+3G et LTE.

2 Produits

Référence de la pièce 929047 DGA L4 7 16 S

GTIN 4013364091085, Clients tariffs no (UE): 85363010, Poids brut: 467.00 g, Prix unitaire: 1.00 pièce(s)


Images

Plus d'informations


Tension d’utilisation permanente max DC: 0 V
D1 Courant de foudre (10/350 µs): 25 kA
C2 Courant nominal de décharge (8/20 µs): 50 kA
Bande passante: 380-512 MHz

produit : DEHN
Type: DGA L4 7 16 S
Référence: 929047
ou équivalent

Certificats

 

Caractéristiques techniques

Classe SPD M
Tension d’utilisation permanente max DC (UC ) 0 V
Courant nominal (IL ) 0 A
Puissance max. transmissible 3000 W
D1 Courant de foudre (10/350 µs) (Iimp ) 25 kA
C2 Courant nominal de décharge (8/20 µs) (In ) 50 kA
Bande passante 380-512 MHz
Raccordement prise 7/16 / connecteur 7/16

Le produit 929047 a été ajouté au bloc-notes

Le produit 929047 a été ajouté au panier.

Référence de la pièce 929148 DGA L4 7 16 MFA

GTIN 4013364157163, Clients tariffs no (UE): 85363010, Poids brut: 476.00 g, Prix unitaire: 1.00 pièce(s)

Précédent

Images

Plus d'informations


Tension d’utilisation permanente max DC: 0 V
D1 Courant de foudre (10/350 µs): 40 kA
C2 Courant nominal de décharge (8/20 µs): 80 kA
Bande passante: 690 MHz - 2,7 GHz

produit : DEHN
Type: DGA L4 7 16 MFA
Référence: 929148
ou équivalent

Certificats

 

Caractéristiques techniques

Classe SPD M
Tension d’utilisation permanente max DC (UC ) 0 V
Courant nominal (IL ) 0 A
Puissance max. transmissible 1500 W
D1 Courant de foudre (10/350 µs) (Iimp ) 40 kA
C2 Courant nominal de décharge (8/20 µs) (In ) 80 kA
Bande passante 690 MHz - 2,7 GHz
Raccordement prise 7/16 / connecteur 7/16

Le produit 929148 a été ajouté au bloc-notes

Le produit 929148 a été ajouté au panier.


back to top