Accessoires pour DEHNgate

Cosse avec câble de mise à la terre

Cosse avec câble de mise à la terre flexible, en cuivre et de couleur noire pour la mise à la terre des parafoudres DEHNgate, références 929 043, 929 044 ou 929 045.

1 Produit

Référence de la pièce 929096 EL 16 B17

GTIN 4013364107212, Clients tariffs no (UE): 85444991, Poids brut: 202.70 g, Prix unitaire: 1.00 pièce(s)


Images

Plus d'informations



produit : DEHN
Type: EL 16 B17
Référence: 929096
ou équivalent

 

Caractéristiques techniques

Couleur noir ●
Longueur 1000 mm

Le produit 929096 a été ajouté au bloc-notes

Le produit 929096 a été ajouté au panier.


Bloc de mise à la terre 4xF

Bloc de mise à la terre à 4 accès avec prises F pour l'équilibrage de potentiel des blindages de câble SAT ou des parafoudres DGA GF TV.

1 Produit

Référence de la pièce 929095 EB 4 F

GTIN 4013364113398, Clients tariffs no (UE): 85389099, Poids brut: 90.00 g, Prix unitaire: 1.00 pièce(s)


Images

Plus d'informations


Tension d’utilisation permanente max DC: 65 V
D1 Courant de foudre (10/350 µs): 10 kA
Bande passante: 0-2400 MHz

produit : DEHN
Type: EB 4 F
Référence: 929095
ou équivalent

Certificats

 

Caractéristiques techniques

D1 Courant de foudre (10/350 µs) 10 kA
Couleur brillant

Le produit 929095 a été ajouté au bloc-notes

Le produit 929095 a été ajouté au panier.


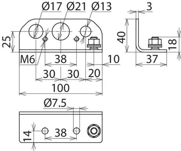
Équerre de montage pour parafoudres HF

Avec 3 trous de fixation pour parafoudres DEHNgate de tailles différentes, par exemple : 1 x 929 042 + 1 x 929 057 + 1 x (929 043, 929 044, 929 045 ou 929 059).

1 Produit

Référence de la pièce 106329 BW90 B17 21 16 V2A

GTIN 4013364107182, Clients tariffs no (UE): 85389099, Poids brut: 152.63 g, Prix unitaire: 1.00 pièce(s)


Images

Plus d'informations



produit : DEHN
Type: BW90 B17 21 16 V2A
Référence: 106329
ou équivalent

 

Caractéristiques techniques

Matériau INOX

Le produit 106329 a été ajouté au bloc-notes

Le produit 106329 a été ajouté au panier.


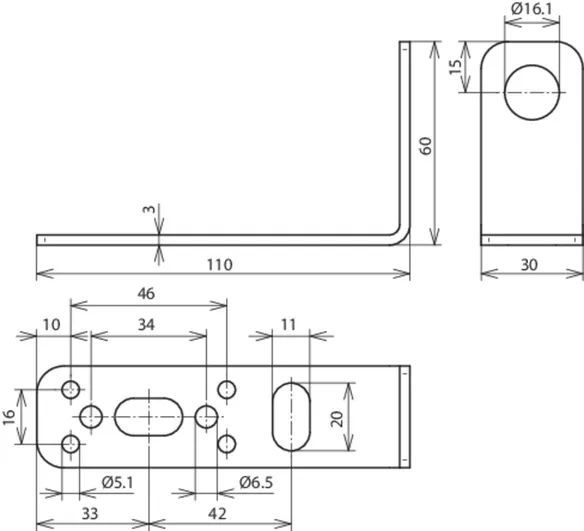
Équerre de montage pour DEHNgate

Approprié pour le montage d'un parafoudre DEHNgate, références 929 043 - 929 045. Perçage Ø16 mm avec protection anti-torsion.

1 Produit

Référence de la pièce 106314 BW90 B16 B5.1 6.5 11 V2A

GTIN 4013364136304, Clients tariffs no (UE): 85389099, Poids brut: 100.00 g, Prix unitaire: 1.00 pièce(s)


Images

Plus d'informations



produit : DEHN
Type: BW90 B16 B5.1 6.5 11 V2A
Référence: 106314
ou équivalent

 

Caractéristiques techniques

Matériau INOX

Le produit 106314 a été ajouté au bloc-notes

Le produit 106314 a été ajouté au panier.


back to top