DEHNpipe

Parafoudre à visser sur les équipements à protéger
  • Câblage en parallèle ou câblage en série
  • Fabriqué en acier inoxydable
  • Parafoudre pour la protection d’une deuxième interface (côté énergie ou côté données)
Différentes versions pour application Ex (i) ou Ex (d)
  • Pour la protection de circuits sécurité intrinsèque ou systèmes de bus Ex (i)
  • Enveloppe antidéflagrante Ex (d)
Nombreuses certificationsSelon le parafoudre : CEIEx, ATEX, FISCO, CSA Hazloc

Détails

Certification ATEX et CEIEx.
lorem ipsum
Filetage métrique et npt.
lorem ipsum
Câblage en série.
lorem ipsum
Robuste : en acier inoxydable.
lorem ipsum

DPI MD

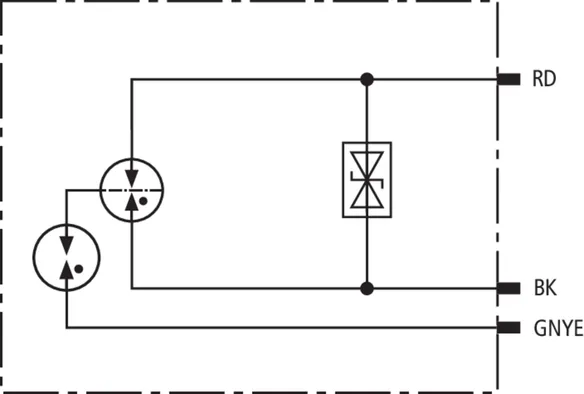
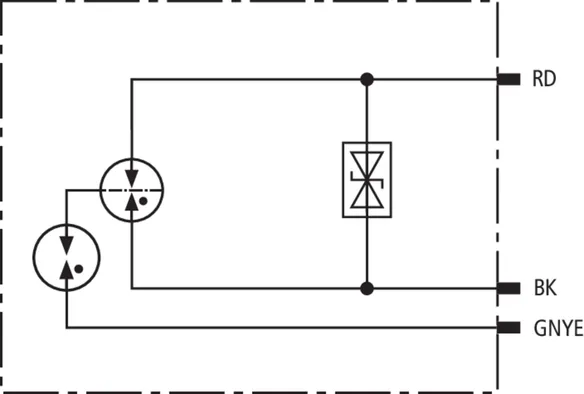
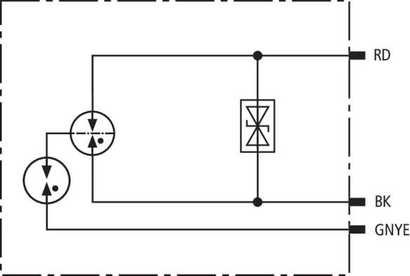
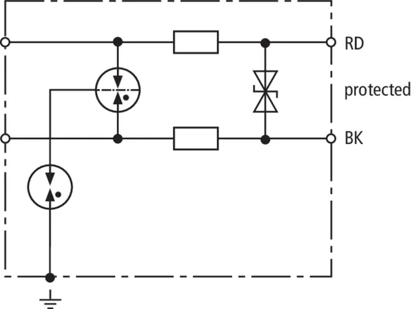
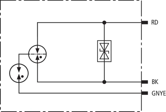
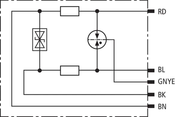
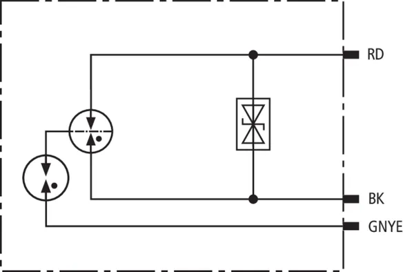
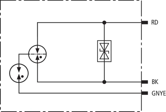
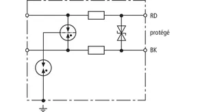
Parafoudre à deux niveaux, coordonné énergétiquement et sans courant de fuite vers la terre, pour interfaces 4-20 mA avec filetage M20 x 1,5 (intérieur/extérieur). Possibilités de mise à la terre directe, indirecte ou sans mise à la terre du blindage. Passe-câble à vis livrable comme accessoire.

1 Produit

Référence de la pièce 929941 DPI MD 24 M 2S

GTIN 4013364098152, Clients tariffs no (UE): 85363010, Poids brut: 187.40 g, Prix unitaire: 1.00 pièce(s)


Images

Plus d'informations


Tension d’utilisation permanente max DC: 34,8 V
Courant nominal: 0,5 A
C2 Courant nominal de décharge (8/20 µs) total: 10 kA
Bande passante cond-cond: 14 MHz

produit : DEHN
Type: DPI MD 24 M 2S
Référence: 929941
ou équivalent

Certificats

 

Caractéristiques techniques

Classe SPD Q
Tension d’utilisation permanente max DC (UC ) 34,8 V
Courant nominal (IL ) 0,5 A
D1 Courant de foudre (10/350 µs) par conducteur (Iimp ) 1 kA
C2 Courant nominal de décharge (8/20 µs) total (In ) 10 kA
Bande passante cond-cond (fG ) 14 MHz
Montage côté terrain/côté appareil Filetage intérieur M20 x 1,5 / Filetage extérieur M20 x 1,5
Certifications SIL
*) Information détaillée : www.dehn.fr

Le produit 929941 a été ajouté au bloc-notes

Le produit 929941 a été ajouté au panier.


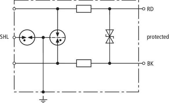
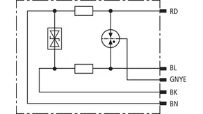
DPI MD EX

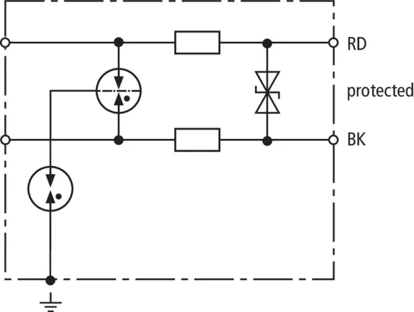
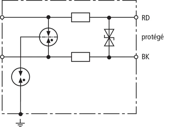
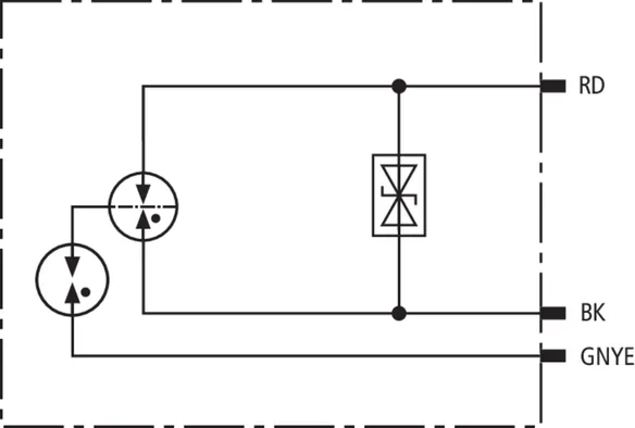
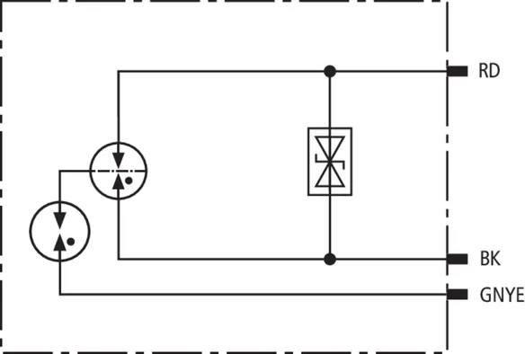
Parafoudre à deux étapes, coordonné énergétiquement, avec un circuit de protection de faible capacité. Pour la protection de circuits à sécurité intrinsèque et de systèmes de bus. Conforme aux préconisations FISCO. Résistance d'isolement > 500 V. Le passe-câble à vis est à commander séparément.

2 Produits

Référence de la pièce 929960 DPI MD EX 24 M 2

GTIN 4013364098145, Clients tariffs no (UE): 85363010, Poids brut: 185.80 g, Prix unitaire: 1.00 pièce(s)


Images

Plus d'informations


Tension d’utilisation permanente max DC: 34,8 V
Courant nominal: 0,5 A
C2 Courant nominal de décharge (8/20 µs) total: 10 kA
Bande passante cond-cond: 7 MHz

produit : DEHN
Type: DPI MD EX 24 M 2
Référence: 929960
ou équivalent

Certificats

 

Caractéristiques techniques

Classe SPD T
Tension d’utilisation permanente max DC (UC ) 34,8 V
Courant nominal (IL ) 0,5 A
D1 Courant de foudre (10/350 µs) par conducteur (Iimp ) 1 kA
C2 Courant nominal de décharge (8/20 µs) total (In ) 10 kA
Bande passante cond-cond (fG ) 7 MHz
Montage côté terrain/côté appareil Filetage intérieur M20 x 1,5 / Filetage extérieur M20 x 1,5
Certifications ATEX, IECEx, CCC, CSA & USA Hazloc, SIL
*) Information détaillée : www.dehn.fr

Le produit 929960 a été ajouté au bloc-notes

Le produit 929960 a été ajouté au panier.

Référence de la pièce 929965 DPI MD EX 24 N 2

GTIN 4013364360778, Clients tariffs no (UE): 85363010, Poids brut: 185.00 g, Prix unitaire: 1.00 pièce(s)


Images

Plus d'informations


Tension d’utilisation permanente max DC: 34,8 V
Courant nominal: 0,5 A
C2 Courant nominal de décharge (8/20 µs) total: 10 kA
Bande passante cond-cond: 7 MHz

produit : DEHN
Type: DPI MD EX 24 N 2
Référence: 929965
ou équivalent

Certificats

 

Caractéristiques techniques

Classe SPD T
Tension d’utilisation permanente max DC (UC ) 34,8 V
Courant nominal (IL ) 0,5 A
D1 Courant de foudre (10/350 µs) par conducteur (Iimp ) 1 kA
C2 Courant nominal de décharge (8/20 µs) total (In ) 10 kA
Bande passante cond-cond (fG ) 7 MHz
Montage côté terrain/côté appareil Filetage intérieur 1/2-14 NPT / Filetage extérieur 1/2-14 NPT
Certifications ATEX, IECEx, CCC, SIL
*) Information détaillée : www.dehn.fr

Le produit 929965 a été ajouté au bloc-notes

Le produit 929965 a été ajouté au panier.


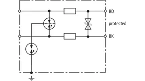
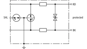
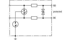
DPI CD EXI

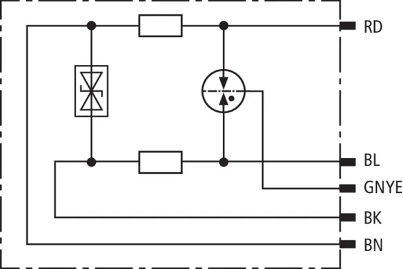
Parafoudre avec un circuit de protection de faible capacité. Pour la protection de circuits à sécurité intrinsèque et de systèmes de bus. Conforme aux préconisations FISCO. Résistance d'isolement > 500 V.

2 Produits

Référence de la pièce 929961 DPI CD EXI 24 M

GTIN 4013364101784, Clients tariffs no (UE): 85363010, Poids brut: 183.00 g, Prix unitaire: 1.00 pièce(s)


Images

Plus d'informations


Tension d’utilisation permanente max DC: 32 V
Courant nominal: 0,55 A
C2 Courant nominal de décharge (8/20 µs) total: 10 kA
Bande passante cond-cond: 67 MHz

produit : DEHN
Type: DPI CD EXI 24 M
Référence: 929961
ou équivalent

Certificats

 

Caractéristiques techniques

Classe SPD T
Tension d’utilisation permanente max DC (UC ) 32 V
Courant nominal (IL ) 0,55 A
D1 Courant de foudre (10/350 µs) cond-terre (Iimp ) 1 kA
C2 Courant nominal de décharge (8/20 µs) total (In ) 10 kA
Bande passante cond-cond (fG ) 67 MHz
Montage côté terrain/côté appareil Filetage extérieur M20 x 1,5
Certifications ATEX, IECEx, CCC, CSA & USA Hazloc, SIL
*) Information détaillée : www.dehn.fr

Le produit 929961 a été ajouté au bloc-notes

Le produit 929961 a été ajouté au panier.

Référence de la pièce 929963 DPI CD EXI 24 N

GTIN 4013364101807, Clients tariffs no (UE): 85363010, Poids brut: 196.00 g, Prix unitaire: 1.00 pièce(s)


Images

Plus d'informations


Tension d’utilisation permanente max DC: 32 V
Courant nominal: 0,55 A
C2 Courant nominal de décharge (8/20 µs) total: 10 kA
Bande passante cond-cond: 67 MHz

produit : DEHN
Type: DPI CD EXI 24 N
Référence: 929963
ou équivalent

Certificats

 

Caractéristiques techniques

Classe SPD T
Tension d’utilisation permanente max DC (UC ) 32 V
Courant nominal (IL ) 0,55 A
D1 Courant de foudre (10/350 µs) cond-terre (Iimp ) 1 kA
C2 Courant nominal de décharge (8/20 µs) total (In ) 10 kA
Bande passante cond-cond (fG ) 67 MHz
Montage côté terrain/côté appareil Filetage extérieur 1/2-14 NPT
Certifications ATEX, IECEx, CCC, CSA & USA Hazloc, SIL
*) Information détaillée : www.dehn.fr

Le produit 929963 a été ajouté au bloc-notes

Le produit 929963 a été ajouté au panier.


DPI CD EXD

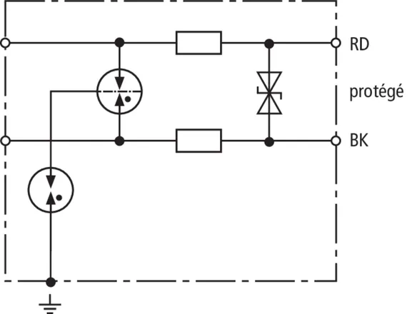
Parafoudre avec circuit de protection de faible capacité dans un coffret blindé antidéflagrant pour l'utilisation dans les zones à risque d'explosion pour la protection de circuits de mesure et de systèmes de bus. Niveau d'isolement > 500 V contre la terre. Certifications CSA, USA Hazloc.

2 Produits

Référence de la pièce 929962 DPI CD EXD 24 M

GTIN 4013364101791, Clients tariffs no (UE): 85363010, Poids brut: 183.00 g, Prix unitaire: 1.00 pièce(s)


Images

Plus d'informations


Tension d’utilisation permanente max DC: 32 V
Courant nominal: 0,55 A
C2 Courant nominal de décharge (8/20 µs) total: 10 kA
Bande passante cond-cond: 67 MHz

produit : DEHN
Type: DPI CD EXD 24 M
Référence: 929962
ou équivalent

Certificats

 

Caractéristiques techniques

Classe SPD T
Tension d’utilisation permanente max DC (UC ) 32 V
Courant nominal (IL ) 0,55 A
D1 Courant de foudre (10/350 µs) cond-terre (Iimp ) 1 kA
C2 Courant nominal de décharge (8/20 µs) total (In ) 10 kA
Bande passante cond-cond (fG ) 67 MHz
Montage côté terrain/côté appareil Filetage extérieur M20 x 1,5
Certifications ATEX, IECEx, CCC, CSA & USA Hazloc, SIL
*) Information détaillée : http://www.dehn.fr

Le produit 929962 a été ajouté au bloc-notes

Le produit 929962 a été ajouté au panier.

Référence de la pièce 929964 DPI CD EXD 24 N

GTIN 4013364101814, Clients tariffs no (UE): 85363010, Poids brut: 183.00 g, Prix unitaire: 1.00 pièce(s)


Images

Plus d'informations


Tension d’utilisation permanente max DC: 32 V
Courant nominal: 0,55 A
C2 Courant nominal de décharge (8/20 µs) total: 10 kA
Bande passante cond-cond: 67 MHz

produit : DEHN
Type: DPI CD EXD 24 N
Référence: 929964
ou équivalent

Certificats

 

Caractéristiques techniques

Classe SPD T
Tension d’utilisation permanente max DC (UC ) 32 V
Courant nominal (IL ) 0,55 A
D1 Courant de foudre (10/350 µs) cond-terre (Iimp ) 1 kA
C2 Courant nominal de décharge (8/20 µs) total (In ) 10 kA
Bande passante cond-cond (fG ) 67 MHz
Montage côté terrain/côté appareil Filetage extérieur 1/2-14 NPT
Certifications ATEX, IECEx, CCC, CSA & USA Hazloc, SIL
*) Information détaillée : http://www.dehn.fr

Le produit 929964 a été ajouté au bloc-notes

Le produit 929964 a été ajouté au panier.


DPI CD HF EXD

Parafoudre avec circuit de protection de faible capacité dans un coffret blindé antidéflagrant pour l'utilisation dans les zones à risque d'explosion pour la protection de circuits de mesure et de systèmes de bus.

1 Produit

Référence de la pièce 929971 DPI CD HF EXD 5 M

GTIN 4013364120761, Clients tariffs no (UE): 85363010, Poids brut: 285.60 g, Prix unitaire: 1.00 pièce(s)


Images

Plus d'informations


Tension d’utilisation permanente max DC: 6 V
Courant nominal à 80° C: 0,1 A
C2 Courant nominal de décharge (8/20 µs) total: 20 kA
Bande passante cond-cond: 100 MHz

produit : DEHN
Type: DPI CD HF EXD 5 M
Référence: 929971
ou équivalent

Certificats

 

Caractéristiques techniques

Classe SPD T
Tension d’utilisation permanente max DC (UC ) 6 V
Courant nominal à 80° C (IL ) 0,1 A
C2 Courant nominal de décharge (8/20 µs) total (In ) 20 kA
Bande passante cond-cond (fG ) 100 MHz
Montage côté terrain/côté appareil Filetage extérieur M20 x 1,5
Certifications ATEX, IECEx, CCC, CSA & USA Hazloc, SIL
*) Information détaillée : www.dehn.fr

Le produit 929971 a été ajouté au bloc-notes

Le produit 929971 a été ajouté au panier.


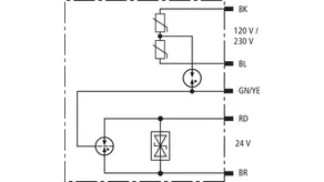
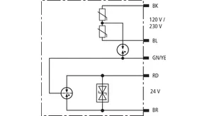
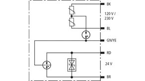
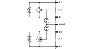
DPI CD EXD 230 24

Parafoudre combiné pour côté énergie et côté données. Dans un coffret blindé antidéflagrant pour l’utilisation dans des zones à risque d’explosion 1 et 2, pour la protection d’une alimentatuin 120/230 V et d’une interface de données 24 V des équipements. Protection supplémentaire pour l’alimentation 120/230 V grâce au câblage en étoile anti-méprise.

Utilisation universelle dans les zones à risque d'explosion 1 et 2 grâce à la version II 2 G Ex d IIC T5/T6. Certifications CSA et USA Hazloc.

2 Produits

Référence de la pièce 929969 DPI CD EXD 230 24 M

GTIN 4013364127418, Clients tariffs no (UE): 85363010, Poids brut: 280.00 g, Prix unitaire: 1.00 pièce(s)


Images

Plus d'informations

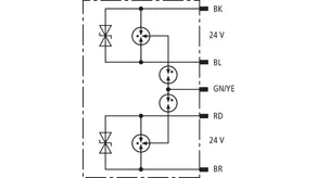
Parafoudre de type 2 double DEHNpipe CD Ex (d) DPI CD EXD 230 24 M
Parafoudre double,
classe de parafoudre de type 2 et de type 2 / P2
DEHNpipe, testé selon
EN 61643-11 et 21, en V2A, IP 67,
version Ex (d),
à visser sur les équipements à protéger
avec raccordement pour tension d’alimentation et technologie de mesure à 2 conducteurs,
Protection parallèle d’une alimentation réseau 230 V
et d’une interface 0/4-20 mA
en zone EX 1 ou 2.
Tension d’utilisation permanente max DC: 32 V
Courant nominal à 80 °C: 0,55 A
C2 Courant nominal de décharge (8/20 µs) total: 10 kA

produit : DEHN
Type: DPI CD EXD 230 24 M
Référence: 929969
ou équivalent

Certificats

 

Caractéristiques techniques

Protection côté données
Classe SPD U
Tension d’utilisation permanente max DC (UC ) 32 V
Courant nominal à 80 °C (IL ) 0,55 A
D1 Courant de foudre (10/350 µs) cond-terre (Iimp ) 1 kA
C2 Courant nominal de décharge (8/20 µs) total (In ) 10 kA
Montage côté terrain/côté appareil Filetage extérieur M20 x 1,5
Certifications ATEX, IECEx, CCC, CSA & USA Hazloc, SIL
*) Information détaillée : http://www.dehn.fr/sil/
Protection côté énérgie
SPD selon NF EN 61643-11 / ... CEI 61643-11 Type 2 / Classe II
Tension d’utilisation permanente max AC (UC ) 255 V
Courant de décharge total (8/20 µs) L+N-PE (Itotal ) 5 kA
Niveau de protection [L-N] (UP ) ≤ 1,4 kV
Protection max. contre les surintensités 16 A gG ou B 16 A

Le produit 929969 a été ajouté au bloc-notes

Le produit 929969 a été ajouté au panier.

Référence de la pièce 929970 DPI CD EXD 230 24 N

GTIN 4013364127425, Clients tariffs no (UE): 85363010, Poids brut: 273.00 g, Prix unitaire: 1.00 pièce(s)


Images

Plus d'informations

Parafoudre de type 2 double DEHNpipe CD Ex (d) DPI CD EXD 230 24 N
Parafoudre double,
classe de parafoudre de type 2 et de type 2 / P2
DEHNpipe, testé selon
EN 61643-11 et 21, en V2A, IP 67,
version Ex (d),
à visser sur les équipements à protéger
avec raccordement pour tension d’alimentation et technologie de mesure à 2 conducteurs,
Protection parallèle d’une alimentation réseau 230 V
et d’une interface 0/4-20 mA
en zone EX 1 ou 2.
Tension d’utilisation permanente max DC: 32 V
Courant nominal à 80 °C: 0,55 A
C2 Courant nominal de décharge (8/20 µs) total: 10 kA

produit : DEHN
Type: DPI CD EXD 230 24 N
Référence: 929970
ou équivalent

Certificats

 

Caractéristiques techniques

Protection côté données
Classe SPD U
Tension d’utilisation permanente max DC (UC ) 32 V
Courant nominal à 80 °C (IL ) 0,55 A
D1 Courant de foudre (10/350 µs) cond-terre (Iimp ) 1 kA
C2 Courant nominal de décharge (8/20 µs) total (In ) 10 kA
Montage côté terrain/côté appareil Filetage extérieur 1/2-14 NPT
Certifications ATEX, IECEx, CCC, CSA & USA Hazloc, SIL
*) Information détaillée : http://www.dehn.fr/sil/
Protection côté énérgie
SPD selon NF EN 61643-11 / ... CEI 61643-11 Type 2 / Classe II
Tension d’utilisation permanente max AC (UC ) 255 V
Courant de décharge total (8/20 µs) L+N-PE (Itotal ) 5 kA
Niveau de protection [L-N] (UP ) ≤ 1,4 kV
Protection max. contre les surintensités 16 A gG ou B 16 A

Le produit 929970 a été ajouté au bloc-notes

Le produit 929970 a été ajouté au panier.


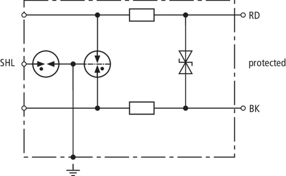
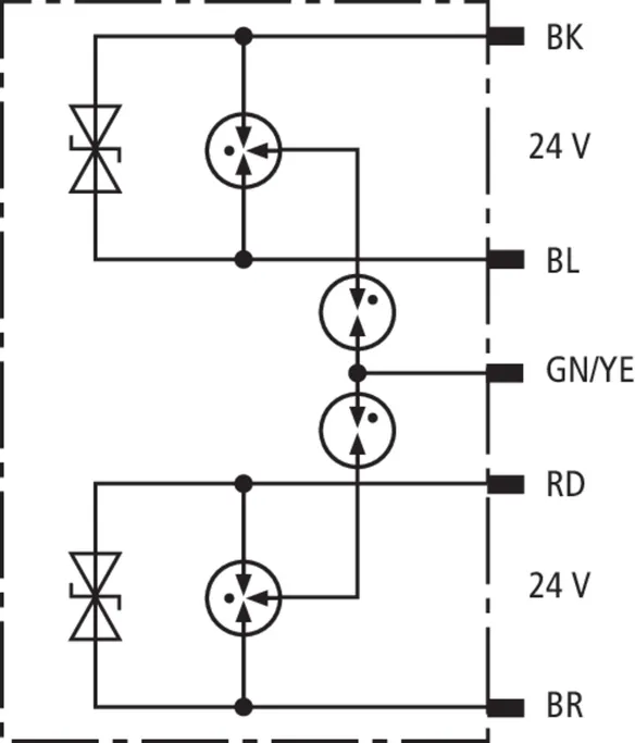
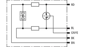
DPI CD EXI+D 2X24

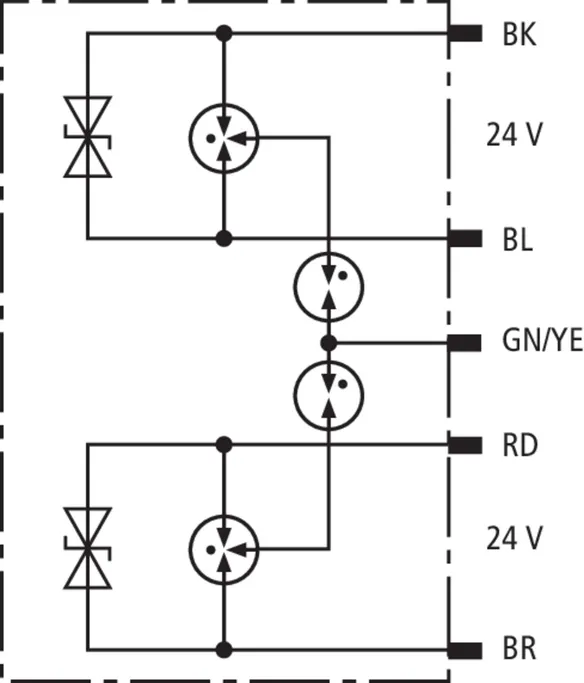
Parafoudre dans un coffret blindé antidéflagrant pour l'utilisation dans des zones à risque d'explosion pour la protection de deux interfaces 24 V.

2 Produits

Référence de la pièce 929950 DPI CD EXI+D 2X24 M

GTIN 4013364137387, Clients tariffs no (UE): 85363010, Poids brut: 247.00 g, Prix unitaire: 1.00 pièce(s)


Images

Plus d'informations

Parafoudre de type 2 DEHNpipe CD EX (i) + Ex (d) DPI CD EXI+D 2X24 M
Parafoudre
de classe de parafoudre type 2 / P1
DEHNpipe, testé selon
EN 61643-21, en V2A, IP 67,
version Ex (i) + (d),
pour protéger deux
circuits de signaux sans potentiel de terre
ou le circuit d’alimentation
de l’équipement à protéger et un
circuit de signal dans une zone EX 1 ou 2.
Tension d’utilisation permanente max DC: 36 V
Courant nominal: 0,55 A
C2 Courant nominal de décharge (8/20 µs) total: 20 kA

produit : DEHN
Type: DPI CD EXI+D 2X24 M
Référence: 929950
ou équivalent

Certificats

 

Caractéristiques techniques

Classe SPD T
Tension d’utilisation permanente max DC (UC ) 36 V
Courant nominal (IL ) 0,55 A
D1 Courant de foudre (10/350 µs) cond-terre (Iimp ) 1,5 kA
C2 Courant nominal de décharge (8/20 µs) total (In ) 20 kA
Montage côté terrain/côté appareil Filetage extérieur M20 x 1,5
Certifications ATEX, IECEx, CCC, CSA & USA Hazloc, SIL
*) Information détaillée : www.dehn.fr

Le produit 929950 a été ajouté au bloc-notes

Le produit 929950 a été ajouté au panier.

Référence de la pièce 929951 DPI CD EXI+D 2X24 N

GTIN 4013364137394, Clients tariffs no (UE): 85363010, Poids brut: 247.00 g, Prix unitaire: 1.00 pièce(s)


Images

Plus d'informations

Parafoudre de type 2 DEHNpipe CD EX (i) + Ex (d) DPI CD EXI+D 2X24 N
Parafoudre
de classe de parafoudre type 2 / P1
DEHNpipe, testé selon
EN 61643-21, en V2A, IP 67,
version Ex (i) + (d),
à visser sur les équipements à protéger
pour protéger deux
circuits de signaux sans potentiel de terre
ou le circuit d’alimentation
de l’équipement à protéger et un
circuit de signal dans une zone EX 1 ou 2.
Tension d’utilisation permanente max DC: 36 V
Courant nominal: 0,55 A
C2 Courant nominal de décharge (8/20 µs) total: 20 kA

produit : DEHN
Type: DPI CD EXI+D 2X24 N
Référence: 929951
ou équivalent

Certificats

 

Caractéristiques techniques

Classe SPD T
Tension d’utilisation permanente max DC (UC ) 36 V
Courant nominal (IL ) 0,55 A
D1 Courant de foudre (10/350 µs) cond-terre (Iimp ) 1,5 kA
C2 Courant nominal de décharge (8/20 µs) total (In ) 20 kA
Montage côté terrain/côté appareil Filetage extérieur 1/2-14 NPT
Certifications ATEX, IECEx, CCC, CSA & USA Hazloc, SIL
*) Information détaillée : www.dehn.fr

Le produit 929951 a été ajouté au bloc-notes

Le produit 929951 a été ajouté au panier.


back to top