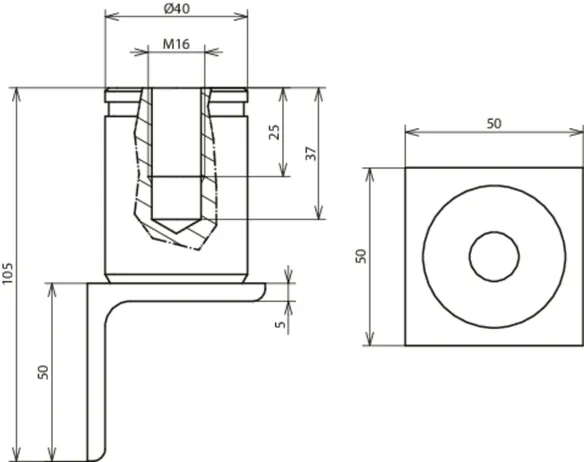
Ponts de mise à la terre en acier inoxydable D BEB 16
Les ponts de mise à la terre sont conçus pour assurer la mise à la terre, le circuit de retour ainsi que la liaison équipotentielle dans la zone d’utilisation des voies ferrées. Le pont de mise à la terre en acier inoxydable assure cette mise à la terre par une soudure définie sur le conducteur de terre. De plus, ce pont de mise à la terre possède une homologation technique de DB Netz AG, ce qui garantit une sécurité de planification élevée.
1 Produit
Référence de la pièce 419160 D BEB 16 - 105 / 3 EBS 15-03-19-38
GTIN 4013364510203, Clients tariffs no (UE): 85369010, Poids brut: 697.72 g, Prix unitaire: 8.00 pièce(s)
Caractéristiques techniques
| Matériau de l'élément de connexion | INOX |
| Matériau n° | 1.4301 |
| Matériau, équerre | St |
| Courant de court-circuit | > 25 kA |
| Courant de test | 40 kA / 100 ms |
| Courant de court-circuit (AC 50 Hz/DC) (1 s; ≤ 300 °C) | 12,6 kA |
| Filetage | M16 |
| Diamètre de la plaque de connexion | 40 mm |
| Dimension, équerre (L x l x t) | 50 x 50 x 5 mm |
| Hauteur max. – support conducteur | 105 mm |
| N° de dessin DB | 3 Ebs 15.03.19 - 38 |
| Normes | Ril 997.0205A01 |
Ponts de terre plats en acier D BEB 1-NR
Les ponts de mise à la terre sont conçus pour assurer la mise à la terre, le circuit de retour ainsi que la liaison équipotentielle dans la zone d’utilisation des voies ferrées. Cette variante garantit la mise à la terre avec une installation au ras de la surface et soudée au niveau de l’armature de terre avec l’acier d’armature – via une soudure définie. De plus, ce pont de mise à la terre possède une homologation technique de DB Netz AG, ce qui garantit une sécurité de planification élevée.
1 Produit
Référence de la pièce 419012 D BEB 1-NR / EBS 15-03-19
GTIN 4013364439467, Clients tariffs no (UE): 85369010, Poids brut: 1.46 kg, Prix unitaire: 1.00 pièce(s)
Caractéristiques techniques
| Matériau de l'élément de connexion | INOX |
| Matériau n° | 1.4301 |
| Matériau en acier plat | S235 |
| Courant de court-circuit | > 25 kA |
| Courant de test | 40 kA / 100 ms |
| Courant de court-circuit (AC 50 Hz/DC) (1 s; ≤ 300 °C) | 12,6 kA |
| Filetage | M16 |
| Diamètre de la plaque de connexion | 50 mm |
| Dimensions de l'acier plat | 400 x 50 x 5 mm |
| Hauteur max. – support conducteur | 63 mm |
| N° de dessin DB | 3 Ebs 15.03.19 - 36 |
| Normes | Ril 997.0205A01 |
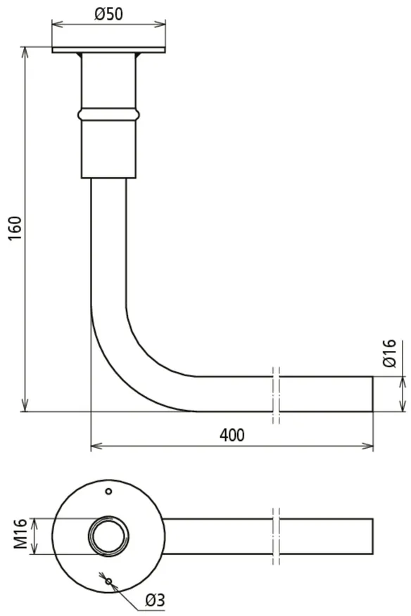
Ponts de mise à la terre en acier d'armature D BEB 2
Les ponts de mise à la terre sont conçus pour assurer la mise à la terre, le circuit de retour ainsi que la liaison équipotentielle dans la zone d’utilisation des voies ferrées. Cette variante est installée au ras de la surface et soudée au niveau de l’armature de terre avec l’acier d’armature courbé, surtout dans des situations de montage à espace restreint. De plus, ce pont de mise à la terre possède une homologation technique de DB Netz AG, ce qui garantit une sécurité de planification élevée.
1 Produit
Référence de la pièce 419020 D BEB 2 / EBS 15-03-19
GTIN 4013364439405, Clients tariffs no (UE): 85369010, Poids brut: 950.00 g, Prix unitaire: 1.00 pièce(s)
Caractéristiques techniques
| Matériau - plaque | INOX |
| Matériau n° | 1.4301 |
| Matériau du support | St / Cu |
| Matériau - axe | Ferraillage acier B500B |
| Courant de court-circuit | > 25 kA |
| Courant de test | 40 kA / 100 ms |
| Courant de court-circuit (AC 50 Hz/DC) (1 s; ≤ 300 °C) | 12,6 kA |
| Filetage | M16 |
| Diamètre de la plaque de connexion | 50 mm |
| Diamètre de l'acier d'armature | 16 mm |
| Hauteur de montage | 160 mm |
| Longueur | 400 mm |
| N° de dessin DB | 3 Ebs 15.03.19 - 31 |
| Normes | Ril 997.0205A01 |
Ponts de mise à la terre en acier d'armature D BEB 3
Les ponts de mise à la terre sont conçus pour assurer la mise à la terre, le circuit de retour ainsi que la liaison équipotentielle dans la zone d’utilisation des voies ferrées. Cette variante est installée au ras de la surface et soudée au niveau de l’armature de terre avec l’acier d’armature. De plus, ce pont de mise à la terre possède une homologation technique de DB Netz AG, ce qui garantit une sécurité de planification élevée.
1 Produit
Référence de la pièce 419030 D BEB 3 / EBS 15-03-19
GTIN 4013364439474, Clients tariffs no (UE): 85369010, Poids brut: 750.00 g, Prix unitaire: 1.00 pièce(s)
Caractéristiques techniques
| Matériau - plaque | INOX |
| Matériau n° | 1.4301 |
| Matériau du support | St / Cu |
| Matériau - axe | Ferraillage acier B500B |
| Courant de court-circuit | > 25 kA |
| Courant de test | 40 kA / 100 ms |
| Courant de court-circuit (AC 50 Hz/DC) (1 s; ≤ 300 °C) | 12,6 kA |
| Filetage | M16 |
| Diamètre de la plaque de connexion | 50 mm |
| Diamètre de l'acier d'armature | 16 mm |
| Longueur | 400 mm |
| N° de dessin DB | 3 Ebs 15.03.19 - 31 |
| Normes | Ril 997.0205A01 |
Ponts de mise à la terre de câbles en cuivre D BEB 4/5
Les ponts de mise à la terre sont conçus pour assurer la mise à la terre, le circuit de retour ainsi que la liaison équipotentielle dans la zone d’utilisation des voies ferrées. Cette variante est installée au ras de la surface et soudée au niveau de l’armature de terre, la languette en acier cuivré étant pressée sur le câble en cuivre. La flexibilité du câble facilite le montage dans l’armature pour l’utilisateur. Les variantes spéciales FLEX sont adaptées en particulier aux situations de montage où l’espace est limité – ici, sont utilisés des câbles en cuivre souples, extra-flexibles De plus, ces ponts de mise à la terre possèdent une homologation technique de DB Netz AG, ce qui garantit une sécurité de planification élevée.
Les longueurs spéciales sont disponibles sur demande : jusqu’à 500 mm de longueur totale par incréments de 50 mm, à partir de 500 mm de longueur totale par incréments de 100 mm.
7 Produits
Référence de la pièce 419040 D BEB 4 / EBS 15-03-19
GTIN 4013364439481, Clients tariffs no (UE): 85369010, Poids brut: 640.00 g, Prix unitaire: 1.00 pièce(s)
Caractéristiques techniques
| Matériau - plaque | INOX |
| Matériau n° | 1.4301 |
| Matériau du support | St / Cu |
| Matériau - attache | St / Cu |
| Matériau - câble | Cu |
| Courant de court-circuit | ≤ 25 kA |
| Courant de test | 25 kA / 100 ms |
| Courant de court-circuit (AC 50 Hz/DC) (1 s; ≤ 300 °C) | 7,9 kA |
| Filetage | M16 |
| Diamètre de la plaque de connexion | 50 mm |
| Câble | NYY-O |
| Section de cable transversale max. du conducteur | 70 mm² |
| Diamètre du câble | 17 mm |
| Dimensions de la cosse | 80 x 30 mm |
| Longueur | 500 mm |
| N° de dessin DB | 3 Ebs 15.03.19 - 32 |
| Normes | Ril 997.0205A01 |
Référence de la pièce 419050 D BEB 5 / EBS 15-03-19
GTIN 4013364439504, Clients tariffs no (UE): 85369010, Poids brut: 710.00 g, Prix unitaire: 1.00 pièce(s)
Caractéristiques techniques
| Matériau - plaque | INOX |
| Matériau n° | 1.4301 |
| Matériau du support | St / Cu |
| Matériau - attache | St / Cu |
| Matériau - câble | Cu |
| Courant de court-circuit | > 25 kA |
| Courant de test | 40 kA / 100 ms |
| Courant de court-circuit (AC 50 Hz/DC) (1 s; ≤ 300 °C) | 12,6 kA |
| Filetage | M16 |
| Diamètre de la plaque de connexion | 50 mm |
| Câble | NYY-O |
| Section de cable transversale max. du conducteur | 95 mm² |
| Diamètre du câble | 19 mm |
| Dimensions de la cosse | 80 x 30 mm |
| Longueur | 500 mm |
| N° de dessin DB | 3 Ebs 15.03.19 - 32 |
| Normes | Ril 997.0205A01 |
Référence de la pièce 419051 D BEB 5-FLEX / EBS 15-03-19
GTIN 4013364439511, Clients tariffs no (UE): 85369010, Poids brut: 640.00 g, Prix unitaire: 1.00 pièce(s)
Caractéristiques techniques
| Matériau - plaque | INOX |
| Matériau n° | 1.4301 |
| Matériau du support | St / Cu |
| Matériau - attache | St / Cu |
| Matériau - câble | Cu |
| Courant de court-circuit | > 25 kA |
| Courant de test | 40 kA / 100 ms |
| Courant de court-circuit (AC 50 Hz/DC) (1 s; ≤ 300 °C) | 12,6 kA |
| Filetage | M16 |
| Diamètre de la plaque de connexion | 50 mm |
| Câble | H07V-K |
| Section de cable transversale max. du conducteur | 95 mm² |
| Diamètre du câble | 19 mm |
| Dimensions de la cosse | 80 x 30 mm |
| Longueur | 500 mm |
| N° de dessin DB | 3 Ebs 15.03.19 - 32 |
| Normes | Ril 997.0205A01 |
Référence de la pièce 419501 D BEB 5 - L700 / EBS 15-03-19
GTIN 4013364458390, Clients tariffs no (UE): 85369010, Poids brut: 980.00 g, Prix unitaire: 1.00 pièce(s)
Caractéristiques techniques
| Matériau - plaque | INOX |
| Matériau n° | 1.4301 |
| Matériau du support | St / Cu |
| Matériau - attache | St / Cu |
| Matériau - câble | Cu |
| Courant de court-circuit | > 25 kA |
| Courant de test | 40 kA / 100 ms |
| Courant de court-circuit (AC 50 Hz/DC) (1 s; ≤ 300 °C) | 12,6 kA |
| Filetage | M16 |
| Diamètre de la plaque de connexion | 50 mm |
| Câble | NYY-O |
| Section de cable transversale max. du conducteur | 95 mm² |
| Diamètre du câble | 19 mm |
| Dimensions de la cosse | 80 x 30 mm |
| Longueur | 700 mm |
| N° de dessin DB | 3 Ebs 15.03.19 - 32 |
| Normes | Ril 997.0205A01 |
Référence de la pièce 419502 D BEB 5 - L1000 / EBS 15-03-19
GTIN 4013364458406, Clients tariffs no (UE): 85369010, Poids brut: 1.40 kg, Prix unitaire: 1.00 pièce(s)
Caractéristiques techniques
| Matériau - plaque | INOX |
| Matériau n° | 1.4301 |
| Matériau du support | St / Cu |
| Matériau - attache | St / Cu |
| Matériau - câble | Cu |
| Courant de court-circuit | > 25 kA |
| Courant de test | 40 kA / 100 ms |
| Courant de court-circuit (AC 50 Hz/DC) (1 s; ≤ 300 °C) | 12,6 kA |
| Filetage | M16 |
| Diamètre de la plaque de connexion | 50 mm |
| Câble | NYY-O |
| Section de cable transversale max. du conducteur | 95 mm² |
| Diamètre du câble | 19 mm |
| Dimensions de la cosse | 80 x 30 mm |
| Longueur | 1000 mm |
| N° de dessin DB | 3 Ebs 15.03.19 - 32 |
| Normes | Ril 997.0205A01 |
Référence de la pièce 419503 D BEB 5 - L1500 / EBS 15-03-19
GTIN 4013364458413, Clients tariffs no (UE): 85369010, Poids brut: 2.10 kg, Prix unitaire: 1.00 pièce(s)
Caractéristiques techniques
| Matériau - plaque | INOX |
| Matériau n° | 1.4301 |
| Matériau du support | St / Cu |
| Matériau - attache | St / Cu |
| Matériau - câble | Cu |
| Courant de court-circuit | > 25 kA |
| Courant de test | 40 kA / 100 ms |
| Courant de court-circuit (AC 50 Hz/DC) (1 s; ≤ 300 °C) | 12,6 kA |
| Filetage | M16 |
| Diamètre de la plaque de connexion | 50 mm |
| Câble | NYY-O |
| Section de cable transversale max. du conducteur | 95 mm² |
| Diamètre du câble | 19 mm |
| Dimensions de la cosse | 80 x 30 mm |
| Longueur | 1500 mm |
| N° de dessin DB | 3 Ebs 15.03.19 - 32 |
| Normes | Ril 997.0205A01 |
Référence de la pièce 419504 D BEB 5 - L2000 / EBS 15-03-19
GTIN 4013364458420, Clients tariffs no (UE): 85369010, Poids brut: 2.80 kg, Prix unitaire: 1.00 pièce(s)
Caractéristiques techniques
| Matériau - plaque | INOX |
| Matériau n° | 1.4301 |
| Matériau du support | St / Cu |
| Matériau - attache | St / Cu |
| Matériau - câble | Cu |
| Courant de court-circuit | > 25 kA |
| Courant de test | 40 kA / 100 ms |
| Courant de court-circuit (AC 50 Hz/DC) (1 s; ≤ 300 °C) | 12,6 kA |
| Filetage | M16 |
| Diamètre de la plaque de connexion | 50 mm |
| Câble | NYY-O |
| Section de cable transversale max. du conducteur | 95 mm² |
| Diamètre du câble | 19 mm |
| Dimensions de la cosse | 80 x 30 mm |
| Longueur | 2000 mm |
| N° de dessin DB | 3 Ebs 15.03.19 - 32 |
| Normes | Ril 997.0205A01 |
Ponts de mise à la terre de câbles en cuivre D BEB 6/7
Les ponts de mise à la terre sont conçus pour assurer la mise à la terre, le circuit de retour ainsi que la liaison équipotentielle dans la zone d’utilisation des voies ferrées. Cette variante est utilisée comme passage de mise à la terre des composants avec une installation au ras de la surface des deux côtés. La flexibilité du câble facilite le montage dans l’armature pour l’utilisateur. Les variantes spéciales FLEX sont adaptées en particulier aux situations de montage où l’espace est limité – ici, sont utilisés des câbles en cuivre souples, extra-flexibles De plus, ces ponts de mise à la terre possèdent une homologation technique de DB Netz AG, ce qui garantit une sécurité de planification élevée.
Les longueurs spéciales sont disponibles sur demande : jusqu’à 500 mm de longueur totale par incréments de 50 mm, à partir de 500 mm de longueur totale par incréments de 100 mm.
4 Produits
Référence de la pièce 419060 D BEB 6 / EBS 15-03-19
GTIN 4013364439528, Clients tariffs no (UE): 85369010, Poids brut: 600.00 g, Prix unitaire: 1.00 pièce(s)
Caractéristiques techniques
| Matériau - plaque | INOX |
| Matériau n° | 1.4301 |
| Matériau du support | St / Cu |
| Matériau - câble | Cu |
| Courant de court-circuit | ≤ 25 kA |
| Courant de test | 25 kA / 100 ms |
| Courant de court-circuit (AC 50 Hz/DC) (1 s; ≤ 300 °C) | 7,9 kA |
| Filetage | M16 |
| Diamètre de la plaque de connexion | 50 mm |
| Câble | NYY-O |
| Section de cable transversale max. du conducteur | 70 mm² |
| Diamètre du câble | 17 mm |
| Longueur | 500 mm |
| N° de dessin DB | 3 Ebs 15.03.19 - 33 |
| Normes | Ril 997.0205A01 |
Référence de la pièce 419061 D BEB 6-FLEX / EBS 15-03-19
GTIN 4013364439535, Clients tariffs no (UE): 85369010, Poids brut: 530.00 g, Prix unitaire: 1.00 pièce(s)
Caractéristiques techniques
| Matériau - plaque | INOX |
| Matériau n° | 1.4301 |
| Matériau du support | St / Cu |
| Matériau - câble | Cu |
| Courant de court-circuit | ≤ 25 kA |
| Courant de test | 25 kA / 100 ms |
| Courant de court-circuit (AC 50 Hz/DC) (1 s; ≤ 300 °C) | 7,9 kA |
| Filetage | M16 |
| Diamètre de la plaque de connexion | 50 mm |
| Câble | H07V-K |
| Section de cable transversale max. du conducteur | 70 mm² |
| Diamètre du câble | 17 mm |
| Longueur | 500 mm |
| N° de dessin DB | 3 Ebs 15.03.19 - 33 |
| Normes | Ril 997.0205A01 |
Référence de la pièce 419070 D BEB 7 / EBS 15-03-19
GTIN 4013364439542, Clients tariffs no (UE): 85369010, Poids brut: 704.50 g, Prix unitaire: 1.00 pièce(s)
Caractéristiques techniques
| Matériau - plaque | INOX |
| Matériau n° | 1.4301 |
| Matériau du support | St / Cu |
| Matériau - câble | Cu |
| Courant de court-circuit | > 25 kA |
| Courant de test | 40 kA / 100 ms |
| Courant de court-circuit (AC 50 Hz/DC) (1 s; ≤ 300 °C) | 12,6 kA |
| Filetage | M16 |
| Diamètre de la plaque de connexion | 50 mm |
| Câble | NYY-O |
| Section de cable transversale max. du conducteur | 95 mm² |
| Diamètre du câble | 19 mm |
| Longueur | 500 mm |
| N° de dessin DB | 3 Ebs 15.03.19 - 33 |
| Normes | Ril 997.0205A01 |
Référence de la pièce 419071 D BEB 7-FLEX / EBS 15-03-19
GTIN 4013364439559, Clients tariffs no (UE): 85369010, Poids brut: 622.00 g, Prix unitaire: 1.00 pièce(s)
Caractéristiques techniques
| Matériau - plaque | INOX |
| Matériau n° | 1.4301 |
| Matériau du support | St / Cu |
| Matériau - câble | Cu |
| Courant de court-circuit | > 25 kA |
| Courant de test | 40 kA / 100 ms |
| Courant de court-circuit (AC 50 Hz/DC) (1 s; ≤ 300 °C) | 12,6 kA |
| Filetage | M16 |
| Diamètre de la plaque de connexion | 50 mm |
| Câble | H07V-K |
| Section de cable transversale max. du conducteur | 95 mm² |
| Diamètre du câble | 19 mm |
| Longueur | 500 mm |
| N° de dessin DB | 3 Ebs 15.03.19 - 33 |
| Normes | Ril 997.0205A01 |
Ponts de mise à la terre de câbles en cuivre D BEB 9/10
Les ponts de mise à la terre sont conçus pour assurer la mise à la terre, le circuit de retour ainsi que la liaison équipotentielle dans la zone d’utilisation des voies ferrées. Cette variante présente un raccordement non visible dans le béton, en soudant les languettes en acier cuivré, pressées sur le câble de cuivre, à l’armature de terre. La flexibilité du câble facilite le montage dans l’armature pour l’utilisateur. Les variantes spéciales FLEX sont adaptées en particulier aux situations de montage où l’espace est limité – ici, sont utilisés des câbles en cuivre souples, extra-flexibles De plus, ces ponts de mise à la terre possèdent une homologation technique de DB Netz AG, ce qui garantit une sécurité de planification élevée.
Les longueurs spéciales sont disponibles sur demande : jusqu’à 500 mm de longueur totale par incréments de 50 mm, à partir de 500 mm de longueur totale par incréments de 100 mm.
5 Produits
Référence de la pièce 419090 D BEB 9 / EBS 15-03-19
GTIN 4013364439573, Clients tariffs no (UE): 85369010, Poids brut: 640.00 g, Prix unitaire: 1.00 pièce(s)
Caractéristiques techniques
| Matériau - attache | St / Cu |
| Matériau - câble | Cu |
| Courant de court-circuit | ≤ 25 kA |
| Courant de test | 25 kA / 100 ms |
| Courant de court-circuit (AC 50 Hz/DC) (1 s; ≤ 300 °C) | 7,9 kA |
| Câble | NYY-O |
| Section de cable transversale max. du conducteur | 70 mm² |
| Diamètre du câble | 17 mm |
| Dimensions de la cosse | 80 x 30 mm |
| Longueur | 500 mm |
| N° de dessin DB | 3 Ebs 15.03.19 - 33 |
| Normes | Ril 997.0205A01 |
Référence de la pièce 419091 D BEB 9-FLEX / EBS 15-03-19
GTIN 4013364439580, Clients tariffs no (UE): 85369010, Poids brut: 570.00 g, Prix unitaire: 1.00 pièce(s)
Caractéristiques techniques
| Matériau - attache | St / Cu |
| Matériau - câble | Cu |
| Courant de court-circuit | ≤ 25 kA |
| Courant de test | 25 kA / 100 ms |
| Courant de court-circuit (AC 50 Hz/DC) (1 s; ≤ 300 °C) | 7,9 kA |
| Câble | H07V-K |
| Section de cable transversale max. du conducteur | 70 mm² |
| Diamètre du câble | 17 mm |
| Dimensions de la cosse | 80 x 30 mm |
| Longueur | 500 mm |
| N° de dessin DB | 3 Ebs 15.03.19 - 33 |
| Normes | Ril 997.0205A01 |
Référence de la pièce 419100 D BEB 10 / EBS 15-03-19
GTIN 4013364439597, Clients tariffs no (UE): 85369010, Poids brut: 722.50 g, Prix unitaire: 1.00 pièce(s)
Caractéristiques techniques
| Matériau - attache | St / Cu |
| Matériau - câble | Cu |
| Courant de court-circuit | > 25 kA |
| Courant de test | 40 kA / 100 ms |
| Courant de court-circuit (AC 50 Hz/DC) (1 s; ≤ 300 °C) | 12,6 kA |
| Câble | NYY-O |
| Section de cable transversale max. du conducteur | 95 mm² |
| Diamètre du câble | 19 mm |
| Dimensions de la cosse | 80 x 30 mm |
| Longueur | 500 mm |
| N° de dessin DB | 3 Ebs 15.03.19 - 33 |
| Normes | Ril 997.0205A01 |
Référence de la pièce 419101 D BEB 10-FLEX / EBS 15-03-19
GTIN 4013364439603, Clients tariffs no (UE): 85369010, Poids brut: 667.00 g, Prix unitaire: 1.00 pièce(s)
Caractéristiques techniques
| Matériau - attache | St / Cu |
| Matériau - câble | Cu |
| Courant de court-circuit | > 25 kA |
| Courant de test | 40 kA / 100 ms |
| Courant de court-circuit (AC 50 Hz/DC) (1 s; ≤ 300 °C) | 12,6 kA |
| Câble | H07V-K |
| Section de cable transversale max. du conducteur | 95 mm² |
| Diamètre du câble | 19 mm |
| Dimensions de la cosse | 80 x 30 mm |
| Longueur | 500 mm |
| N° de dessin DB | 3 Ebs 15.03.19 - 33 |
| Normes | Ril 997.0205A01 |
Référence de la pièce 419505 D BEB 10 - L800 / EBS 15-03-19
GTIN 4013364458437, Clients tariffs no (UE): 85369010, Poids brut: 1.12 kg, Prix unitaire: 1.00 pièce(s)
Caractéristiques techniques
| Matériau - attache | St / Cu |
| Matériau - câble | Cu |
| Courant de court-circuit | > 25 kA |
| Courant de test | 40 kA / 100 ms |
| Courant de court-circuit (AC 50 Hz/DC) (1 s; ≤ 300 °C) | 12,6 kA |
| Câble | NYY-O |
| Section de cable transversale max. du conducteur | 95 mm² |
| Diamètre du câble | 19 mm |
| Dimensions de la cosse | 80 x 30 mm |
| Longueur | 800 mm |
| N° de dessin DB | 3 Ebs 15.03.19 - 33 |
| Normes | Ril 997.0205A01 |
Pont de mise à la terre pour des conduits de large diamètre D BEB 11
Les ponts de mise à la terre sont conçus pour assurer la mise à la terre, le circuit de retour ainsi que la liaison équipotentielle dans la zone d’utilisation des voies ferrées. Cette variante destinée à la mise à la terre des tubes de grand diamètre est utilisée pour les fondations sur pieux et les tubes de grand diamètre. Le produit est composé d’un câble en cuivre avec une douille pressée et une plaque de raccordement en INOX avec perçage intégré pour la fixation du coffrage à une extrémité, ainsi que d’une cosse de câble à l’autre extrémité. La cosse de câble permet de créer un raccordement qui résiste aux courants de court-circuit pour les fondations sur pieux et sur les tubes de grand diamètre. La flexibilité du câble facilite le montage dans l’armature pour l’utilisateur. De plus, ce pont de mise à la terre possède une homologation technique de DB Netz AG, ce qui garantit une sécurité de planification élevée.
Les longueurs spéciales sont disponibles sur demande : jusqu’à 500 mm de longueur totale par incréments de 50 mm, à partir de 500 mm de longueur totale par incréments de 100 mm.
2 Produits
Référence de la pièce 419110 D BEB 11 / EBS 15-03-27
GTIN 4013364439665, Clients tariffs no (UE): 85369010, Poids brut: 640.00 g, Prix unitaire: 1.00 pièce(s)
Caractéristiques techniques
| Matériau - plaque | INOX |
| Matériau n° | 1.4301 |
| Matériau du support | St / Cu |
| Matériau - cosse de câble | Cu /gal Sn |
| Matériau - câble | Cu |
| Courant de court-circuit | ≤ 25 kA |
| Courant de test | 25 kA / 100 ms |
| Courant de court-circuit (AC 50 Hz/DC) (1 s; ≤ 300 °C) | 7,9 kA |
| Filetage | M16 |
| Diamètre de la plaque de connexion | 50 mm |
| Câble | NYY-O |
| Section de cable transversale max. du conducteur | 70 mm² |
| Diamètre du câble | 17 mm |
| Diamètre int. cosse | 13 mm |
| Longueur | 500 mm |
| N° de dessin DB | 4 Ebs 15.03.27 - 2 |
| Normes | Ril 997.0205A01 |
Référence de la pièce 419506 D BEB 11 - L1000 / EBS 15-03-27
GTIN 4013364458444, Clients tariffs no (UE): 85369010, Poids brut: 1.10 kg, Prix unitaire: 1.00 pièce(s)
Caractéristiques techniques
| Matériau - plaque | INOX |
| Matériau n° | 1.4301 |
| Matériau du support | St / Cu |
| Matériau - cosse de câble | Cu /gal Sn |
| Matériau - câble | Cu |
| Courant de court-circuit | ≤ 25 kA |
| Courant de test | 25 kA / 100 ms |
| Courant de court-circuit (AC 50 Hz/DC) (1 s; ≤ 300 °C) | 7,9 kA |
| Filetage | M16 |
| Diamètre de la plaque de connexion | 50 mm |
| Câble | NYY-O |
| Section de cable transversale max. du conducteur | 70 mm² |
| Diamètre du câble | 17 mm |
| Diamètre int. cosse | 13 mm |
| Longueur | 1000 mm |
| N° de dessin DB | 4 Ebs 15.03.27 - 2 |
| Normes | Ril 997.0205A01 |
Connecteur de mise à la terre du câble CuStAl D BEB 29
Les liaisons de mise à la terre sont conçues pour assurer la mise à la terre, le circuit de retour et la liaison équipotentielle dans la zone d’utilisation des voies ferrées. La variante D BEB 29 sans halogènes ou la variante D BEB 29-NF sans halogènes et ignifuge, prévues pour le raccordement extérieur des points de mise à la terre ou d’autres éléments de raccordement, sont réalisées en version avec cosses de câble pour les raccordements M16. Ces liaisons de mise à la terre sont composées d’un câble en aluminium/acier/cuivre, ce qui offre une sécurité antivol supplémentaire. De plus, ces liaisons de mise à la terre possèdent une homologation technique de DB Netz AG, pour garantir une sécurité de planification élevée. La version sans halogènes et ignifuge peut être mise en place dans les tunnels conformément aux réglementations européennes.
Les longueurs spéciales sont disponibles sur demande : jusqu’à 500 mm de longueur totale par incréments de 50 mm, à partir de 500 mm de longueur totale par incréments de 100 mm.
6 Produits
Référence de la pièce 419290 D BEB 29 / EBS 15-03-17
GTIN 4013364439627, Clients tariffs no (UE): 85359000, Poids brut: 390.00 g, Prix unitaire: 1.00 pièce(s)
Caractéristiques techniques
| Matériau - cosse de câble | Cu /gal Sn |
| Matériau - câble | Cu St Al |
| Courant de court-circuit | > 25 kA |
| Courant de test | 40 kA / 100 ms |
| Courant de court-circuit (AC 50 Hz/DC) (1 s; ≤ 300 °C) | 12,6 kA |
| Câble | (N)2X RF Cu St Al |
| Section de cable transversale max. du conducteur | ≥ 70 mm² |
| Version | Sans Halogène |
| Diamètre du câble | 17 mm |
| Diamètre int. cosse | 17 mm |
| Longueur | 500 mm |
| N° de dessin DB | 4 Ebs 15.03.17 - 6 (Bayka) |
| Normes | Ril 997.0205A01; DIN EN 62561-1 |
Référence de la pièce 419291 D BEB 29-NF / EBS 15-03-17
GTIN 4013364439634, Clients tariffs no (UE): 85359000, Poids brut: 410.00 g, Prix unitaire: 1.00 pièce(s)
Caractéristiques techniques
| Matériau - cosse de câble | Cu /gal Sn |
| Matériau - câble | Cu St Al |
| Courant de court-circuit | > 25 kA |
| Courant de test | 40 kA / 100 ms |
| Courant de court-circuit (AC 50 Hz/DC) (1 s; ≤ 300 °C) | 12,6 kA |
| Câble | B2ca RF Cu St Al |
| Section de cable transversale max. du conducteur | ≥ 70 mm² |
| Version | Sans halogène et ignfuge |
| Diamètre du câble | 17 mm |
| Diamètre int. cosse | 17 mm |
| Longueur | 500 mm |
| N° de dessin DB | 4 Ebs 15.03.17 - 6 (Bayka) |
| Normes | Ril 997.0205A01; DIN EN 62561-1 |
Référence de la pièce 419511 D BEB 29 M12 M16 / EBS 15-03-17
GTIN 4013364480513, Clients tariffs no (UE): 85359000, Poids brut: 410.00 g, Prix unitaire: 1.00 pièce(s)
Caractéristiques techniques
| Matériau - cosse de câble | Cu /gal Sn |
| Matériau - câble | Cu St Al |
| Courant de court-circuit | > 25 kA |
| Courant de test | 40 kA / 100 ms |
| Courant de court-circuit (AC 50 Hz/DC) (1 s; ≤ 300 °C) | 12,6 kA |
| Câble | (N)2X RF Cu St Al |
| Section de cable transversale max. du conducteur | ≥ 70 mm² |
| Version | Sans Halogène |
| Diamètre du câble | 17 mm |
| Diamètre int. cosse | 17 mm |
| Longueur | 500 mm |
| N° de dessin DB | 4 Ebs 15.03.17 - 6 (Bayka) |
| Normes | Ril 997.0205A01 |
Référence de la pièce 419512 D BEB 29-NF M12 M16 / EBS 15-03-17
GTIN 4013364480520, Clients tariffs no (UE): 85359000, Poids brut: 410.00 g, Prix unitaire: 1.00 pièce(s)
Caractéristiques techniques
| Matériau - cosse de câble | Cu /gal Sn |
| Matériau - câble | Cu St Al |
| Courant de court-circuit | > 25 kA |
| Courant de test | 40 kA / 100 ms |
| Courant de court-circuit (AC 50 Hz/DC) (1 s; ≤ 300 °C) | 12,6 kA |
| Câble | B2ca RF Cu St Al |
| Section de cable transversale max. du conducteur | ≥ 70 mm² |
| Version | Sans halogène et ignfuge |
| Diamètre du câble | 17 mm |
| Diamètre int. cosse | 17 mm |
| Longueur | 500 mm |
| N° de dessin DB | 4 Ebs 15.03.17 - 6 (Bayka) |
| Normes | Ril 997.0205A01 |
Référence de la pièce 419513 D BEB 29 R / EBS 15-03-17
GTIN 4013364480506, Clients tariffs no (UE): 85359000, Poids brut: 410.00 g, Prix unitaire: 1.00 pièce(s)
Caractéristiques techniques
| Matériau - cosse de câble | Cu /gal Sn |
| Matériau - câble | Cu St Al |
| Courant de court-circuit | > 25 kA |
| Courant de test | 40 kA / 100 ms |
| Courant de court-circuit (AC 50 Hz/DC) (1 s; ≤ 300 °C) | 12,6 kA |
| Câble | (N)2X RF Cu St Al |
| Section de cable transversale max. du conducteur | ≥ 70 mm² |
| Version | Sans Halogène |
| Diamètre du câble | 17 mm |
| Diamètre int. cosse | 17 mm |
| Version cosse de câble | tourné à 90° vers la droite |
| Longueur | 500 mm |
| N° de dessin DB | 4 Ebs 15.03.17 - 6 (Bayka) |
| Normes | Ril 997.0205A01; DIN EN 62561-1 |
Référence de la pièce 419514 D BEB 29 L / EBS 15-03-17
GTIN 4013364480537, Clients tariffs no (UE): 85359000, Poids brut: 410.00 g, Prix unitaire: 1.00 pièce(s)
Caractéristiques techniques
| Matériau - cosse de câble | Cu /gal Sn |
| Matériau - câble | Cu St Al |
| Courant de court-circuit | > 25 kA |
| Courant de test | 40 kA / 100 ms |
| Courant de court-circuit (AC 50 Hz/DC) (1 s; ≤ 300 °C) | 12,6 kA |
| Câble | (N)2X RF Cu St Al |
| Section de cable transversale max. du conducteur | ≥ 70 mm² |
| Version | Sans Halogène |
| Diamètre du câble | 17 mm |
| Diamètre int. cosse | 17 mm |
| Version cosse de câble | tourné à 90° vers la gauche |
| Longueur | 500 mm |
| N° de dessin DB | 4 Ebs 15.03.17 - 6 (Bayka) |
| Normes | Ril 997.0205A01; DIN EN 62561-1 |
Référence de la pièce 419900 D KLP D50 BEB
GTIN 4013364439641, Clients tariffs no (UE): 39191080, Poids brut: 2.00 g, Prix unitaire: 1.00 pièce(s)
Caractéristiques techniques
| Diamètre Ø | 50 mm |
Référence de la pièce 419901 D EAK D50 BEB
GTIN 4013364439658, Clients tariffs no (UE): 39191080, Poids brut: 3.00 g, Prix unitaire: 1.00 pièce(s)
Caractéristiques techniques
| Diamètre Ø | 50 mm |
Référence de la pièce 419902 D SKS M16X30 V4A
GTIN 4013364439689, Clients tariffs no (UE): 85389099, Poids brut: 76.89 g, Prix unitaire: 1.00 pièce(s)
Caractéristiques techniques
| Matériau | INOX (V4A) |
| Filetage | M16 x 30 mm |
Référence de la pièce 419903 D SKM M16 V4A
GTIN 4013364439696, Clients tariffs no (UE): 73181639, Poids brut: 28.98 g, Prix unitaire: 1.00 pièce(s)
Caractéristiques techniques
| Matériau | INOX (V4A) |
| Filetage | M16 |
Référence de la pièce 419904 D SCH A17 V4A
GTIN 4013364439702, Clients tariffs no (UE): 85389099, Poids brut: 9.10 g, Prix unitaire: 1.00 pièce(s)
Caractéristiques techniques
| Matériau | INOX (V4A) |
| Diamètre extérieur | 30 mm |
| Diamètre intérieur | 17 mm |