Thèmes similaires
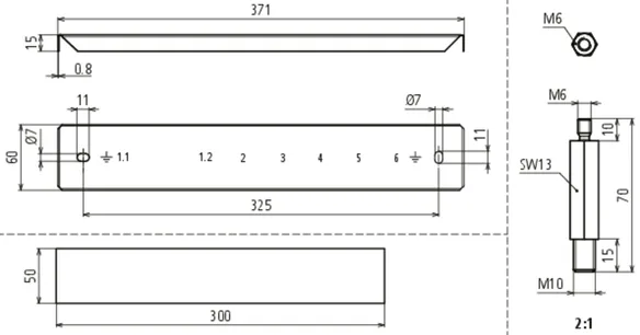
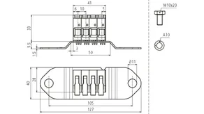
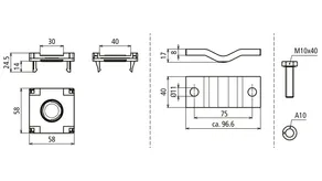
Référence de la pièce 472415 PAS EX 7AP SET
GTIN 4013364470590, Clients tariffs no (UE): 85359000, Poids brut: 3.23 kg, Prix unitaire: 1.00 pièce(s)
Caractéristiques techniques
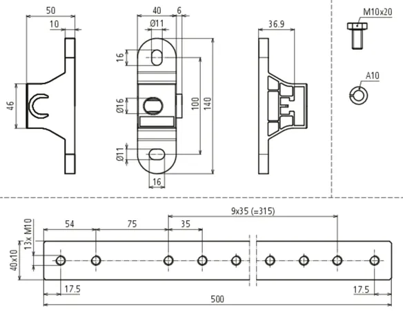
| Raccordement Rd/Pl | 1x conducteur plat 30/40 mm ou 1x conducteur rond 10 mm | 
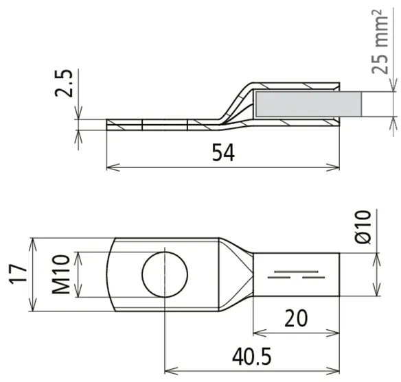
| Borne de raccordement | 4x 4-16 mm² | 
| Cosse du câble de raccordement | 1x conducteur souple/rigide 16-95 mm² | 
| Dimensions | 382 x 140 x 101 mm | 
| Courant de choc (10/350 µs), INOX (V4A) 30x3,5 mm / 40x5 mm | 2HExIIC 75 kA (sans étincelles) T4 | 
| Courant de choc (10/350 µs), INOX (V4A) 30x3,5 mm / 40x5 mm | 1HExIIC 100 kA (sans étincelles) T4 | 
| Courant de choc (10/350 µs), INOX (V4A) Ø10 mm | NExIIC 50 kA (sans étincelles) T4 | 
| Courant de choc (10/350 µs) St/tZn Ø10 mm | 2HExIIC 75 kA (sans étincelles) T4 | 
| Courant de choc (10/350 µs) Cu 16-95 mm2 | 1HExIIC 100 kA (sans étincelles) T4 | 
| Courant de choc (10/350 µs) Cu 4-16 mm2 (par pôle) | 3 kA (sans étincelles) | 
| Courant nominal de décharge (8/20 µs) par conducteur (In) Cu 4-10 mm² | 10 kA (sans étincelles) | 
| Courant nominal de décharge (8/20 µs) par conducteur (In) Cu 16 mm² | 15 kA (sans étincelles) | 
| Courant de court-circuit max (AC 50 Hz / DC / 5 s) INOX (V4A) 30x3,5 mm / 40x5 mm | 750 A / T4 | 
| Courant de court-circuit max (AC 50 Hz / DC / 5 s) INOX (V4A) 30x3,5 mm / 40x5 mm | 1500 A / T4 | 
| Courant de court-circuit max (AC 50 Hz / DC / 5 s) INOX (V4A) Ø10 mm | 650 A / T4 | 
| Courant de court-circuit max (AC 50 Hz / DC / 5 s) St/tZn Ø10 mm | 1000 A / T4 | 
| Normes | NF EN 62561-1 / CLC 50703-2 | 
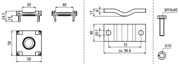
Référence de la pièce 472425 PAS EX 11AP SET
GTIN 4013364470606, Clients tariffs no (UE): 85359000, Poids brut: 3.82 kg, Prix unitaire: 1.00 pièce(s)
Caractéristiques techniques
| Raccordement Rd/Pl | 1x conducteur plat 30/40 mm ou 1x conducteur rond 10 mm | 
| Borne de raccordement | 4x 4-16 mm² | 
| Cosse du câble de raccordement | 5x conducteurs souples/rigides 16-95 mm² | 
| Dimensions | 522 x 140 x 101 mm | 
| Courant de choc (10/350 µs), INOX (V4A) 30x3,5 mm / 40x5 mm | 2HExIIC 75 kA (sans étincelles) T4 | 
| Courant de choc (10/350 µs), INOX (V4A) 30x3,5 mm / 40x5 mm | 1HExIIC 100 kA (sans étincelles) T4 | 
| Courant de choc (10/350 µs), INOX (V4A) Ø10 mm | NExIIC 50 kA (sans étincelles) T4 | 
| Courant de choc (10/350 µs) St/tZn Ø10 mm | 2HExIIC 75 kA (sans étincelles) T4 | 
| Courant de choc (10/350 µs) Cu 16-95 mm2 | 1HExIIC 100 kA (sans étincelles) T4 | 
| Courant de choc (10/350 µs) Cu 4-16 mm2 (par pôle) | 3 kA (sans étincelles) | 
| Courant nominal de décharge (8/20 µs) par conducteur (In) Cu 4-10 mm² | 10 kA (sans étincelles) | 
| Courant nominal de décharge (8/20 µs) par conducteur (In) Cu 16 mm² | 15 kA (sans étincelles) | 
| Courant de court-circuit max (AC 50 Hz / DC / 5 s) INOX (V4A) 30x3,5 mm / 40x5 mm | 750 A / T4 | 
| Courant de court-circuit max (AC 50 Hz / DC / 5 s) INOX (V4A) 30x3,5 mm / 40x5 mm | 1500 A / T4 | 
| Courant de court-circuit max (AC 50 Hz / DC / 5 s) INOX (V4A) Ø10 mm | 650 A / T4 | 
| Courant de court-circuit max (AC 50 Hz / DC / 5 s) St/tZn Ø10 mm | 1000 A / T4 | 
| Normes | NF EN 62561-1 / CLC 50703-2 | 
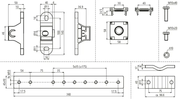
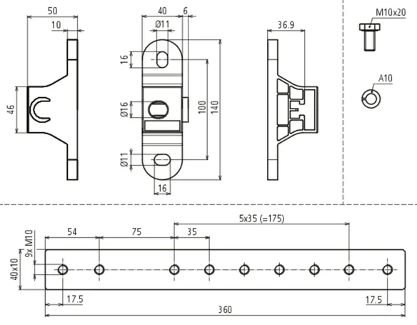
Référence de la pièce 472410 PAS EX 1+5AP M10 V2A
GTIN 4013364470521, Clients tariffs no (UE): 85359000, Poids brut: 1.96 kg, Prix unitaire: 1.00 pièce(s)
Caractéristiques techniques
| Raccordement - conducteur plat | 1x conducteur plat 30/40 mm | 
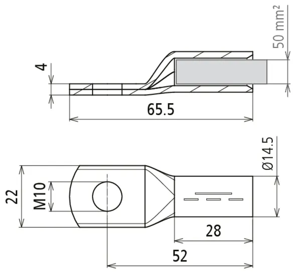
| Cosse du câble de raccordement | 5x conducteurs souples/rigides 16-95 mm² | 
| Dimensions | 382 x 140 x 65 mm | 
| Courant de choc (10/350 µs), INOX (V4A) 30x3,5 mm / 40x5 mm | 2HExIIC 75 kA (sans étincelles) T4 | 
| Courant de choc (10/350 µs), INOX (V4A) 30x3,5 mm / 40x5 mm | 1HExIIC 100 kA (sans étincelles) T4 | 
| Courant de choc (10/350 µs) Cu 16-95 mm2 | 1HExIIC 100 kA (sans étincelles) T4 | 
| Courant de court-circuit max (AC 50 Hz / DC / 5 s) INOX (V4A) 30x3,5 mm / 40x5 mm | 750 A / T4 | 
| Courant de court-circuit max (AC 50 Hz / DC / 5 s) INOX (V4A) 30x3,5 mm / 40x5 mm | 1500 A / T4 | 
| Normes | NF EN 62561-1 / CLC 50703-2 | 
| En ce qui concerne la résistance à la corrosion, il est important de vérifier que les matériaux utilisés dans les barres de liaison équipotentielle pour zones EX (par ex. Cu/galSn, INOX, polyamide, ester de polyuréthane) peuvent être utilisées dans l’environnement prévu. | |
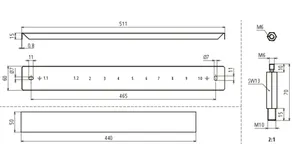
Référence de la pièce 472420 PAS EX 1+9AP M10 V2A
GTIN 4013364476059, Clients tariffs no (UE): 85359000, Poids brut: 2.50 kg, Prix unitaire: 1.00 pièce(s)
Caractéristiques techniques
| Raccordement - conducteur plat | 1x conducteur plat 30/40 mm | 
| Cosse du câble de raccordement | 9x conducteurs souples/rigides 16-95 mm² | 
| Dimensions | 522 x 140 x 65 mm | 
| Courant de choc (10/350 µs), INOX (V4A) 30x3,5 mm / 40x5 mm | 2HExIIC 75 kA (sans étincelles) T4 | 
| Courant de choc (10/350 µs), INOX (V4A) 30x3,5 mm / 40x5 mm | 1HExIIC 100 kA (sans étincelles) T4 | 
| Courant de choc (10/350 µs) Cu 16-95 mm2 | 1HExIIC 100 kA (sans étincelles) T4 | 
| Courant de court-circuit max (AC 50 Hz / DC / 5 s) INOX (V4A) 30x3,5 mm / 40x5 mm | 750 A / T4 | 
| Courant de court-circuit max (AC 50 Hz / DC / 5 s) INOX (V4A) 30x3,5 mm / 40x5 mm | 1500 A / T4 | 
| Normes | NF EN 62561-1 / CLC 50703-2 | 
| En ce qui concerne la résistance à la corrosion, il est important de vérifier que les matériaux utilisés dans les barres de liaison équipotentielle pour zones EX (par ex. Cu/galSn, INOX, polyamide, ester de polyuréthane) peuvent être utilisées dans l’environnement prévu. | |
Référence de la pièce 472411 PAS EX 7AP M10 V2A
GTIN 4013364470460, Clients tariffs no (UE): 85359000, Poids brut: 1.65 kg, Prix unitaire: 1.00 pièce(s)
Caractéristiques techniques
| Cosse du câble de raccordement | 7x conducteurs souples/rigides 16-95 mm² | 
| Dimensions | 382 x 140 x 50 mm | 
| Courant de choc (10/350 µs) Cu 16-95 mm2 | 1HExIIC 100 kA (sans étincelles) T4 | 
| Normes | NF EN 62561-1 / CLC 50703-2 | 
| En ce qui concerne la résistance à la corrosion, il est important de vérifier que les matériaux utilisés dans les barres de liaison équipotentielle pour zones EX (par ex. Cu/galSn, INOX, polyamide, ester de polyuréthane) peuvent être utilisées dans l’environnement prévu. | |
Référence de la pièce 472421 PAS EX 11AP M10 V2A
GTIN 4013364470477, Clients tariffs no (UE): 85359000, Poids brut: 2.16 kg, Prix unitaire: 1.00 pièce(s)
Caractéristiques techniques
| Cosse du câble de raccordement | 11x conducteurs souples/rigides 16-95 mm² | 
| Dimensions | 522 x 140 x 50 mm | 
| Courant de choc (10/350 µs) Cu 16-95 mm2 | 1HExIIC 100 kA (sans étincelles) T4 | 
| Normes | NF EN 62561-1 / CLC 50703-2 | 
| En ce qui concerne la résistance à la corrosion, il est important de vérifier que les matériaux utilisés dans les barres de liaison équipotentielle pour zones EX (par ex. Cu/galSn, INOX, polyamide, ester de polyuréthane) peuvent être utilisées dans l’environnement prévu. | |
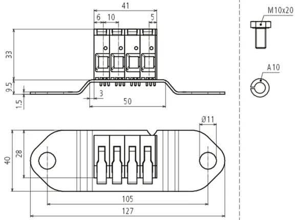
Référence de la pièce 472412 PAS EX AD 7 AP
GTIN 4013364470491, Clients tariffs no (UE): 85389099, Poids brut: 576.00 g, Prix unitaire: 1.00 pièce(s)
Caractéristiques techniques
| Matériau | INOX | 
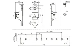
Référence de la pièce 472422 PAS EX AD 11 AP
GTIN 4013364470507, Clients tariffs no (UE): 85389099, Poids brut: 658.00 g, Prix unitaire: 1.00 pièce(s)
Caractéristiques techniques
| Matériau | INOX | 
PAS EX CC
Adaptateur enfichable pour barres de liaison équipotentielle sans étincelles PAS EX pour le raccordement facile des conducteurs flexibles. Pour une utilisation dans les zones Ex 1 et 2 (gaz, vapeurs, brouillards) jusqu’au groupe d’explosion IIC ainsi que les zones Ex 21 et 22 (poussières). Utilisation à l’intérieur uniquement.
1 Produit
Référence de la pièce 472497 PAS EX CC
GTIN 4013364470484, Clients tariffs no (UE): 85359000, Poids brut: 196.00 g, Prix unitaire: 1.00 pièce(s)
Caractéristiques techniques
| Courant de choc (10/350 µs) Cu 4-16 mm2 (par pôle) | 3 kA (sans étincelles) | 
| Courant nominal de décharge (8/20 µs) par conducteur (In) Cu 4-10 mm² | 10 kA (sans étincelles) | 
| Courant nominal de décharge (8/20 µs) par conducteur (In) Cu 16 mm² | 15 kA (sans étincelles) | 
| Remarque : Sans étincelles uniquement lors d’un raccordement avec PAS EX ... ! | |
PAS EX R
Adaptateur enfichable pour barres de liaison équipotentielle sans étincelles PAS EX pour le raccordement facile d’un conducteur rond. Pour une utilisation dans les zones Ex 1 et 2 (gaz, vapeurs, brouillards) jusqu’au groupe d’explosion IIC ainsi que les zones Ex 21 et 22 (poussières). Utilisation autorisée en intérieur et en extérieur.
1 Produit
Référence de la pièce 472498 PAS EX R
GTIN 4013364476042, Clients tariffs no (UE): 85359000, Poids brut: 790.00 g, Prix unitaire: 1.00 pièce(s)
Caractéristiques techniques
| Courant de choc (10/350 µs), INOX (V4A) Ø10 mm | NExIIC 50 kA (sans étincelles) T4 | 
| Courant de choc (10/350 µs) St/tZn Ø10 mm | 2HExIIC 75 kA (sans étincelles) T4 | 
| Courant de court-circuit max (AC 50 Hz / DC / 5 s) INOX (V4A) Ø10 mm | 650 A / T4 | 
| Courant de court-circuit max (AC 50 Hz / DC / 5 s) St/tZn Ø10 mm | 1000 A / T4 | 
| Remarque : Sans étincelles uniquement lors d’un raccordement avec PAS EX ... ! | |
PAS EX FL
Adaptateur pour barres de liaison équipotentielle sans étincelles PAS EX pour le raccordement facile d’un conducteur plat. Pour une utilisation dans les zones Ex 1 et 2 (gaz, vapeurs, brouillards) jusqu’au groupe d’explosion IIC ainsi que les zones Ex 21 et 22 (poussières). Utilisation autorisée en intérieur et en extérieur.
1 Produit
Référence de la pièce 472499 PAS EX FL
GTIN 4013364470514, Clients tariffs no (UE): 85359000, Poids brut: 408.00 g, Prix unitaire: 1.00 pièce(s)
Caractéristiques techniques
| Courant de choc (10/350 µs), INOX (V4A) 30x3,5 mm / 40x5 mm | 2HExIIC 75 kA (sans étincelles) T4 | 
| Courant de choc (10/350 µs), INOX (V4A) 30x3,5 mm / 40x5 mm | 1HExIIC 100 kA (sans étincelles) T4 | 
| Courant de court-circuit max (AC 50 Hz / DC / 5 s) INOX (V4A) 30x3,5 mm / 40x5 mm | 750 A / T4 | 
| Courant de court-circuit max (AC 50 Hz / DC / 5 s) INOX (V4A) 30x3,5 mm / 40x5 mm | 1500 A / T4 | 
| Remarque : Sans étincelles uniquement lors d’un raccordement avec PAS EX ... ! | |
Référence de la pièce 472432 PKS 16 10 CUGALNISN
GTIN 4013364470538, Clients tariffs no (UE): 85369010, Poids brut: 16.33 g, Prix unitaire: 3.00 pièce(s)
Caractéristiques techniques
| Matériau | Cu /gal (Ni)Sn | 
| Diamètre int. cosse | M10 | 
| Section du rail transversale max. du conducteur | 16 mm2 | 
| Remarque : Sans étincelles uniquement lors d’un raccordement avec PAS EX ... ! | |
Référence de la pièce 472433 PKS 25 10 CUGALNISN
GTIN 4013364470545, Clients tariffs no (UE): 85369010, Poids brut: 19.67 g, Prix unitaire: 3.00 pièce(s)
Caractéristiques techniques
| Matériau | Cu /gal (Ni)Sn | 
| Diamètre int. cosse | M10 | 
| Section du rail transversale max. du conducteur | 25 mm2 | 
| Remarque : Sans étincelles uniquement lors d’un raccordement avec PAS EX ... ! | |
Référence de la pièce 472434 PKS 35 10 CUGALNISN
GTIN 4013364470552, Clients tariffs no (UE): 85369010, Poids brut: 34.33 g, Prix unitaire: 3.00 pièce(s)
Caractéristiques techniques
| Matériau | Cu /gal (Ni)Sn | 
| Diamètre int. cosse | M10 | 
| Section du rail transversale max. du conducteur | 35 mm2 | 
| Remarque : Sans étincelles uniquement lors d’un raccordement avec PAS EX ... ! | |
Référence de la pièce 472435 PKS 50 10 CUGALNISN
GTIN 4013364470569, Clients tariffs no (UE): 85369010, Poids brut: 51.67 g, Prix unitaire: 3.00 pièce(s)
Caractéristiques techniques
| Matériau | Cu /gal (Ni)Sn | 
| Diamètre int. cosse | M10 | 
| Section du rail transversale max. du conducteur | 50 mm2 | 
| Remarque : Sans étincelles uniquement lors d’un raccordement avec PAS EX ... ! | |
Référence de la pièce 472436 PKS 70 10 CUGALNISN
GTIN 4013364470576, Clients tariffs no (UE): 85369010, Poids brut: 68.00 g, Prix unitaire: 3.00 pièce(s)
Caractéristiques techniques
| Matériau | Cu /gal (Ni)Sn | 
| Diamètre int. cosse | M10 | 
| Section du rail transversale max. du conducteur | 70 mm2 | 
| Remarque : Sans étincelles uniquement lors d’un raccordement avec PAS EX ... ! | |
Référence de la pièce 472437 PKS 95 10 CUGALNISN
GTIN 4013364470583, Clients tariffs no (UE): 85369010, Poids brut: 98.00 g, Prix unitaire: 3.00 pièce(s)
Caractéristiques techniques
| Matériau | Cu /gal (Ni)Sn | 
| Diamètre int. cosse | M10 | 
| Section du rail transversale max. du conducteur | 95 mm2 | 
| Remarque : Sans étincelles uniquement lors d’un raccordement avec PAS EX ... ! | |
:quality(98)/www.dehn.fr/store/f/61768740/HDVORSCHAU/472411a1_16-9.jpg) 
                        
                        :quality(98)/www.dehn.fr/store/f/61768740/HDVORSCHAU/472411a1_16-9.jpg) 
                            
                        :quality(98)/www.dehn.fr/store/f/61768751/HDVORSCHAU/472415.jpg) 
                                
                                :quality(98)/www.dehn.fr/store/f/61768751/HDVORSCHAU/472415.jpg) 
                                    
                                        
                                    
                                    
                                :quality(98)/www.dehn.fr/store/f/61768752/HDVORSCHAU/472415m_D.jpg) 
                                
                                :quality(98)/www.dehn.fr/store/f/61768752/HDVORSCHAU/472415m_D.jpg) 
                                    
                                         
                 
            :quality(98)/www.dehn.fr/store/f/61768778/HDVORSCHAU/472425.jpg) 
                                
                                :quality(98)/www.dehn.fr/store/f/61768778/HDVORSCHAU/472425.jpg) 
                                    
                                        
                                    
                                    
                                :quality(98)/www.dehn.fr/store/f/61768779/HDVORSCHAU/472425m_D.jpg) 
                                
                                :quality(98)/www.dehn.fr/store/f/61768779/HDVORSCHAU/472425m_D.jpg) 
                                    
                                        :quality(98)/www.dehn.fr/store/f/61768792/HDVORSCHAU/472410.jpg) 
                                
                                :quality(98)/www.dehn.fr/store/f/61768792/HDVORSCHAU/472410.jpg) 
                                    
                                        
                                    
                                    
                                :quality(98)/www.dehn.fr/store/f/61768793/HDVORSCHAU/472410m_D.jpg) 
                                
                                :quality(98)/www.dehn.fr/store/f/61768793/HDVORSCHAU/472410m_D.jpg) 
                                    
                                         
                :quality(98)/www.dehn.fr/store/f/61768803/HDVORSCHAU/472420.jpg) 
                                
                                :quality(98)/www.dehn.fr/store/f/61768803/HDVORSCHAU/472420.jpg) 
                                    
                                        
                                    
                                    
                                :quality(98)/www.dehn.fr/store/f/61768804/HDVORSCHAU/472420m_D.jpg) 
                                
                                :quality(98)/www.dehn.fr/store/f/61768804/HDVORSCHAU/472420m_D.jpg) 
                                    
                                        :quality(98)/www.dehn.fr/store/f/61768815/HDVORSCHAU/472411.jpg) 
                                
                                :quality(98)/www.dehn.fr/store/f/61768815/HDVORSCHAU/472411.jpg) 
                                    
                                        
                                    
                                    
                                :quality(98)/www.dehn.fr/store/f/61768816/HDVORSCHAU/472411m_D.jpg) 
                                
                                :quality(98)/www.dehn.fr/store/f/61768816/HDVORSCHAU/472411m_D.jpg) 
                                    
                                        :quality(98)/www.dehn.fr/store/f/61768832/HDVORSCHAU/472421.jpg) 
                                
                                :quality(98)/www.dehn.fr/store/f/61768832/HDVORSCHAU/472421.jpg) 
                                    
                                        
                                    
                                    
                                :quality(98)/www.dehn.fr/store/f/61768833/HDVORSCHAU/472421m_D.jpg) 
                                
                                :quality(98)/www.dehn.fr/store/f/61768833/HDVORSCHAU/472421m_D.jpg) 
                                    
                                        :quality(98)/www.dehn.fr/store/f/61768841/HDVORSCHAU/472412.jpg) 
                                
                                :quality(98)/www.dehn.fr/store/f/61768841/HDVORSCHAU/472412.jpg) 
                                    
                                        
                                    
                                    
                                :quality(98)/www.dehn.fr/store/f/61768842/HDVORSCHAU/472412m_D.jpg) 
                                
                                :quality(98)/www.dehn.fr/store/f/61768842/HDVORSCHAU/472412m_D.jpg) 
                                    
                                        :quality(98)/www.dehn.fr/store/f/61768849/HDVORSCHAU/472422.jpg) 
                                
                                :quality(98)/www.dehn.fr/store/f/61768849/HDVORSCHAU/472422.jpg) 
                                    
                                        
                                    
                                    
                                :quality(98)/www.dehn.fr/store/f/61768850/HDVORSCHAU/472422m_D.jpg) 
                                
                                :quality(98)/www.dehn.fr/store/f/61768850/HDVORSCHAU/472422m_D.jpg) 
                                    
                                        :quality(98)/www.dehn.fr/store/f/61768858/HDVORSCHAU/472497.jpg) 
                                
                                :quality(98)/www.dehn.fr/store/f/61768858/HDVORSCHAU/472497.jpg) 
                                    
                                        
                                    
                                    
                                :quality(98)/www.dehn.fr/store/f/61768859/HDVORSCHAU/472497m_D.jpg) 
                                
                                :quality(98)/www.dehn.fr/store/f/61768859/HDVORSCHAU/472497m_D.jpg) 
                                    
                                        :quality(98)/www.dehn.fr/store/f/61768867/HDVORSCHAU/472498.jpg) 
                                
                                :quality(98)/www.dehn.fr/store/f/61768867/HDVORSCHAU/472498.jpg) 
                                    
                                        
                                    
                                    
                                :quality(98)/www.dehn.fr/store/f/61768868/HDVORSCHAU/472498m_D.jpg) 
                                
                                :quality(98)/www.dehn.fr/store/f/61768868/HDVORSCHAU/472498m_D.jpg) 
                                    
                                        :quality(98)/www.dehn.fr/store/f/61768876/HDVORSCHAU/472499.jpg) 
                                
                                :quality(98)/www.dehn.fr/store/f/61768876/HDVORSCHAU/472499.jpg) 
                                    
                                        
                                    
                                    
                                :quality(98)/www.dehn.fr/store/f/61768877/HDVORSCHAU/472499m_D.jpg) 
                                
                                :quality(98)/www.dehn.fr/store/f/61768877/HDVORSCHAU/472499m_D.jpg) 
                                    
                                        :quality(98)/www.dehn.fr/store/f/61768885/HDVORSCHAU/472432.jpg) 
                                
                                :quality(98)/www.dehn.fr/store/f/61768885/HDVORSCHAU/472432.jpg) 
                                    
                                        
                                    
                                    
                                :quality(98)/www.dehn.fr/store/f/61768886/HDVORSCHAU/472432m_D.jpg) 
                                
                                :quality(98)/www.dehn.fr/store/f/61768886/HDVORSCHAU/472432m_D.jpg) 
                                    
                                        :quality(98)/www.dehn.fr/store/f/61768893/HDVORSCHAU/472433.jpg) 
                                
                                :quality(98)/www.dehn.fr/store/f/61768893/HDVORSCHAU/472433.jpg) 
                                    
                                        
                                    
                                    
                                :quality(98)/www.dehn.fr/store/f/61768894/HDVORSCHAU/472433m_D.jpg) 
                                
                                :quality(98)/www.dehn.fr/store/f/61768894/HDVORSCHAU/472433m_D.jpg) 
                                    
                                        :quality(98)/www.dehn.fr/store/f/61768901/HDVORSCHAU/472435.jpg) 
                                
                                :quality(98)/www.dehn.fr/store/f/61768901/HDVORSCHAU/472435.jpg) 
                                    
                                        
                                    
                                    
                                :quality(98)/www.dehn.fr/store/f/61768902/HDVORSCHAU/472434m_D.jpg) 
                                
                                :quality(98)/www.dehn.fr/store/f/61768902/HDVORSCHAU/472434m_D.jpg) 
                                    
                                        :quality(98)/www.dehn.fr/store/f/61768909/HDVORSCHAU/472435.jpg) 
                                
                                :quality(98)/www.dehn.fr/store/f/61768909/HDVORSCHAU/472435.jpg) 
                                    
                                        
                                    
                                    
                                :quality(98)/www.dehn.fr/store/f/61768910/HDVORSCHAU/472435m_D.jpg) 
                                
                                :quality(98)/www.dehn.fr/store/f/61768910/HDVORSCHAU/472435m_D.jpg) 
                                    
                                        :quality(98)/www.dehn.fr/store/f/61768917/HDVORSCHAU/472436.jpg) 
                                
                                :quality(98)/www.dehn.fr/store/f/61768917/HDVORSCHAU/472436.jpg) 
                                    
                                        
                                    
                                    
                                :quality(98)/www.dehn.fr/store/f/61768918/HDVORSCHAU/472436m_D.jpg) 
                                
                                :quality(98)/www.dehn.fr/store/f/61768918/HDVORSCHAU/472436m_D.jpg) 
                                    
                                        :quality(98)/www.dehn.fr/store/f/61768925/HDVORSCHAU/472437.jpg) 
                                
                                :quality(98)/www.dehn.fr/store/f/61768925/HDVORSCHAU/472437.jpg) 
                                    
                                        
                                    
                                    
                                :quality(98)/www.dehn.fr/store/f/61768926/HDVORSCHAU/472437m_D.jpg) 
                                
                                :quality(98)/www.dehn.fr/store/f/61768926/HDVORSCHAU/472437m_D.jpg)