DEHNventil modulaire SN

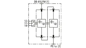
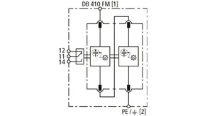
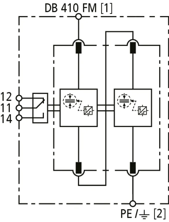
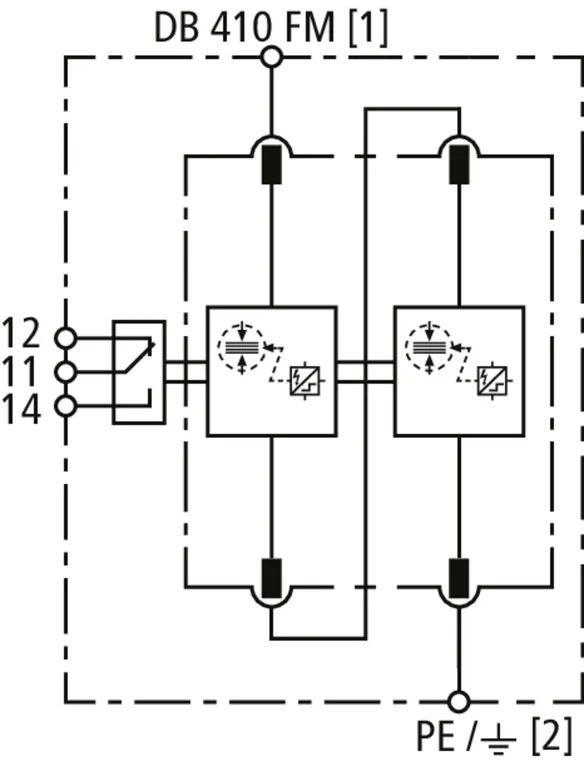
DEHNventil M2 DB 410 FM

Parafoudre combiné modulaire pour réseaux 400 V DC, utilisation possible avec un dérivateur d’influence DV M2 410 SN1886 FM (référence 961 149).

1 Produit

Référence de la pièce 999892 DV M2 DB 410 FM

GTIN 4013364521353, Clients tariffs no (UE): 85363090, Poids brut: 314.27 g, Prix unitaire: 1.00 pièce(s)


Images

Plus d'informations



produit : DEHN
Type: DV M2 DB 410 FM
Référence: 999892
ou équivalent

 

Caractéristiques techniques

SPD selon CDV IEC 61643-41 Type 1 + Type 2
Tension continue maximale DC (UC ) 410 V
Courant de foudre (10/350 µs) [DC+ --> DC-] (Iimp ) 12,5 kA
Niveau de protection [DC+ --> DC-] (UP ) ≤ 2,5 kV
Fusible amont max. jusqu’à IK = 4 kA 160 A gG
Contacts de télésignalisation/type de contact oui / inverseur

Le produit 999892 a été ajouté au bloc-notes

Le produit 999892 a été ajouté au panier.


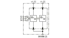
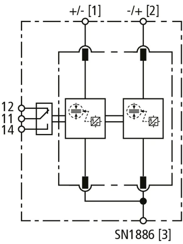
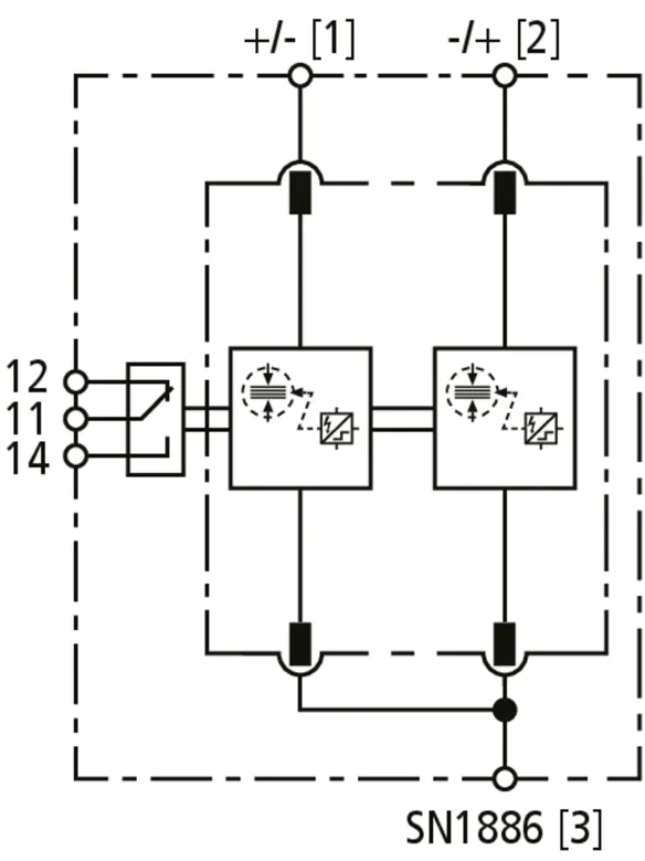
DEHNventil M2 410 SN1886 FM

Parafoudre coordonné unipolaire.

1 Produit

Référence de la pièce 961149 DV M2 410 SN1886 FM

GTIN 4013364521377, Clients tariffs no (UE): 85363090, Poids brut: 290.00 g, Prix unitaire: 1.00 pièce(s)


Images

Plus d'informations



produit : DEHN
Type: DV M2 410 SN1886 FM
Référence: 961149
ou équivalent

 

Caractéristiques techniques

SPD selon IEC 61643-11 Type 1 + Type 2
Tension d’utilisation permanente max AC (UC ) 255 V
Courant de foudre (10/350 µs) (Iimp ) 25 kA
Niveau de protection (UP ) ≤ 2,5 kV
Fusible amont max. jusqu’à IK = 4 kA 160 A gG
Contacts de télésignalisation/type de contact oui / inverseur

Le produit 961149 a été ajouté au bloc-notes

Le produit 961149 a été ajouté au panier.


back to top