DEHNvario
:quality(98)/www.dehn.fr/store/f/60669396/HDVORSCHAU/928440a1_16-9.jpg)
:quality(98)/www.dehn.fr/store/f/60669396/HDVORSCHAU/928440a1_16-9.jpg)
- Montage simple et rapide grâce aux bornes de raccordements compactes
- Les conducteurs sont enfichés directement ce qui permet un raccordement sans outillage
- Remplacement rapide des modules : détacher et retirer les bornes de raccordement
- Mise à la terre et équilibrage de potentiel via le rail DIN
- Adapté aux désirs du client et a chaque application
Détails
:quality(98)/www.dehn.fr/store/f/60669401/HDVORSCHAU/928440a4_Kat.jpg)
:quality(98)/www.dehn.fr/store/f/60669401/HDVORSCHAU/928440a4_Kat.jpg)
:quality(98)/www.dehn.fr/store/f/60669397/HDVORSCHAU/928430a23_gelb_Kat.jpg)
:quality(98)/www.dehn.fr/store/f/60669397/HDVORSCHAU/928430a23_gelb_Kat.jpg)
:quality(98)/www.dehn.fr/store/f/60669398/HDVORSCHAU/928440a2_Kat.jpg)
:quality(98)/www.dehn.fr/store/f/60669398/HDVORSCHAU/928440a2_Kat.jpg)
:quality(98)/www.dehn.fr/store/f/60669399/HDVORSCHAU/928440a3_Kat.jpg)
:quality(98)/www.dehn.fr/store/f/60669399/HDVORSCHAU/928440a3_Kat.jpg)
:quality(98)/www.dehn.fr/store/f/60669402/HDVORSCHAU/928440a5_Kat.jpg)
:quality(98)/www.dehn.fr/store/f/60669402/HDVORSCHAU/928440a5_Kat.jpg)
:quality(98)/www.dehn.fr/store/f/60669400/HDVORSCHAU/928430a32_gelb_Kat.jpg)
:quality(98)/www.dehn.fr/store/f/60669400/HDVORSCHAU/928430a32_gelb_Kat.jpg)
DVR 2 BY S 150 FM
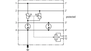
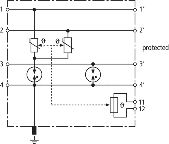
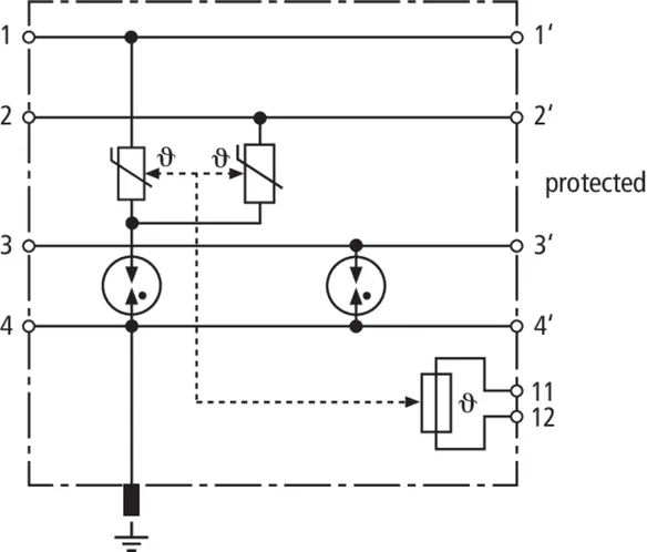
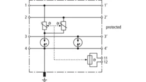
Parafoudre combiné et compact pour la protection des systèmes électroacoustiques (par ex. des systèmes d’alarme vocale ou des haut-parleurs). Protection d'une paire avec séparation galvanique et possibilité de mise à la terre directe ou indirecte du blindage.
Les conducteurs sont enfichés directement ce qui permet un raccordement rapide, simple et sans outillage. Pour un remplacement simple des modules, les bornes de raccordement peuvent être débranchées et retirées facilement du boîtier. Avec contact de télésignalisation intégrée (signal d'ouverture).
1 Produit
Référence de la pièce 928430 DVR 2 BY S 150 FM
GTIN 4013364261389, Clients tariffs no (UE): 85363010, Poids brut: 161.30 g, Prix unitaire: 1.00 pièce(s)
Caractéristiques techniques
Classe SPD | L |
Tension d’utilisation permanente max DC (UC ) | 150 V |
Courant nominal à 70° C (IL ) | 10 A |
Courant nominal à 80 °C (IL ) | 7 A |
D1 Courant de foudre (10/350 µs) par conducteur (Iimp ) | 2,5 kA |
C2 Courant nominal de décharge (8/20 µs) total (In ) | 22,5 kA |
Bande passante cond-cond (fG ) | 1,4 MHz |
DVR BNC RS485 230
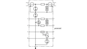
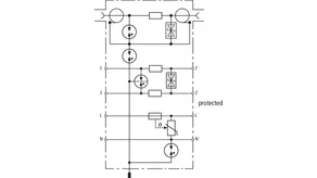
Parafoudre 3 en 1 compact pour la protection de systèmes de caméras analogiques. Protection du signal de vidéo (raccordement BNC), d'un signal de données (RS485) et d'une alimentation en tension (230 V AC). Les conducteurs sont enfichés directement ce qui permet un raccordement rapide, simple et sans outillage. Pour un remplacement simple des modules, les bornes de raccordement peuvent être débranchées et retirées facilement du boîtier. Avec une indication de défaut simple (230 V).
1 Produit
Référence de la pièce 928440 DVR BNC RS485 230
GTIN 4013364280809, Clients tariffs no (UE): 85363010, Poids brut: 185.50 g, Prix unitaire: 1.00 pièce(s)
Caractéristiques techniques
Vidéo (BNC) | |
Classe SPD | U |
Tension d’utilisation permanente max DC (UC ) | 6,4 V |
Courant nominal (IL ) | 0,1 A |
C2 Courant nominal de décharge (8/20 µs) blindage-terre (In ) | 10 kA |
Pertes par insertion sous 300 MHz (75 ohm) | ≤ 3,0 dB |
Raccordement d'entrée/de sortie | prise BNC/prise BNC |
Réseaux de données (RS485) | |
Classe SPD | T |
Tension d’utilisation permanente max DC (UC ) | 8 V |
Courant nominal (IL ) | 0,5 A |
C2 Courant nominal de décharge (8/20 µs) total (In ) | 10 kA |
Bande passante cond-cond (fG ) | 100 MHz |
Réseaux de puissance (230 V) | |
Classe SPD | Type 2 / Classe II |
Tension d’utilisation permanente max AC [L-N] (UC ) | 255 V (50 / 60 Hz) |
Tension d’utilisation permanente max AC [N-PE] (UC ) | 255 V (50 / 60 Hz) |
Courant nominal (IL ) | 10 A |
Courant nominal de décharge (8/20 µs) (In ) | 5 kA |
Courant de décharge max. (8/20 µs) (Imax ) | 10 kA |
Niveau de protection avec [L-N] (UP ) | ≤ 1,5 kV |
Niveau de protection [N-PE] (UP ) | ≤ 1,5 kV |