1 Produit
GTIN 4013364111141, Clients tariffs no (UE): 85389099, Poids brut: 514.00 g, Prix unitaire: 1.00 pièce(s)
Images
Plus d'informations
Certificats
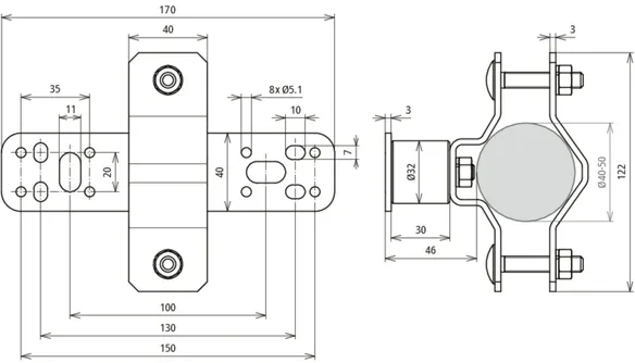
Caractéristiques techniques