Points de prise de terre

Pour une installation dans le béton. Raccordement, résistant à la corrosion, du conducteur de descente à l’armature des bâtiments et/ou à l’installation de mise à la terre pour l’équilibrage de potentiel principal ou supplémentaire ou comme point de mesure pour le contrôle de continuité ou de résistance.

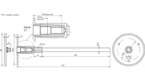
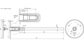
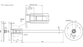
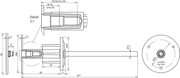
Pour les filetages double M10 et M12, on observera les longueurs de vis minimales suivantes :
35 mm pour M10 (longueur de filetage 40 mm)
15 mm pour M12 (longueur de filetage 20 mm)

– Raccordement possible à l’axe grâce au raccord de croisement réf. 319 201 ou la borne de raccordement par ex. de réf. 308 025 pour le renforcement
– Raccordement possible à la barre d’équilibrage de potentiel par exemple grâce à la pièce de réf. 390 499
– Raccordement possible pour les conducteurs plats au point de prise de terre grâce aux références 478 141 et 478 129
– Raccordement à l'axe grâce à des solutions à visser ou à presser
– Capuchon en matière plastique (jaune) encliquetable et possibilité de mise en œuvre d'un pare eau contre la pénétration d’eau le long de l’axe dans la paroi (testé avec une pression de 5 bar selon NF EN 50164-5)

Type M

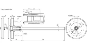
Avec axe de raccordement (l = 180 mm, Ø10 mm).

2 Produits

Référence de la pièce 478011 EFPM M10 12 V4A L230 STTZN

GTIN 4013364033054, Clients tariffs no (UE): 85359000, Poids brut: 312.50 g, Prix unitaire: 25.00 pièce(s)


Images

Plus d'informations


Filetage de raccordement: M10 / M12
Matériau - plaque: INOX (V4A)
Matériau n°: 1.4571 / 1.4404 / 1.4401
Matériau - axe : St/tZn
Courant de court-circuit (AC 50 Hz/DC): 6,5 kA
Normes: NF EN 62561-1

produit : DEHN
Type: EFPM M10 12 V4A L230 STTZN
Référence: 478011
ou équivalent

Certificats

 

Caractéristiques techniques

Filetage de raccordement M10 / M12
Matériau - plaque INOX (V4A)
Matériau n° 1.4571 / 1.4404 / 1.4401
Matériau - axe St/tZn
Ø Plaque de raccordement 80 mm
Courant de court-circuit (AC 50 Hz/DC) (1 s; ≤ 300 °C) 6,5 kA
Normes NF EN 62561-1

Le produit 478011 a été ajouté au bloc-notes

Le produit 478011 a été ajouté au panier.

Référence de la pièce 478019 EFPM M10 12 V4A L230 V2A

GTIN 4013364072107, Clients tariffs no (UE): 85359000, Poids brut: 310.10 g, Prix unitaire: 25.00 pièce(s)


Images

Plus d'informations


Filetage de raccordement: M10 / M12
Matériau - plaque: INOX (V4A)
Matériau n°: 1.4571 / 1.4404 / 1.4401
Matériau - axe : INOX
Courant de court-circuit (AC 50 Hz/DC): 3,9 kA
Normes: NF EN 62561-1

produit : DEHN
Type: EFPM M10 12 V4A L230 V2A
Référence: 478019
ou équivalent

Certificats

 

Caractéristiques techniques

Filetage de raccordement M10 / M12
Matériau - plaque INOX (V4A)
Matériau n° 1.4571 / 1.4404 / 1.4401
Matériau - axe INOX
Ø Plaque de raccordement 80 mm
Courant de court-circuit (AC 50 Hz/DC) (1 s; ≤ 300 °C) 3,9 kA
Normes NF EN 62561-1

Le produit 478019 a été ajouté au bloc-notes

Le produit 478019 a été ajouté au panier.


Type M sans axe de raccordement

1 Produit

Référence de la pièce 478012 EFPM M10 12 V4A

GTIN 4013364069183, Clients tariffs no (UE): 85359000, Poids brut: 192.00 g, Prix unitaire: 20.00 pièce(s)


Images

Plus d'informations


Filetage de raccordement: M10 / M12
Matériau - plaque: INOX (V4A)
Matériau n°: 1.4571 / 1.4404 / 1.4401
Courant de court-circuit (AC 50 Hz/DC): 9,3 kA (avec cosse de câble en cuivre)
Normes: NF EN 62561-1

produit : DEHN
Type: EFPM M10 12 V4A
Référence: 478012
ou équivalent

 

Caractéristiques techniques

Filetage de raccordement M10 / M12
Matériau - plaque INOX (V4A)
Matériau n° 1.4571 / 1.4404 / 1.4401
Ø Plaque de raccordement 80 mm
Courant de court-circuit (AC 50 Hz/DC) (1 s; ≤ 300 °C) 9,3 kA (avec cosse de câble en cuivre)
Normes NF EN 62561-1

Le produit 478012 a été ajouté au bloc-notes

Le produit 478012 a été ajouté au panier.


Type M pressé

Axe de raccordement (l = 180 mm, Ø10 mm).

2 Produits

Référence de la pièce 478041 EFPM M10 12 V4A L245 VP STTZN

GTIN 4013364105157, Clients tariffs no (UE): 85359000, Poids brut: 318.90 g, Prix unitaire: 25.00 pièce(s)

Précédent

Images

Plus d'informations


Filetage de raccordement: M10 / M12
Matériau - plaque: INOX (V4A)
Matériau n°: 1.4571 / 1.4404 / 1.4401
Matériau - axe : St/tZn
Courant de court-circuit (AC 50 Hz/DC): 3,7 kA
Normes: NF EN 62561-1

produit : DEHN
Type: EFPM M10 12 V4A L245 VP STTZN
Référence: 478041
ou équivalent

Certificats

 

Caractéristiques techniques

Filetage de raccordement M10 / M12
Matériau - plaque INOX (V4A)
Matériau n° 1.4571 / 1.4404 / 1.4401
Matériau - axe St/tZn
Ø Plaque de raccordement 80 mm
Courant de court-circuit (AC 50 Hz/DC) (1 s; ≤ 300 °C) 3,7 kA
Normes NF EN 62561-1
Référence 478 049 avec certificat UL.

Le produit 478041 a été ajouté au bloc-notes

Le produit 478041 a été ajouté au panier.

Référence de la pièce 478049 EFPM M10 12 V4A L245 VP V2A

GTIN 4013364105164, Clients tariffs no (UE): 85359000, Poids brut: 318.10 g, Prix unitaire: 25.00 pièce(s)

Précédent

Images

Plus d'informations


Filetage de raccordement: M10 / M12
Matériau - plaque: INOX (V4A)
Matériau n°: 1.4571 / 1.4404 / 1.4401
Matériau - axe : INOX
Courant de court-circuit (AC 50 Hz/DC): 3,3 kA
Normes: NF EN 62561-1

produit : DEHN
Type: EFPM M10 12 V4A L245 VP V2A
Référence: 478049
ou équivalent

Certificats

 

Caractéristiques techniques

Filetage de raccordement M10 / M12
Matériau - plaque INOX (V4A)
Matériau n° 1.4571 / 1.4404 / 1.4401
Matériau - axe INOX
Ø Plaque de raccordement 80 mm
Courant de court-circuit (AC 50 Hz/DC) (1 s; ≤ 300 °C) 3,3 kA
Normes NF EN 62561-1
Référence 478 049 avec certificat UL.

Le produit 478049 a été ajouté au bloc-notes

Le produit 478049 a été ajouté au panier.


Type M pressé avec pare-eau supplémentaire

Contre la pénétration d’eau le long de l’axe dans la paroi (testé à une pression d’air comprimé de 5 bar selon NF EN 62561-5 et avec 1 bar de pression d'eau).

1 Produit

Référence de la pièce 478051 EFPM M10 12 V4A WS L245 VP STTZN

GTIN 4013364124448, Clients tariffs no (UE): 85359000, Poids brut: 370.00 g, Prix unitaire: 10.00 pièce(s)


Images

Plus d'informations


Filetage de raccordement: M10 / M12
Matériau - plaque: INOX (V4A)
Matériau n°: 1.4571 / 1.4404 / 1.4401
Matériau - axe : St/tZn
Courant de court-circuit (AC 50 Hz/DC): 3,7 kA
Matériau - barrière d'eau: PVC
Normes: NF EN 62561-1

produit : DEHN
Type: EFPM M10 12 V4A WS L245 VP STTZN
Référence: 478051
ou équivalent

Certificats

 

Caractéristiques techniques

Filetage de raccordement M10 / M12
Matériau - plaque INOX (V4A)
Matériau n° 1.4571 / 1.4404 / 1.4401
Matériau - axe St/tZn
Ø Plaque de raccordement 80 mm
Courant de court-circuit (AC 50 Hz/DC) (1 s; ≤ 300 °C) 3,7 kA
Matériau - barrière d'eau PVC
Normes NF EN 62561-1

Le produit 478051 a été ajouté au bloc-notes

Le produit 478051 a été ajouté au panier.


Type M avec borne MV

Pour conducteurs ronds 8-10 mm, forme permettant un encombrement réduit dans le coffrage.

1 Produit

Référence de la pièce 478112 EFPM M10 12 V4A MVK8.10 STTZN

GTIN 4013364118140, Clients tariffs no (UE): 85359000, Poids brut: 286.40 g, Prix unitaire: 25.00 pièce(s)


Images

Plus d'informations


Filetage de raccordement: M10 / M12
Matériau - plaque: INOX (V4A)
Matériau n°: 1.4571 / 1.4404 / 1.4401
Matériau - borne MV: St/tZn
Zone de serrage, borne Rd / Rd: 8-10 mm
Courant de court-circuit (AC 50 Hz/DC): 9,3 kA
Version: avec joint torique et borne MV
Normes: NF EN 62561-1

produit : DEHN
Type: EFPM M10 12 V4A MVK8.10 STTZN
Référence: 478112
ou équivalent

Certificats

 

Caractéristiques techniques

Filetage de raccordement M10 / M12
Matériau - plaque INOX (V4A)
Matériau n° 1.4571 / 1.4404 / 1.4401
Matériau - borne MV St/tZn
Zone de serrage, borne Rd / Rd 8-10 mm
Ø Plaque de raccordement 80 mm
Courant de court-circuit (AC 50 Hz/DC) (1 s; ≤ 300 °C) 9,3 kA
Version avec joint torique et borne MV
Normes NF EN 62561-1

Le produit 478112 a été ajouté au bloc-notes

Le produit 478112 a été ajouté au panier.


Type K

Avec bague en matière plastique et axe de raccordement (l = 180 mm, Ø10 mm).

1 Produit

Référence de la pièce 478200 EFPK M10 12 V4A L230 STTZN

GTIN 4013364035652, Clients tariffs no (UE): 85359000, Poids brut: 278.20 g, Prix unitaire: 25.00 pièce(s)

Précédent

Images

Plus d'informations


Filetage de raccordement: M10 / M12
Matériau - plaque: INOX (V4A)
Matériau n°: 1.4571 / 1.4404 / 1.4401
Matériau - axe : St/tZn
Courant de court-circuit (AC 50 Hz/DC): 6,5 kA
Normes: NF EN 62561-1

produit : DEHN
Type: EFPK M10 12 V4A L230 STTZN
Référence: 478200
ou équivalent

Certificats

 

Caractéristiques techniques

Filetage de raccordement M10 / M12
Matériau - plaque INOX (V4A)
Matériau n° 1.4571 / 1.4404 / 1.4401
Matériau - axe St/tZn
Ø Plaque de raccordement 46 mm
Courant de court-circuit (AC 50 Hz/DC) (1 s; ≤ 300 °C) 6,5 kA
Normes NF EN 62561-1

Le produit 478200 a été ajouté au bloc-notes

Le produit 478200 a été ajouté au panier.


back to top