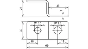
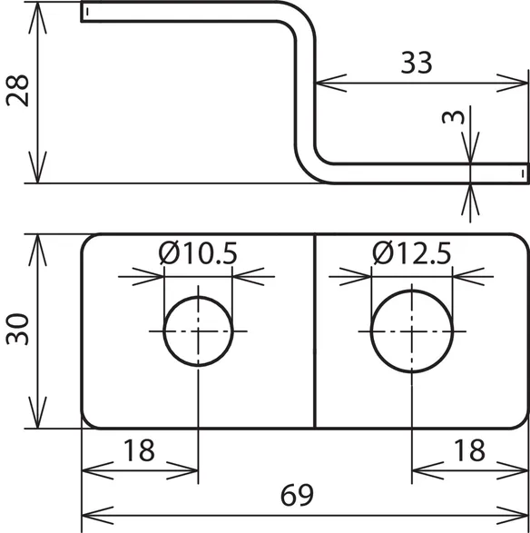
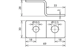
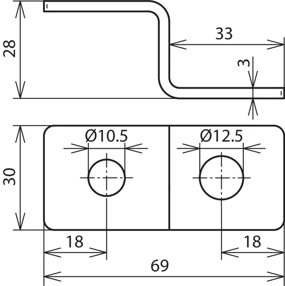
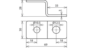
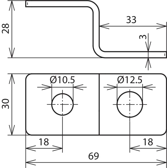
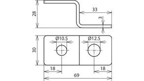
Pièces d’extrémité

A visser sur le point de prise de terre pour le raccordement par ex. à une barre d’équilibrage de potentiel ou pour le raccordement de parties de structure (par ex. poutre en acier ou autre) par vissage.

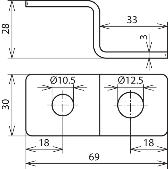
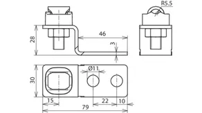
Version simple

Pour une utilisation universelle pour une connexion en M10 et M12 par ex. aux points de prise de terre.
Pour la connexion de conducteurs ronds, par ex. avec une borne de jonction KS (réf. 301 019) ou pour la connexion de conducteurs plats avec vis et écrous M10 ou M12.

1 Produit

Référence de la pièce 390499 ES ZF 2XB18 V2A

GTIN 4013364127517, Clients tariffs no (UE): 85359000, Poids brut: 58.20 g, Prix unitaire: 50.00 pièce(s)

Précédent

Images

Plus d'informations

Pièce d’extrémité, version simple INOX
Pièces d’extrémité
pour le vissage sur un point de prise de terre
pour le raccordement par ex. sur des barres de liaison équipotentielle
pour une utilisation universelle pour les raccordements en M10 et M12
pour le raccordement de conducteurs ronds, par ex. avec un connecteur KS (réf. 301 019)
ou pour le raccordement de conducteurs plats avec vis et écrous M10
Matériau: INOX
Ø Perçage: 10,5 / 12,5 mm

produit : DEHN
Type: ES ZF 2XB18 V2A
Référence: 390499
ou équivalent

Certificats

 

Caractéristiques techniques

Matériau INOX
Ø Perçage 10,5 / 12,5 mm

Le produit 390499 a été ajouté au bloc-notes

Le produit 390499 a été ajouté au panier.


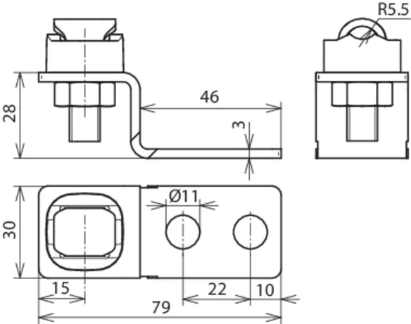
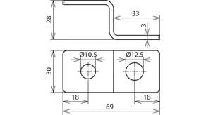
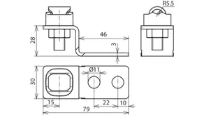
Version avec trous carrés

Dimensions 11x11 mm, pour la connexion de conducteurs ronds, par ex. avec une borne de jonction KS (réf. 301 019) ou pour la connexion de conducteurs plats avec vis et écrous M10.

1 Produit

Référence de la pièce 390479 ES ZF 2X11.11 1XB13 V2A

GTIN 4013364035324, Clients tariffs no (UE): 85359000, Poids brut: 75.90 g, Prix unitaire: 50.00 pièce(s)

Précédent

Images

Plus d'informations


Matériau: INOX
Ø Perçage: 13 mm

produit : DEHN
Type: ES ZF 2X11.11 1XB13 V2A
Référence: 390479
ou équivalent

Certificats

 

Caractéristiques techniques

Matériau INOX
Ecartement des trous 30 mm
Ø Perçage 13 mm

Le produit 390479 a été ajouté au bloc-notes

Le produit 390479 a été ajouté au panier.


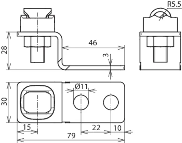
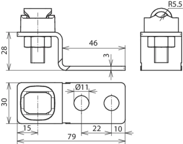
Version avec trous et jonction KS

Avec trous de raccordement Ø11 mm.

1 Produit

Référence de la pièce 363010 ES ZF 2XB11 KSV 7.10 STTZN

GTIN 4013364045743, Clients tariffs no (UE): 85359000, Poids brut: 126.40 g, Prix unitaire: 50.00 pièce(s)


Images

Plus d'informations


Matériau: St/tZn
Ø Perçage: 11 mm
Plage de serrage rd: 7-10 mm
Normes: NF EN 62561-1

produit : DEHN
Type: ES ZF 2XB11 KSV 7.10 STTZN
Référence: 363010
ou équivalent

Certificats

 

Caractéristiques techniques

Matériau St/tZn
Ecartement des trous 22 mm
Ø Perçage 11 mm
Plage de serrage rd 7-10 mm
Normes NF EN 62561-1
*) Pour l’affectation exacte, voir le certificat de contrôle.

Le produit 363010 a été ajouté au bloc-notes

Le produit 363010 a été ajouté au panier.


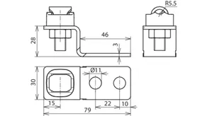
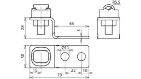
Version avec trous

Avec trous de raccordement Ø11 mm.

1 Produit

Référence de la pièce 363000 ES ZF 3XB11 STTZN

GTIN 4013364045750, Clients tariffs no (UE): 85359000, Poids brut: 68.00 g, Prix unitaire: 50.00 pièce(s)


Images

Plus d'informations


Matériau: St/tZn
Ø Perçage: 11 mm

produit : DEHN
Type: ES ZF 3XB11 STTZN
Référence: 363000
ou équivalent

Certificats

 

Caractéristiques techniques

Matériau St/tZn
Ecartement des trous 22 mm
Ø Perçage 11 mm

Le produit 363000 a été ajouté au bloc-notes

Le produit 363000 a été ajouté au panier.


back to top