Bornes de raccordement pour prises de terre en fondation et armatures

Pour le raccordement de conducteurs ronds et plats aux fondations en béton, aux treillis soudés pour béton armé ou aux armatures.

Disposition :
(II) = parallèle
(+) = perpendiculaire

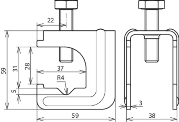
Borne à étrier de pression

Pour raccordement en T, perpendiculaire et parallèle.

2 Produits

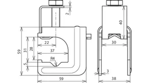
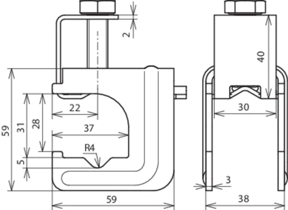
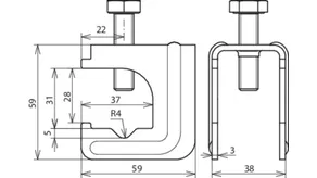
Référence de la pièce 308031 VK DB 6.20 8.10 FL30 BSB STBL

GTIN 4013364136571, Clients tariffs no (UE): 85359000, Poids brut: 239.60 g, Prix unitaire: 25.00 pièce(s)


Images

Plus d'informations

Borne à étrier de pression, St/tZn
Borne à étrier de pression pour raccorder les conducteurs plat et rond dans le béton
Ou le raccordement des armatures acier avec les condcuteurs plat ou rond
Raccordement en croix ou en parallèle
Matériau: St/nu
Plage de serrage rd/rd: (+/II) 6-20 / 8-10 mm
Plage de serrage rd/pl: (+/II) 6-20 / 30 x 3-4 mm
Plage de serrage pl/pl: (+/II) 30 x 3-4 / 30 x 3-4 mm
Version: sans bague de serrage
Normes: NF EN 62561-1

produit : DEHN
Type: VK DB 6.20 8.10 FL30 BSB STBL
Référence: 308031
ou équivalent

Certificats

 

Caractéristiques techniques

Matériau St/nu
Plage de serrage rd/rd (+/II) 6-20 / 8-10 mm
Plage de serrage rd/pl (+/II) 6-20 / 30 x 3-4 mm
Plage de serrage pl/pl (+/II) 30 x 3-4 / 30 x 3-4 mm
Version sans bague de serrage
Courant de court-circuit (AC 50 Hz/DC) (1 s; ≤ 300 °C) 8,4 kA
Normes NF EN 62561-1
*) Pour l'affectation exacte, voir le certificat de test.

Le produit 308031 a été ajouté au bloc-notes

Le produit 308031 a été ajouté au panier.

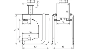
Référence de la pièce 308033 VK DB KR 6.20 8.10 FL30 BSB STBL

GTIN 4013364519978, Clients tariffs no (UE): 85359000, Poids brut: 240.40 g, Prix unitaire: 25.00 pièce(s)


Images

Plus d'informations

Borne à étrier de pression acier/nu
Borne à étrier de pression avec bague de serrage,
pour le raccordement de conducteurs ronds et
plats dans les fondations en béton,
les treillis d’armature
ou les aciers d’armature à conducteurs ronds et plats.
pour raccordement en T, perpendiculaire ou parallèle
Matériau: St/nu
Plage de serrage rd/rd: (+/II) 6-20 / 8-10 mm
Plage de serrage rd/pl: (+/II) 6-20 / 30 x 3-4 mm
Plage de serrage pl/pl: (+/II) 30 x 3-4 / 30 x 3-4 mm
Version: avec bague de serrage
Normes: NF EN 62561-1

produit : DEHN
Type: VK DB KR 6.20 8.10 FL30 BSB STBL
Référence: 308033
ou équivalent

Certificats

 

Caractéristiques techniques

Matériau St/nu
Plage de serrage rd/rd (+/II) 6-20 / 8-10 mm
Plage de serrage rd/pl (+/II) 6-20 / 30 x 3-4 mm
Plage de serrage pl/pl (+/II) 30 x 3-4 / 30 x 3-4 mm
Version avec bague de serrage
Courant de court-circuit (AC 50 Hz/DC) (1 s; ≤ 300 °C) 8,4 kA
Normes NF EN 62561-1
*) Pour l'affectation exacte, voir le certificat de test.

Le produit 308033 a été ajouté au bloc-notes

Le produit 308033 a été ajouté au panier.


Borne à étrier de pression MAXI

Pour raccordement en T, perpendiculaire et parallèle.

1 Produit

Référence de la pièce 308036 VK DB 20.32 8.10 FL40 BSB STBL

GTIN 4013364136588, Clients tariffs no (UE): 85359000, Poids brut: 275.60 g, Prix unitaire: 25.00 pièce(s)


Images

Plus d'informations

Borne à étrier de pression MAXI, St/tZn
Borne à étrier de pression pour raccorder les conducteurs plat et rond dans le béton
Ou le raccordement des armatures acier avec les condcuteurs plat ou rond
Raccordement en croix ou en parallèle
Matériau: St/nu
Plage de serrage rd/rd: (+/II) 20-32 / 8-10 mm
Plage de serrage rd/pl: (+/II) 20-32 / 40 x 4-5 mm
Version: avec bague de serrage
Normes: NF EN 62561-1

produit : DEHN
Type: VK DB 20.32 8.10 FL40 BSB STBL
Référence: 308036
ou équivalent

Certificats

 

Caractéristiques techniques

Matériau St/nu
Plage de serrage rd/rd (+/II) 20-32 / 8-10 mm
Plage de serrage rd/pl (+/II) 20-32 / 40 x 4-5 mm
Version avec bague de serrage
Courant de court-circuit (AC 50 Hz/DC) (1 s; ≤ 300 °C) 14,0 kA
Normes NF EN 62561-1
*) Pour l'affectation exacte, voir le certificat de test.

Le produit 308036 a été ajouté au bloc-notes

Le produit 308036 a été ajouté au panier.


Borne de raccordement sans étrier de pression

Pour raccordement perpendiculaire.

1 Produit

Référence de la pièce 308032 VK 6.20 FL30 BSB STBL

GTIN 4013364152823, Clients tariffs no (UE): 85359000, Poids brut: 178.50 g, Prix unitaire: 25.00 pièce(s)


Images

Plus d'informations

Borne de raccordement sans étrier de pression , St/tZn
Borne de raccordement sans étrier de pression pour raccorder les conducteurs plat et rond dans le béton
Ou le raccordement des armatures acier avec les condcuteurs plat ou rond
Raccordement en croix ou en parallèle
Matériau: St/nu
Plage de serrage rd/pl: (+) 6-20 / 30 x 3-4 mm
Plage de serrage pl/pl: (+/II) 30 x 3-4 / 30 x 3-4 mm
Normes: NF EN 62561-1

produit : DEHN
Type: VK 6.20 FL30 BSB STBL
Référence: 308032
ou équivalent

Certificats

 

Caractéristiques techniques

Matériau St/nu
Plage de serrage rd/pl (+) 6-20 / 30 x 3-4 mm
Plage de serrage pl/pl (+/II) 30 x 3-4 / 30 x 3-4 mm
Courant de court-circuit (AC 50 Hz/DC) (1 s; ≤ 300 °C) 7,0 kA
Normes NF EN 62561-1
*) Pour l'affectation exacte, voir le certificat de test.

Le produit 308032 a été ajouté au bloc-notes

Le produit 308032 a été ajouté au panier.


Borne de raccordement MAXI sans étrier de pression

Pour raccordement perpendiculaire.

1 Produit

Référence de la pièce 308037 VK 20.32 FL40 BSB STBL

GTIN 4013364154704, Clients tariffs no (UE): 85359000, Poids brut: 218.00 g, Prix unitaire: 25.00 pièce(s)


Images

Plus d'informations

Borne de raccordement MAXI sans étrier de pression , St/tZn
Borne de raccordement sans étrier de pression pour raccorder les conducteurs plat et rond dans le béton
Ou le raccordement des armatures acier avec les condcuteurs plat ou rond
Raccordement en croix ou en parallèle
Matériau: St/nu
Plage de serrage rd/pl: (+) 20-32 / 30 x 3-40 x 5 mm
Normes: NF EN 62561-1

produit : DEHN
Type: VK 20.32 FL40 BSB STBL
Référence: 308037
ou équivalent

Certificats

 

Caractéristiques techniques

Matériau St/nu
Plage de serrage rd/pl (+) 20-32 / 30 x 3-40 x 5 mm
Normes NF EN 62561-1
*) Pour l'affectation exacte, voir le certificat de test.

Le produit 308037 a été ajouté au bloc-notes

Le produit 308037 a été ajouté au panier.


back to top