Supports pour conducteur HVI power dans les zones à risque d’explosion

L’exploitant de locaux industriels exposés à un danger d’explosion est tenu de subdiviser ces installations ou parties d'installations en différentes zones en fonction des risques d’explosion. Pour ces installations, la foudre est l’une des causes d’inflammation potentielle à considérer. D’après l’ordonnance sur la sécurité d’exploitation, il est exigé d’établir un document concernant la protection contre les explosions. Ce document traitant de la protection contre les explosions décrit les différentes zones exposées à un danger d’explosion.

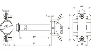
Le conducteur HVI power a été conçu pour être installé dans la zone à risque d’explosion 1 (gaz, vapeurs, brouillard) ainsi que dans la zone 21 (poussières).
En respectant certaines conditions d’installation particulières, il est possible de garantir qu’une étincelle électrique provoquée par une décharge du courant de foudre puisse être évitée au moyen du conducteur HVI power.

Détails

lorem ipsum
lorem ipsum

HVI power Ex W85 holder

Pour la fixation sur des éléments de construction métalliques (façades) dans les zones à risque d'explosion 1 et 21.

1 Produit

Référence de la pièce 275450 LH ZS 27 EX W85 BP V2A

GTIN 4013364244436, Clients tariffs no (UE): 85389099, Poids brut: 179.40 g, Prix unitaire: 10.00 pièce(s)


Images

Plus d'informations


Support conducteur - logement rd : 27 mm
Fixation: [4x] Ø5,1 / [2x] 7 x 10 mm
Normes: IEC/TS 62561-8

produit : DEHN
Type: LH ZS 27 EX W85 BP V2A
Référence: 275450
ou équivalent

Certificats

 

Caractéristiques techniques

Matériau INOX
Support conducteur - logement rd 27 mm
Distance au mur 85 mm
Fixation [4x] Ø5,1 / [2x] 7 x 10 mm
Normes IEC/TS 62561-8

Le produit 275450 a été ajouté au bloc-notes

Le produit 275450 a été ajouté au panier.


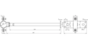
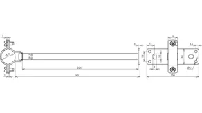
HVI power Ex W240 holder

Pour la fixation sur des éléments de construction métalliques (façades) dans les zones à risque d'explosion 1 et 21.

1 Produit

Référence de la pièce 275451 LH ZS 27 EX W240 BP V2A

GTIN 4013364244498, Clients tariffs no (UE): 85389099, Poids brut: 291.40 g, Prix unitaire: 10.00 pièce(s)


Images

Plus d'informations


Support conducteur - logement rd : 27 mm
Fixation: [4x] Ø5,1 / [2x] 7 x 10 mm
Normes: IEC/TS 62561-8

produit : DEHN
Type: LH ZS 27 EX W240 BP V2A
Référence: 275451
ou équivalent

Certificats

 

Caractéristiques techniques

Matériau INOX
Support conducteur - logement rd 27 mm
Distance au mur 240 mm
Fixation [4x] Ø5,1 / [2x] 7 x 10 mm
Normes IEC/TS 62561-8

Le produit 275451 a été ajouté au bloc-notes

Le produit 275451 a été ajouté au panier.


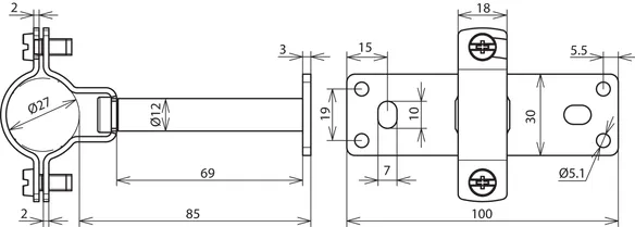
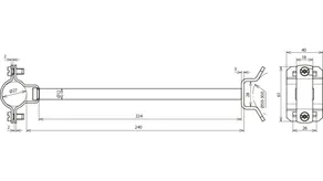
HVI power Ex busbar 500

Pour la pose du conducteur HVI power sur des supports pour conducteurs HVI Ex W85 holder (réf. 275 450) sur une structure non conductrice, par ex. en pierre ou en bois.

1 Produit

Référence de la pièce 275498 VS EX 500 V2A

GTIN 4013364146945, Clients tariffs no (UE): 85389099, Poids brut: 320.00 g, Prix unitaire: 10.00 pièce(s)

Précédent

Images

Plus d'informations


Fixation: [4x] Ø5,5 / [2x] 7 x 10 mm

produit : DEHN
Type: VS EX 500 V2A
Référence: 275498
ou équivalent

Certificats

 

Caractéristiques techniques

Fixation [4x] Ø5,5 / [2x] 7 x 10 mm

Le produit 275498 a été ajouté au bloc-notes

Le produit 275498 a été ajouté au panier.


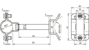
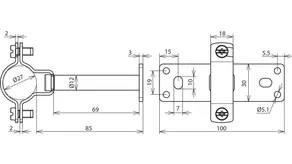
HVI power Ex P85 holder

Pour la fixation aux tuyaux, par ex. avec un collier de serrage (réf. 106 323) dans les zones à risque d'explosion 1 et 21.

1 Produit

Référence de la pièce 275454 LH ZS 27 EX P85 SBB V2A

GTIN 4013364244504, Clients tariffs no (UE): 85389099, Poids brut: 188.50 g, Prix unitaire: 10.00 pièce(s)


Images

Plus d'informations


Support conducteur - logement rd : 27 mm
Plage de serrage - tube: 50-300 mm
Normes: IEC/TS 62561-8

produit : DEHN
Type: LH ZS 27 EX P85 SBB V2A
Référence: 275454
ou équivalent

Certificats

 

Caractéristiques techniques

Matériau INOX
Support conducteur - logement rd 27 mm
Distance au mur 85 mm
Plage de serrage - tube 50-300 mm
Normes IEC/TS 62561-8

Le produit 275454 a été ajouté au bloc-notes

Le produit 275454 a été ajouté au panier.


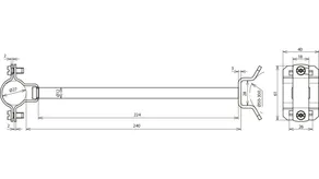
HVI power Ex P240 holder

Pour la fixation aux tuyaux, par ex. avec un collier de serrage (réf. 106 323) dans les zones à risque d'explosion 1 et 21.

1 Produit

Référence de la pièce 275455 LH ZS 27 EX P240 SBB V2A

GTIN 4013364244535, Clients tariffs no (UE): 85389099, Poids brut: 296.30 g, Prix unitaire: 1.00 pièce(s)


Images

Plus d'informations


Support conducteur - logement rd : 27 mm
Plage de serrage - tube: 50-300 mm
Normes: IEC/TS 62561-8

produit : DEHN
Type: LH ZS 27 EX P240 SBB V2A
Référence: 275455
ou équivalent

Certificats

 

Caractéristiques techniques

Matériau INOX
Support conducteur - logement rd 27 mm
Distance au mur 240 mm
Plage de serrage - tube 50-300 mm
Normes IEC/TS 62561-8

Le produit 275455 a été ajouté au bloc-notes

Le produit 275455 a été ajouté au panier.


back to top